Руководство пользователя MSP430 (1041606), страница 38
Текст из файла (страница 38)
ADC10SA, регистр стартового адреса для переноса данных
| 15 | 14 | 13 | 12 | 11 | 10 | 9 | 8 |
| ADC10SAx |
| rw-(0) | rw-(0) | rw-(0) | rw-(0) | rw-(0) | rw-(0) | rw-(0) | rw-(0) |
| 7 | 6 | 5 | 4 | 3 | 2 | 1 | 0 |
| ADC10SAx | 0 |
| rw-(0) | rw-(0) | rw-(0) | rw-(0) | rw-(0) | rw-(0) | rw-(0) | r0 |
| ADC10SAx | Биты | Стартовый адрес АЦП10. Эти биты являются стартовым адресом для DTC. Запись в регистр ADC10SA необходима для инициирования DTC переносов. |
| Не используется | Бит 0 | Не используется, только чтение. Всегда читается как 0. |
Раздел 19 ЦАП12
Модуль ЦАП12 представляет собой 12-разрядный цифро-аналоговый преобразователь. В этом разделе описывается ЦАП12. В устройствах MSP430x15x и MSP430x16x реализовано два модуля ЦАП12.
19.1 Введение в ЦАП12
Модуль АЦП12 представляет собой 12-разрядный ЦАП на основе матрицы резисторов R-2R. ЦАП12 может быть сконфигурирован в 8-ми или 12-разрядном режиме и может использоваться совместно с контроллером DMA. Когда в устройстве представлено несколько модулей ЦАП12, они могут быть сгруппированы вместе для синхронного обновления.
ЦАП12 обладает следующими возможностями:
-
12-разрядный монотонный выход
-
8-ми или 12-разрядное разрешение выходного напряжения
-
Программируемое время установки в зависимости от потребляемой мощности
-
Выбор внутреннего или внешнего опорного источника
-
Натуральный двоичный формат данных или формат с дополнением до двух
-
Опция самокалибровки для корректировки смещения
-
Возможность синхронного обновления при наличии нескольких модулей ЦАП12
-
Несколько модулей ЦАП12 могут быть сгруппированы для одновременного обновления
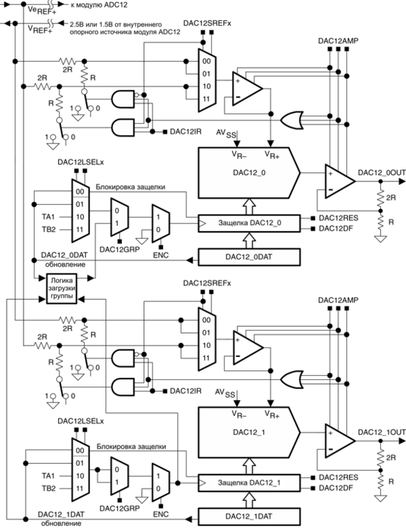
Блок-схема двух модулей ЦАП12 в устройствах MSP430F15x/16x показана на рис.19-1.
| Примечание: Множество модулей ЦАП12 |
19.2 Функционирование ЦАП12
Модуль ЦАП12 конфигурируется программным обеспечением пользователя. Настройка и функционирование ЦАП12 обсуждаются в нижеследующих разделах.
19.2.1 Ядро ЦАП12
ЦАП12 может быть сконфигурирован на работу в 8-ми или 12-разрядном режиме с помощью бита DASC12RES. Кроме того, полный диапазон вывода программируется через бит DAC12IR и может быть 1х или 3х-кратен выбранному опорному напряжению. Эта возможность позволяет пользователю управлять динамическим диапазоном ЦАП12. Когда используется внутренний опорный источник, полный диапазон вывода всегда равен 1х опорного напряжения. Бит DAC12DF позволяет пользователю выбирать для ЦАП натуральные двоичные данные или данные с дополнением до двух. Когда используется натуральный двоичный формат данных, справедлива формула для выходного напряжения, представленная в таблице 19-1.
Таблица 19-1. Полный диапазон ЦАП12 (Vref = VeREF+ или VREF+)
| Разрешение | DAC12RES | DAC12IR | Формула выходного напряжения |
| 12 бит | 0 | 0 |
|
| 12 бит | 0 | 1 |
|
| 8 бит | 1 | 0 |
|
| 8 бит | 1 | 1 |
|
В 8-разрядном режиме максимальное используемое значение для DAC12_xDAT равно 0FFh, а в 12-разрядном режиме максимальное используемое значение для DAC12_xDAT равно 0FFFh. Значения, превышающие указанные величины могут быть записаны в регистр, но все первые биты будут проигнорированы.
Выбор порта ЦАП12
Выходы ЦАП12 мультиплексированы с ножками порта Р6 и аналоговыми входами АЦП12. Когда DAC12AMPx>0, для ножек автоматически выбирается функция ЦАП12, независимо от состояния связанных с ними битов P6SELx и P6DIRx.
19.2.2 Опорный источник ЦАП12
Опорный источник для ЦАП12 конфигурируется для использования либо двух внешних опорных напряжений, либо внутреннего опорного источника 1.5В/2.5В от модуля АЦП12 с помощью битов DAC12SREFx. Когда DAC12SREFx={0,1}, как опорный используется сигнал VREF+, а когда DAC12SREFx={2,3}, в качестве опорного используется сигнал VeREF+.
При использовании внутреннего опорного источника АЦП12, он должен быть включен и сконфигурирован через соответствующие управляющие биты АЦП12 (см. раздел «АЦП12»). Как только опорный источник АЦП12 сконфигурирован, опорное напряжение подается на VREF+.
Буферы входного опорного сигнала и выходного напряжения ЦАП12
Буферы входного опорного сигнала и выходного напряжения ЦАП12 могут быть сконфигурированы для оптимизации времени установки1 в зависимости от потребляемой мощности. Восемь возможных комбинаций выбираются с помощью битов DAC12AMPx. При низкой/низкой установке время установки наибольшее, а потребляемый обеими буферами ток наименьший. Средние и высокие настройки позволяют получить быстрое время установки, однако потребляемый ток возрастет. См. справочное руководство конкретного устройства для выяснения подробных параметров.
19.2.3 Обновление выходного напряжения ЦАП12
Регистр DAC12_xDAT может быть напрямую подключен к ядру ЦАП12 или дважды буферизирован. Источник запуска для обновления выходного напряжения ЦАП12 выбирается с помощью битов DAC12LSELx.
Когда DAC12LSELx=0, защелка данных открыта, и регистр DAC12_xDAT напрямую подключен к ядру ЦАП12. Выход ЦАП12 обновляется немедленно, как только новые данные ЦАП12 записаны в регистр DAC12_xDAT, независимо от состояния бита DAC12ENC.
Когда DAC12LSELx=1, данные ЦАП12 защелкнуты и поступают к ядру ЦАП12 после записи новых данных в DAC12_хDAT. Когда DAC12LSELx=2 или 3, данные защелкиваются по фронту сигнала с выхода таймера А CCR1 или с выхода таймера В CCR2 соответственно. DAC12ENC должен быть установлен, чтобы новые данные защелкивались, когда DAC12LSELx>0.
| Примечание: Время установки: |
19.2.4 Формат данных DAC12_xDAT
ЦАП12 поддерживает два формата данных: натуральный двоичный и формат с дополнением до двух. Когда используется натуральный формат данных, полный диапазон вывода равен 0FFFh в 12-разрядном режиме (0FFh в 8-разрядном режиме), как показано на рис.19-2.
Рис.19-2 Зависимость выходного напряжения от данных ЦАП12 в 12-разрядном режиме в натуральном двоичном формате
Когда используется формат данных с дополнением до двух, диапазон сдвигается так, что при значении DAC12_xDAT равному 0800h (0080h в 8-разрядном режиме), выходное напряжение будет равно нулю, при 0000h – выходное напряжение составит половину шкалы, а при 07FFh (007Fh для 8-разрядного режима) выходное напряжение достигнет полного диапазона, как показано на рис.19-3.
Рис.19-3 Зависимость выходного напряжения от данных ЦАП12 в 12-разрядном режиме в формате дополнения до двух
19.2.5 Калибровка смещения выходного усилителя ЦАП12
Напряжение смещения выходного усилителя ЦАП12 может быть положительным или отрицательным. Когда смещение отрицательное, выходной усилитель пытается управлять отрицательным напряжением, но не может этого сделать. Выходное напряжение остается равным нулю, пока цифровой вход ЦАП12 не обеспечит достаточного для преодоления отрицательного напряжения смещения положительного выходного напряжения. Получающаяся передаточная функция показана на рис.19-4.
Рис.19-4 Отрицательное смещение
Когда выходной усилитель имеет положительное смещение, ноль на цифровом входе не позволяет получить нулевое выходное напряжение. Выходное напряжение ЦАП12 достигает максимального выходного сигнала до того момента, когда данные на входе ЦАП12 достигнут максимального кода. Это показано на рис.19-5.
Рис.19-5 Положительное смещение
ЦАП12 имеет возможность калибровки напряжения смещения выходного усилителя. Установка бита DAC12CALON инициирует калибровку смещения. Калибровка должна быть завершена до использования ЦАП12. Когда калибровка выполнена, бит DAC12CALON автоматически сбрасывается. Биты DAC12AMPx должны быть сконфигурированы до калибровки.
19.2.6 Группировка нескольких модулей ЦАП12
Несколько ЦАП12 могут быть сгруппированы вместе битом DAC12GRP для синхронного обновления каждого выхода ЦАП12. Аппаратно гарантируется, что все модули ЦАП12 в группе обновляются одновременно, независимо от любого прерывания или NMI-события.
В устройствах MSP430x15x и MSP430x16x модули DAC12_0 и DAC12_1 группируются установкой бита DAC12GRP модуля DAC12_0. Бит DAC12GRP модуля DAC12_1 не используется. Когда DAC12_0 и DAC12_1 группируются, необходимо:
-
Биты DAC12LSELx модуля DAC12_1 выбирают источник запуска обновления для обоих ЦАПов;
-
Биты DAC12LSELx для обоих ЦАП должны быть > 0
-
Биты DAC12ENC обоих ЦАП должны быть установлены в 1.
Когда DAS12_0 и DAC12_1 сгруппированы, оба регистра DAC12_xDAT должны быть записаны перед обновлением выходов – даже если данные для одного или обоих ЦАП не изменились. На рис.19-6 показан пример тактирования защелкивания-обновления для сгруппированных модулей DAC12_0 и DAC12_1.
Когда бит DAC12GRP=1 модуля DAC12_0 и оба бита DAC12LSELx>0 модулей DAC12_x и любой DAC12ENC=0, никакой ЦАП12 не обновляется.
Рис.19-6 Пример обновления группы ЦАП12, запуск от таймера_А3
















