Оформленное ДЗ (1041584)
Текст из файла
Московский ордена Ленина, ордена Октябрьской Революции и ордена Трудового Красного Знамени
государственный технический университет им. Н.Э. Баумана
Домашнее задание по курсу:
"Системы автоматического управления"
Вариант № 31
Выполнила:Янчелик Анна
Студентка группы МТ11-82
Проверил: Рябов В. Т.
Москва 2015г.
-
Обеспечить включение-выключение форвакуумного насоса с использованием релейного триггера. Параметры выхода ДУ: 60В,100 мА.
Сопротивление резистора R2, ограничивающего темновой ток оптопары принимаем 50кОм. Сопротивление R3 отводит темновой ток фототранзистора от базы ключевого транзистора, принимаем 200 Ом.
Сопротивление R1:
-
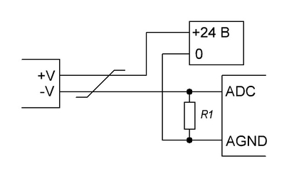
Обеспечить подключение датчика датчика температуры с диапазоном -50..+500°С, с токовым выходом 4..20 мА и питанием +12..+42 В к входу АК контроллера 0..5 В. Рассчитать и выбрать нагрузочный резистор. Выводы датчика +V, -V. Рассчитать и построить характеристику Т(I). Сколько градусов приходится на одну дискрету, если преобразование 16-и разрядное.
Сопротивление нагрузочного резистора
Характеристика датчика:
Диапазон в 550˚С делится на 216 - 1=65535 дискрет, т.е. на одну дискрету приходится:
-
Подключить к МК ЦАП MAX-506, регистр ДУ и буфер ДК. Дать пример записи по третьей линии АУ половины опорного напряжения.
Преобрацование ЦАП восьмиразрядное, опорное напряжение делится на 255 дискрет. Половине опорного напряжения соответствует 127 дискрет, чему соответствует двоичное число 100000002.
Пример записи:
MOV A,10000000b ;заносим в аккумулятор преобразуемое значение
MOV DPTR,XXXXXX0110XXXXXX ;задаём адрес третьей линии ЦАП
MOVX @DPTR,A ;записываем
Характеристики
Тип файла документ
Документы такого типа открываются такими программами, как Microsoft Office Word на компьютерах Windows, Apple Pages на компьютерах Mac, Open Office - бесплатная альтернатива на различных платформах, в том числе Linux. Наиболее простым и современным решением будут Google документы, так как открываются онлайн без скачивания прямо в браузере на любой платформе. Существуют российские качественные аналоги, например от Яндекса.
Будьте внимательны на мобильных устройствах, так как там используются упрощённый функционал даже в официальном приложении от Microsoft, поэтому для просмотра скачивайте PDF-версию. А если нужно редактировать файл, то используйте оригинальный файл.
Файлы такого типа обычно разбиты на страницы, а текст может быть форматированным (жирный, курсив, выбор шрифта, таблицы и т.п.), а также в него можно добавлять изображения. Формат идеально подходит для рефератов, докладов и РПЗ курсовых проектов, которые необходимо распечатать. Кстати перед печатью также сохраняйте файл в PDF, так как принтер может начудить со шрифтами.















