Оформленное ДЗ (1041548)
Текст из файла
Московский ордена Ленина, ордена Октябрьской Революции и ордена Трудового Красного Знамени Государственный Технический Университет имени Н. Э. Баумана
ФАКУЛЬТЕТ: Машиностроительные Технологии
КАФЕДРА: “Электронные технологии в машиностроение”
Домашняя работа №3
по курсу «Системы автоматизированного управления»
Вариант 19
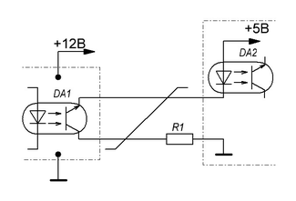
Эмиттер и коллектор транзистора оптопары следует поменять местами. К (+) подключают коллектор, а к (-) – эмиттер.
Студент: Доброносова А.А.
МТ11-82
Преподаватель: Рябов В.Т.
Москва 2015
Вариант 19
1. Подключить активный датчик с выходом «Открытый коллектор, открытый эмиттер n-p-n фототранзистора оптопары» и питанием 12 В к контроллеру со входом «Открытый катод СД». Рассчитать балластный резистор светодиода, если анод подключен к 5 В, номинальный ток светодиода – 12 мА.
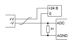
2. Обеспечить подключение датчика температуры с диапазоном -50..+150°С, с токовым выходом 4..20 мА и питанием +12..+42 В к входу АК контроллера 0..10 В. Рассчитать и выбрать нагрузочный резистор. Выводы датчика +V, -V. Рассчитать и построить характеристику Т(I). Сколько градусов приходится на одну дискрету, если преобразование 14-и разрядное.
3. Подключить к МК ЦАП MAX-506, регистр ДУ и буфер ДК. Дать пример обращения к третьей линии ДК.
Решение:
-
Подключить активный датчик с выходом «Открытый коллектор, открытый эмиттер n-p-n фототранзистора оптопары» и питанием 12 В к контроллеру со входом «Открытый катод СД». Рассчитать балластный резистор светодиода, если анод подключен к 5 В, номинальный ток светодиода – 12 мА.
Рассчитаем сопротивление резистора:
-
Обеспечить подключение датчика температуры с диапазоном -50..+150°С, с токовым выходом 4..20 мА и питанием +12..+42 В к входу АК контроллера 0..10 В. Рассчитать и выбрать нагрузочный резистор. Выводы датчика +V, -V. Рассчитать и построить характеристику Т(I). Сколько градусов приходится на одну дискрету, если преобразование 14-и разрядное.
Сопротивление нагрузочного резистора:
Характеристика датчика:
Интервал в 200˚С делится на 214=16384 дискрет, т.е. на одну дискрету приходится:
-
Подключить к МК ЦАП MAX-506, регистр ДУ и буфер ДК. Дать пример обращения к третьей линии ДК.
Обращение к линии ДК3
MOV DPTR,0000h ;заносим в указатель данных адрес буфера
MOVX A, @DPTR ;читаем байт из буфера
ANL A,#00000100b ;маскируем третий бит. Это второй бит, счет битов обычно ведут с 0.
JZ rel ;выполняем подпрограмму, если бит равен нулю
Характеристики
Тип файла документ
Документы такого типа открываются такими программами, как Microsoft Office Word на компьютерах Windows, Apple Pages на компьютерах Mac, Open Office - бесплатная альтернатива на различных платформах, в том числе Linux. Наиболее простым и современным решением будут Google документы, так как открываются онлайн без скачивания прямо в браузере на любой платформе. Существуют российские качественные аналоги, например от Яндекса.
Будьте внимательны на мобильных устройствах, так как там используются упрощённый функционал даже в официальном приложении от Microsoft, поэтому для просмотра скачивайте PDF-версию. А если нужно редактировать файл, то используйте оригинальный файл.
Файлы такого типа обычно разбиты на страницы, а текст может быть форматированным (жирный, курсив, выбор шрифта, таблицы и т.п.), а также в него можно добавлять изображения. Формат идеально подходит для рефератов, докладов и РПЗ курсовых проектов, которые необходимо распечатать. Кстати перед печатью также сохраняйте файл в PDF, так как принтер может начудить со шрифтами.
















