3 (1041547)
Текст из файла
-
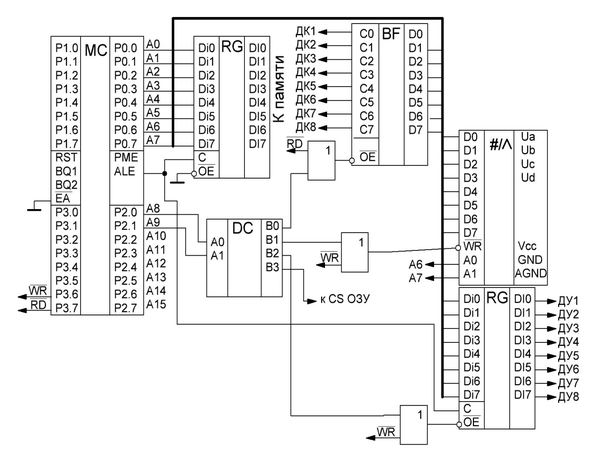
Подключить к МК ЦАП MAX-506, регистр ДУ и буфер ДК. Дать пример обращения к третьей линии ДК.
Обращение к линии ДК3
MOV DPTR,0000h ;заносим в указатель данных адрес буфера
MOVX A, @DPTR ;читаем байт из буфера
ANL A,#00000100b ;маскируем третий бит. Это второй бит, счет битов обычно ведут с 0.
JZ rel ;выполняем подпрограмму, если бит равен нулю
Характеристики
Тип файла документ
Документы такого типа открываются такими программами, как Microsoft Office Word на компьютерах Windows, Apple Pages на компьютерах Mac, Open Office - бесплатная альтернатива на различных платформах, в том числе Linux. Наиболее простым и современным решением будут Google документы, так как открываются онлайн без скачивания прямо в браузере на любой платформе. Существуют российские качественные аналоги, например от Яндекса.
Будьте внимательны на мобильных устройствах, так как там используются упрощённый функционал даже в официальном приложении от Microsoft, поэтому для просмотра скачивайте PDF-версию. А если нужно редактировать файл, то используйте оригинальный файл.
Файлы такого типа обычно разбиты на страницы, а текст может быть форматированным (жирный, курсив, выбор шрифта, таблицы и т.п.), а также в него можно добавлять изображения. Формат идеально подходит для рефератов, докладов и РПЗ курсовых проектов, которые необходимо распечатать. Кстати перед печатью также сохраняйте файл в PDF, так как принтер может начудить со шрифтами.
















