Оформленное ДЗ (1041543)
Текст из файла
МОСКОВСКИЙ ГОСУДАРСТВЕННЫЙ ТЕХНИЧЕСКИЙ УНИВЕРСИТЕТ
им. Н.Э. Баумана
Факультет: «Машиностроительные технологии»
Кафедра: «Электронное машиностроение»
ДОМАШНЕЕ ЗАДАНИЕ
по курсу «Системы автоматизированного управления»
Вариант №17
Студент
группы МТ11-82 А.Р. Габидуллин
Преподаватель В.Т.Рябов
Москва 2015
Вариант 17
1. Подключить активный датчик с выходом «Открытый коллектор n-p-n» и питанием 12 В к контроллеру со входом «Открытый катод СД». Рассчитать балластный резистор светодиода, если анод подключен к 5 В номинальный ток светодиода – 12 мА.
2. Обеспечить подключение датчика температуры с диапазоном 0..100°С, с токовым выходом 4..20 мА и питанием +12..+42 В к входу АК контроллера 0..5 В. Рассчитать и выбрать нагрузочный резистор. Выводы датчика +V, -V. Рассчитать и построить характеристику Т(I). Сколько градусов приходится на одну дискрету, если преобразование 12-и разрядное
3. Подключить к МК внешнее ОЗУ на 8 кБ и регистр на 8 ДУ. Дать пример включения линии ДУ3.
Решение
1. Подключить активный датчик с выходом «Открытый коллектор n-p-n» и питанием 12 В к контроллеру со входом «Открытый катод СД». Рассчитать балластный резистор светодиода, если анод подключен к 5 В номинальный ток светодиода – 12 мА.
Рисунок 1 – Схема подключения активного датчика к контроллеру
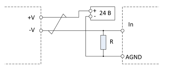
2. Обеспечить подключение датчика температуры с диапазоном 0..100°С, с токовым выходом 4..20 мА и питанием +12..+42 В к входу АК контроллера 0..5 В. Рассчитать и выбрать нагрузочный резистор. Выводы датчика +V, -V. Рассчитать и построить характеристику Т(I). Сколько градусов приходится на одну дискрету, если преобразование 12-и разрядное
Рисунок 2 – Схема подключения датчика с токовым выходом к контроллеру
Датчик можно запитать напряжением из диапазона +12..+42 В. Выберем самый распространённый блок питания на +24В. Для диапазона преобразования АЦП имеем значение сопротивлений нагрузочного резистора:
На практике можно выбрать резистор входящий в этот диапазон и находящийся в ряду нормального ряда, например из ряда Е24 на 1кОм.
Рисунок 3 – Характеристика T(I)
Определим количество дискрет, по условию преобразование 12-и разрядное, тогда:
Определим количество градусов, приходящихся на одну дискрету:
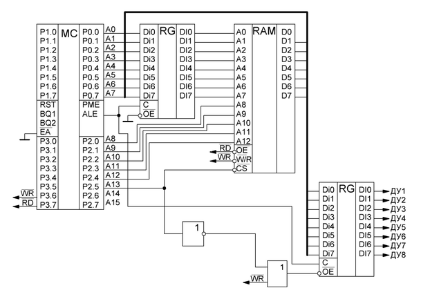
3. Подключить к МК внешнее ОЗУ на 8 кБ и регистр на 8 ДУ. Дать пример включения линии ДУ3.
Чтобы прочитать данные из РАМ (или записать их туда) нам нужно задать адрес ячейки из которой мы читаем(или в которую записываем) данные. Адрес ячейки - шестнадцати разрядное число, половина которого выдаётся портом Р2, а вторая половина портом P0. После того как задали адрес ячейки, нужно получить оттуда данные (или записать их по этому адресу). Данные идут по шине данных и как видно на рисунке принимаются тем же портом Р0, который выдаёт часть адреса.
В нашем случае к МК подключено несколько устройств. Схема выбирается, когда на вход CS подаётся ноль. (У регистра роль CS играет OE). Если схем много - ставится дешифратор, выбирающий одну из схем. У нас схемы всего две - ОЗУ и регистр ДУ. Работает либо одна, либо другая, так что мы можем перед одной из них просто поставить инвертор и будет работать только одна схема. Какая из схем будет работать выбирает вывод А13. Если на нём ноль - работает ОЗУ, единичка - регистр
Пример включения линии ДУ3:
MOV DPTR,#XX1XXXXXXXXXXXXX ; X – любое значение (единичка порт А13)
MOVX A,@DPTR ; Читаем регистр
ANL A,#11111011b ; Устанавливаем третий бит в ноль
MOVX @DPTR,A ; Записываем новое значение в регистр
Характеристики
Тип файла документ
Документы такого типа открываются такими программами, как Microsoft Office Word на компьютерах Windows, Apple Pages на компьютерах Mac, Open Office - бесплатная альтернатива на различных платформах, в том числе Linux. Наиболее простым и современным решением будут Google документы, так как открываются онлайн без скачивания прямо в браузере на любой платформе. Существуют российские качественные аналоги, например от Яндекса.
Будьте внимательны на мобильных устройствах, так как там используются упрощённый функционал даже в официальном приложении от Microsoft, поэтому для просмотра скачивайте PDF-версию. А если нужно редактировать файл, то используйте оригинальный файл.
Файлы такого типа обычно разбиты на страницы, а текст может быть форматированным (жирный, курсив, выбор шрифта, таблицы и т.п.), а также в него можно добавлять изображения. Формат идеально подходит для рефератов, докладов и РПЗ курсовых проектов, которые необходимо распечатать. Кстати перед печатью также сохраняйте файл в PDF, так как принтер может начудить со шрифтами.
















