2 (1041541)
Текст из файла
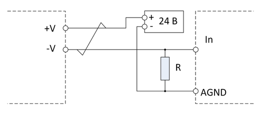
Обеспечить подключение датчика температуры с диапазоном 0..100°С, с токовым выходом 4..20 мА и питанием +12..+42 В к входу АК контроллера 0..5 В. Рассчитать и выбрать нагрузочный резистор. Выводы датчика +V, -V. Рассчитать и построить характеристику Т(I). Сколько градусов приходится на одну дискрету, если преобразование 12-и разрядное
Рисунок 2 – Схема подключения датчика с токовым выходом к контроллеру
Датчик можно запитать напряжением из диапазона +12..+42 В. Выберем самый распространённый блок питания на +24В. Для диапазона преобразования АЦП имеем значение сопротивлений нагрузочного резистора:
На практике можно выбрать резистор входящий в этот диапазон и находящийся в ряду нормального ряда, например из ряда Е24 на 1кОм.
Рисунок 3 – Характеристика T(I)
Определим количество дискрет, по условию преобразование 12-и разрядное, тогда:
Определим количество градусов, приходящихся на одну дискрету:
Характеристики
Тип файла документ
Документы такого типа открываются такими программами, как Microsoft Office Word на компьютерах Windows, Apple Pages на компьютерах Mac, Open Office - бесплатная альтернатива на различных платформах, в том числе Linux. Наиболее простым и современным решением будут Google документы, так как открываются онлайн без скачивания прямо в браузере на любой платформе. Существуют российские качественные аналоги, например от Яндекса.
Будьте внимательны на мобильных устройствах, так как там используются упрощённый функционал даже в официальном приложении от Microsoft, поэтому для просмотра скачивайте PDF-версию. А если нужно редактировать файл, то используйте оригинальный файл.
Файлы такого типа обычно разбиты на страницы, а текст может быть форматированным (жирный, курсив, выбор шрифта, таблицы и т.п.), а также в него можно добавлять изображения. Формат идеально подходит для рефератов, докладов и РПЗ курсовых проектов, которые необходимо распечатать. Кстати перед печатью также сохраняйте файл в PDF, так как принтер может начудить со шрифтами.
















