Оформленное ДЗ (1041538)
Текст из файла
Домашнее задание №3
по курсу САУ
Вариант №16
Выполнил: студент Бочков С.Д.
группа МТ11-82
Проверил: Рябов В.Т.
Москва 2015 г.
-
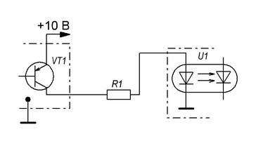
Подключить активный датчик с выходом «Открытый коллектор p-n-p» и питанием 10 В к контроллеру со входом «Открытый анод СД». Рассчитать балластный резистор светодиода, если катод подключен к 0 В, номинальный ток светодиода – 8 мА.
Принимаем падение напряжения на светодиоде:
На переходе коллектор-эмиттер транзистора:
Сопротивление балластного резистора:
Из нормального ряда сопротивлений выбираем резистор 988 Ом.
-
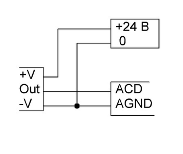
Обеспечить подключение датчика температуры с диапазоном 0..100°С, потенциальным выходом 0..10 В и питанием +24 В к входу АК контроллера 0..10 В. Выводы датчика +V, -V, Out. Рассчитать и построить характеристику Т(U). Сколько градусов приходится на дискрету, если преобразование 10-и разрядное.
Вывод –V используем в качестве земли.
Найдём характеристику датчика:
Диапазон в 100˚С делится на 210 дискрет, на одну дискрету приходится:
-
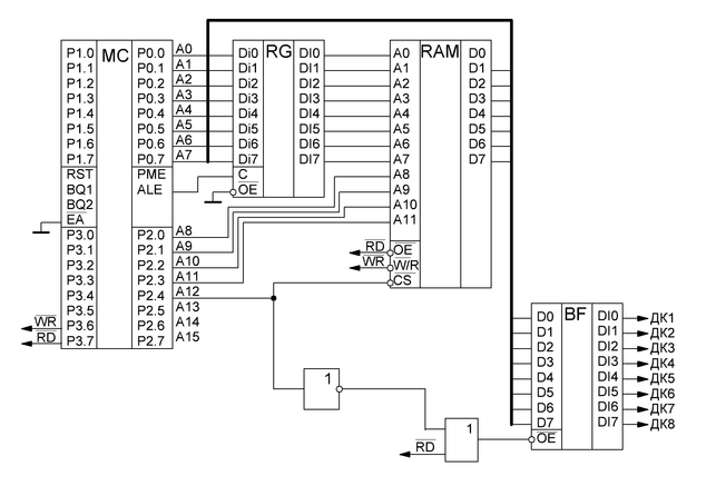
Подключить к МК внешнее ОЗУ на 4 кБ и буфер на 8 ДК. Дать пример контроля линии ДК1.
Контроль линии ДК1:
MOV DPTR,XX1XXXXXXXXXXXXXb ;Записываем адрес буфера в
;указатель данных, Х – любое ;значение
MOVX A,@DPTR ;Записываем в аккумулятор ;содержимое буфера
ANL A,#00000001b ;Определяем значение ;младшего бита (ДК1)
;с помощью приёма ;маскирования
JZ rel ;переход к подпрограмме если ;ДК1=0
Характеристики
Тип файла документ
Документы такого типа открываются такими программами, как Microsoft Office Word на компьютерах Windows, Apple Pages на компьютерах Mac, Open Office - бесплатная альтернатива на различных платформах, в том числе Linux. Наиболее простым и современным решением будут Google документы, так как открываются онлайн без скачивания прямо в браузере на любой платформе. Существуют российские качественные аналоги, например от Яндекса.
Будьте внимательны на мобильных устройствах, так как там используются упрощённый функционал даже в официальном приложении от Microsoft, поэтому для просмотра скачивайте PDF-версию. А если нужно редактировать файл, то используйте оригинальный файл.
Файлы такого типа обычно разбиты на страницы, а текст может быть форматированным (жирный, курсив, выбор шрифта, таблицы и т.п.), а также в него можно добавлять изображения. Формат идеально подходит для рефератов, докладов и РПЗ курсовых проектов, которые необходимо распечатать. Кстати перед печатью также сохраняйте файл в PDF, так как принтер может начудить со шрифтами.
















