3 (1041537)
Текст из файла
-
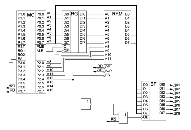
Подключить к МК внешнее ОЗУ на 4 кБ и буфер на 8 ДК. Дать пример контроля линии ДК1.
Контроль линии ДК1:
MOV DPTR,XX1XXXXXXXXXXXXXb ;Записываем адрес буфера в
;указатель данных, Х – любое ;значение
MOVX A,@DPTR ;Записываем в аккумулятор ;содержимое буфера
ANL A,#00000001b ;Определяем значение ;младшего бита (ДК1)
;с помощью приёма ;маскирования
JZ rel ;переход к подпрограмме если ;ДК1=0
Характеристики
Тип файла документ
Документы такого типа открываются такими программами, как Microsoft Office Word на компьютерах Windows, Apple Pages на компьютерах Mac, Open Office - бесплатная альтернатива на различных платформах, в том числе Linux. Наиболее простым и современным решением будут Google документы, так как открываются онлайн без скачивания прямо в браузере на любой платформе. Существуют российские качественные аналоги, например от Яндекса.
Будьте внимательны на мобильных устройствах, так как там используются упрощённый функционал даже в официальном приложении от Microsoft, поэтому для просмотра скачивайте PDF-версию. А если нужно редактировать файл, то используйте оригинальный файл.
Файлы такого типа обычно разбиты на страницы, а текст может быть форматированным (жирный, курсив, выбор шрифта, таблицы и т.п.), а также в него можно добавлять изображения. Формат идеально подходит для рефератов, докладов и РПЗ курсовых проектов, которые необходимо распечатать. Кстати перед печатью также сохраняйте файл в PDF, так как принтер может начудить со шрифтами.
















