Оформленное ДЗ (1041533)
Текст из файла
Вариант 14.
-
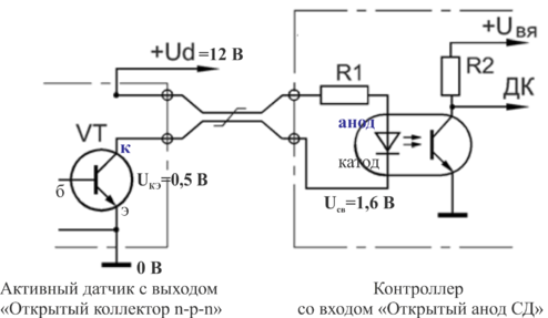
Подключить активный датчик с выходом «Открытый коллектор n-p-n» и питанием 12 В к контроллеру со входом «Открытый анод СД». Рассчитать балластный резистор светодиода, если катод подключен к 0 В номинальный ток светодиода – 8 мА.
| Дано:
| Решение: |
|
| |
|
| |
2. Обеспечить подключение датчика температуры с диапазоном 0..500°С, потенциальным выходом 0..10 В и питанием +12 В к входу АК контроллера 0..10 В. Выводы датчика +V, -V, Out.
Рассчитать и построить характеристику Т(U). Сколько градусов приходится на дискрету, если преобразование 12-и разрядное.
| Рис 2.1 - Схема подключения датчика температуры к входу АК контроллера |
| Рис 2.2 - Характеристика Т=Т(U) На 1 дискрету приходится |
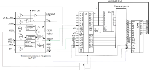
3. Подключить к МК супервизор МАХ-691 и внешнее энергонезависимое ОЗУ. Дать примеры обращения к младшей и старшей ячейке ОЗУ.
| Примеры обращения к младшей и старшей ячейке ОЗУ: MOV A,0001001b MOV DPTR,1000h ;адрес младшей ячейки MOV DPTR, FFFFh ;адрес старшей ячейки MOV @DPTR,A – записать содержимое аккумулятора в ячейку памяти с адрес которой содержится в регистре, указателе данных DPTR. MOV А,@DPTR – записать содержимое ячейки памяти с адрес которой содержится в регистре, указателе данных DPTR, в аккумулятор. |
Характеристики
Тип файла документ
Документы такого типа открываются такими программами, как Microsoft Office Word на компьютерах Windows, Apple Pages на компьютерах Mac, Open Office - бесплатная альтернатива на различных платформах, в том числе Linux. Наиболее простым и современным решением будут Google документы, так как открываются онлайн без скачивания прямо в браузере на любой платформе. Существуют российские качественные аналоги, например от Яндекса.
Будьте внимательны на мобильных устройствах, так как там используются упрощённый функционал даже в официальном приложении от Microsoft, поэтому для просмотра скачивайте PDF-версию. А если нужно редактировать файл, то используйте оригинальный файл.
Файлы такого типа обычно разбиты на страницы, а текст может быть форматированным (жирный, курсив, выбор шрифта, таблицы и т.п.), а также в него можно добавлять изображения. Формат идеально подходит для рефератов, докладов и РПЗ курсовых проектов, которые необходимо распечатать. Кстати перед печатью также сохраняйте файл в PDF, так как принтер может начудить со шрифтами.
- сопротивление балластного резистора
- напряжение питания датчика, 12 В.
- падение напряжения на открытом транзисторе VT датчика (около 0,5 В).
- падение напряжения на светодиоде (около 1,6 В);
– номинальный ток светодиода , 8 мА.
Oм (по ряду E12)
°С.















