3 (1041532)
Текст из файла
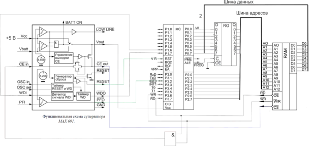
3. Подключить к МК супервизор МАХ-691 и внешнее энергонезависимое ОЗУ. Дать примеры обращения к младшей и старшей ячейке ОЗУ.
| Примеры обращения к младшей и старшей ячейке ОЗУ: MOV A,0001001b MOV DPTR,1000h ;адрес младшей ячейки MOV DPTR, FFFFh ;адрес старшей ячейки MOV @DPTR,A – записать содержимое аккумулятора в ячейку памяти с адрес которой содержится в регистре, указателе данных DPTR. MOV А,@DPTR – записать содержимое ячейки памяти с адрес которой содержится в регистре, указателе данных DPTR, в аккумулятор. |
Характеристики
Тип файла документ
Документы такого типа открываются такими программами, как Microsoft Office Word на компьютерах Windows, Apple Pages на компьютерах Mac, Open Office - бесплатная альтернатива на различных платформах, в том числе Linux. Наиболее простым и современным решением будут Google документы, так как открываются онлайн без скачивания прямо в браузере на любой платформе. Существуют российские качественные аналоги, например от Яндекса.
Будьте внимательны на мобильных устройствах, так как там используются упрощённый функционал даже в официальном приложении от Microsoft, поэтому для просмотра скачивайте PDF-версию. А если нужно редактировать файл, то используйте оригинальный файл.
Файлы такого типа обычно разбиты на страницы, а текст может быть форматированным (жирный, курсив, выбор шрифта, таблицы и т.п.), а также в него можно добавлять изображения. Формат идеально подходит для рефератов, докладов и РПЗ курсовых проектов, которые необходимо распечатать. Кстати перед печатью также сохраняйте файл в PDF, так как принтер может начудить со шрифтами.
















