Оформленное ДЗ (1041528)
Текст из файла
14 баллов, см. замечания.
Системы автоматического управления. Домашнее задание №3. Товмаченко Дмитрий Константинович, МТ11-81, Вариант № 13.
-
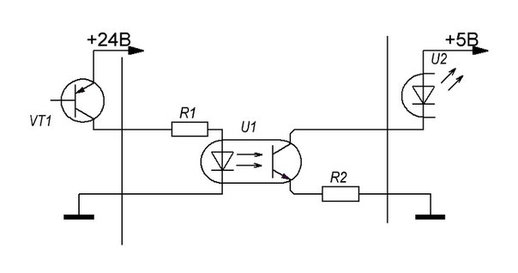
Подключить активный датчик с выходом «Открытый коллектор p-n-p» и питанием 24 В к контроллеру со входом «Открытый катод СД». Рассчитать балластный резистор светодиода, если анод получает питание +12 В, номинальный ток светодиода – 12 мА.
Падение напряжения на светодиоде составляет 1,6..2,4 вольта. 1,6 относится к красным светодиодам, которые обычно стоят в оптопарах.
Резистор R2 обычно включают в цепь коллектора фототрвнзистора или до светодиода. Если включить в цепь эмиттера, как у Вас, протекающий через резистор R2 ток будет повышать потенциал эмиттера и препятствовать базовому фототоку.
Ответ: 1 кОм
-
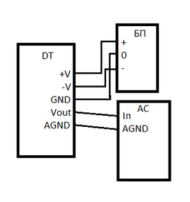
Обеспечить подключение датчика давления с диапазоном 0..200 кПа, потенциальным выходом 0..10 В и питанием +12 В к входу АК контроллера 0..10 В. Выводы датчика +V, -V, Out.Рассчитать и построить характеристику Р(U). Сколько Паскалей приходится на дискрету, если преобразование 12-и разрядное.
У Вас в схеме выводы не соответствуют заданным
A(0;0)
B(200;10)
b=0
Зависимость P(U):
Дискрета: 212=4096
200/4096=0,488 кПа = 488 Па на дискрету
-
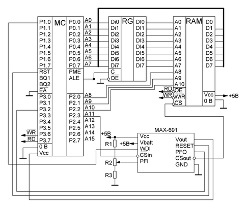
Подключить к МК супервизор МАХ-691 и внешнее энергонезависимое ОЗУ. Дать примеры обращения к младшей и старшей ячейке ОЗУ.
Делитель напряжения (R1-R2-R3) обеспечивает потенциал 1.25 В на входе PFI в начальной стадии падения питающего напряжения.
Обращение к младшей ячейке ОЗУ:
MOV DPTR,#0000h ;записываем адрес младшей ячейки в указатель данных
MOV A,#01010101 ;задаём значение, записываемое в ячейку
MOVX @DPTR,A ;записываем значение в ячейку
Обращение к старшей ячейке ОЗУ:
MOV DPTR,#07FFh ;записываем адрес старшей ячейки в указатель данных
При таком адресе 0000.0111.1111.1111b А11 будет в нуле – все правильно.
MOV A,#01010101 ;задаём значение, записываемое в ячейку
MOVX @DPTR,A ;записываем значение в ячейку
Характеристики
Тип файла документ
Документы такого типа открываются такими программами, как Microsoft Office Word на компьютерах Windows, Apple Pages на компьютерах Mac, Open Office - бесплатная альтернатива на различных платформах, в том числе Linux. Наиболее простым и современным решением будут Google документы, так как открываются онлайн без скачивания прямо в браузере на любой платформе. Существуют российские качественные аналоги, например от Яндекса.
Будьте внимательны на мобильных устройствах, так как там используются упрощённый функционал даже в официальном приложении от Microsoft, поэтому для просмотра скачивайте PDF-версию. А если нужно редактировать файл, то используйте оригинальный файл.
Файлы такого типа обычно разбиты на страницы, а текст может быть форматированным (жирный, курсив, выбор шрифта, таблицы и т.п.), а также в него можно добавлять изображения. Формат идеально подходит для рефератов, докладов и РПЗ курсовых проектов, которые необходимо распечатать. Кстати перед печатью также сохраняйте файл в PDF, так как принтер может начудить со шрифтами.
















