3 (1041527)
Текст из файла
-
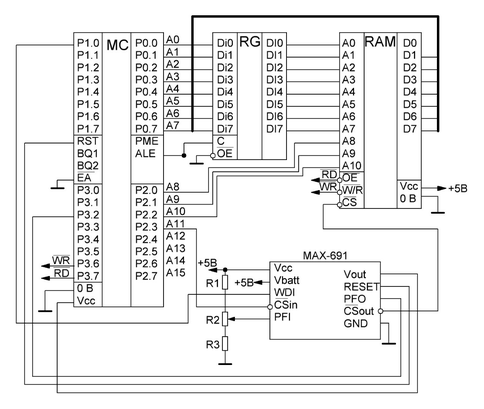
Подключить к МК супервизор МАХ-691 и внешнее энергонезависимое ОЗУ. Дать примеры обращения к младшей и старшей ячейке ОЗУ.
Делитель напряжения (R1-R2-R3) обеспечивает потенциал 1.25 В на входе PFI в начальной стадии падения питающего напряжения.
Обращение к младшей ячейке ОЗУ:
MOV DPTR,#0000h ;записываем адрес младшей ячейки в указатель данных
MOV A,#01010101 ;задаём значение, записываемое в ячейку
MOVX @DPTR,A ;записываем значение в ячейку
Обращение к старшей ячейке ОЗУ:
MOV DPTR,#07FFh ;записываем адрес старшей ячейки в указатель данных
При таком адресе 0000.0111.1111.1111b А11 будет в нуле – все правильно.
MOV A,#01010101 ;задаём значение, записываемое в ячейку
MOVX @DPTR,A ;записываем значение в ячейку
Характеристики
Тип файла документ
Документы такого типа открываются такими программами, как Microsoft Office Word на компьютерах Windows, Apple Pages на компьютерах Mac, Open Office - бесплатная альтернатива на различных платформах, в том числе Linux. Наиболее простым и современным решением будут Google документы, так как открываются онлайн без скачивания прямо в браузере на любой платформе. Существуют российские качественные аналоги, например от Яндекса.
Будьте внимательны на мобильных устройствах, так как там используются упрощённый функционал даже в официальном приложении от Microsoft, поэтому для просмотра скачивайте PDF-версию. А если нужно редактировать файл, то используйте оригинальный файл.
Файлы такого типа обычно разбиты на страницы, а текст может быть форматированным (жирный, курсив, выбор шрифта, таблицы и т.п.), а также в него можно добавлять изображения. Формат идеально подходит для рефератов, докладов и РПЗ курсовых проектов, которые необходимо распечатать. Кстати перед печатью также сохраняйте файл в PDF, так как принтер может начудить со шрифтами.
















