Оформленное ДЗ (1041503)
Текст из файла
Московский ордена Ленина, ордена Октябрьской Революции и ордена Трудового Красного Знамени Государственный Технический Университет имени Н. Э. Баумана
ФАКУЛЬТЕТ: Машиностроительные Технологии
КАФЕДРА: “Электронные технологии в
машиностроение”
Домашняя работа №3
по курсу «Системы автоматического управления»
Студент
Гулевский И.С.
Группы МТ11-81
Преподаватель
Рябов В.Т.
Москва 2015г
-
ЗАДАНИЕ
Вариант 5.
-
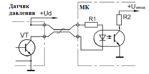
Подключить активный датчик с выходом «Открытый коллектор n-p-n» и питанием 12 В к контроллеру со входом «Открытый анод СД». Рассчитать балластный резистор светодиода, если катод подключен к 0 В номинальный ток светодиода – 12 мА.
-
Обеспечить подключение датчика давления с диапазоном 0..200 кПа, потенциальным выходом 0..10 В и питанием +12 В к входу АК контроллера 0..10 В. Выводы датчика +V, -V, Out, AGND. Рассчитать и построить характеристику Р(U). Сколько Паскалей приходится на дискрету, если преобразование 12-и разрядное.
-
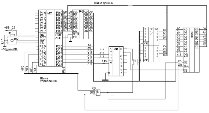
Подключить к МК внешнее ОЗУ на 4 кБ и буфер на 8 ДК.
2.Решение
1. Схема подключения датчика к микроконтроллеру:
Исходя из данных условия, можем вычислить балластное сопротивление:
-
Диапазон 0 - 200 кПа
-
Потенциальный выход 0 - 10 В
-
Питание +12 В
-
АК контроллер 0 - 10 В
Схема подключения датчика давления к АК контроллеру:
Выводы +V и -V цифрового блока на схеме обозначены через
и цифровую землю.
График зависимости P(U):
При условии что преобразование 12 – ти разрядное получим:
-
Внешнее ОЗУ на 4 кБ и буфер на 8 ДК
Характеристики
Тип файла документ
Документы такого типа открываются такими программами, как Microsoft Office Word на компьютерах Windows, Apple Pages на компьютерах Mac, Open Office - бесплатная альтернатива на различных платформах, в том числе Linux. Наиболее простым и современным решением будут Google документы, так как открываются онлайн без скачивания прямо в браузере на любой платформе. Существуют российские качественные аналоги, например от Яндекса.
Будьте внимательны на мобильных устройствах, так как там используются упрощённый функционал даже в официальном приложении от Microsoft, поэтому для просмотра скачивайте PDF-версию. А если нужно редактировать файл, то используйте оригинальный файл.
Файлы такого типа обычно разбиты на страницы, а текст может быть форматированным (жирный, курсив, выбор шрифта, таблицы и т.п.), а также в него можно добавлять изображения. Формат идеально подходит для рефератов, докладов и РПЗ курсовых проектов, которые необходимо распечатать. Кстати перед печатью также сохраняйте файл в PDF, так как принтер может начудить со шрифтами.
















