снип ii-23-81 (1990) (1041426), страница 9
Текст из файла (страница 9)
6.16*. Гибкости растянутых элементов не должны превышать значений, приведенных в табл. 20*.
Таблица 20*
| Предельная гибкость растянутых элементов при воздействии на конструкцию нагрузок | |||
| Элементы конструкции | динамических, приложенных непосредственно к конструкции | статических | от кранов (см. прим. 4) и железнодорожных составов |
| 1. Пояса и опорные раскосы плоских ферм (включая тормозные фермы) и структурных конструкций | 250 | 400 | 250 |
| 2. Элементы ферм и структурных конструкций, кроме указанных в поз. 1 | 350 | 400 | 300 |
| 3. Нижние пояса подкрановых балок и ферм | – | – | 150 |
| 4. Элементы вертикальных связей между колоннами (ниже подкрановых балок) | 300 | 300 | 200 |
| 5. Прочие элементы связей | 400 | 400 | 300 |
| 6*. Пояса, опорные раскосы стоек и траверс, тяги траверс опор линий электропередачи, открытых распределительных устройств и линий контактных сетей транспорта | 250 | – | – |
| 7. Элементы опор линий электропередачи, кроме указанных в поз. 6 и 8 | 350 | – | – |
| 8. Элементы пространственных конструкций таврового и крестового сечений (а в тягах траверс опор линий электропередачи и из одиночных уголков), подверженных воздействию ветровых нагрузок, при проверке гибкости в вертикальной плоскости | 150 | – | – |
| Примечания: 1. В конструкциях, не подвергающихся динамическим воздействиям, гибкость растянутых элементов следует проверять только в вертикальных плоскостях. 2. Гибкость растянутых элементов, подвергнутых предварительному напряжению, не ограничивается. 3. Для растянутых элементов, в которых при неблагоприятном расположении нагрузки может изменяться знак усилия, предельную гибкость следует принимать как для сжатых элементов, при этом соединительные прокладки в составных элементах необходимо устанавливать не реже чем через 40i. 4. Значения предельных гибкостей следует принимать при кранах групп режимов работы 7К (в цехах металлургических производств) и 8К по ГОСТ 25546–82. 5. К динамическим нагрузкам, приложенным непосредственно к конструкциям, относятся нагрузки, принимаемые в расчетах на выносливость или в расчетах с учетом коэффициентов динамичности. | |||
7. ПРОВЕРКА УСТОЙЧИВОСТИ СТЕНОК И ПОЯСНЫХ ЛИСТОВ
ИЗГИБАЕМЫХ И СЖАТЫХ ЭЛЕМЕНТОВ
СТЕНКИ БАЛОК
7.1. Стенки балок для обеспечения их устойчивости следует укреплять:
поперечными основными ребрами, поставленными на всю высоту стенки;
поперечными основными и продольными ребрами;
поперечными основными и промежуточными короткими ребрами и продольным ребром (при этом промежуточные короткие ребра следует располагать между сжатым поясом и продольным ребром).
Прямоугольные отсеки стенки (пластинки), заключенные между поясами и соседними поперечными основными ребрами жесткости, следует рассчитывать на устойчивость. При этом расчетными размерами проверяемой пластинки являются:
a – расстояние между осями поперечных основных ребер;
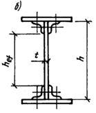
hef – расчетная высота стенки (рис. 10), равная в сварных балках полной высоте стенки, в балках с поясными соединениями на высокопрочных болтах – расстоянию между ближайшими к оси балки краями поясных уголков, в балках, составленных из прокатных профилей, – расстоянию между началами внутренних закруглений, в гнутых профилях (рис. 11) – расстоянию между краями выкружек;
t – толщина стенки.
Рис. 10. Расчетная высота стенки составной балки
а – сварной из листов; б – на высокопрочных болтах; в – сварной с таврами
7.2*. Расчет на устойчивость стенок балок следует выполнять с учетом всех компонентов напряженного состояния (, и loc).
Напряжение , и loc следует вычислять в предположении упругой работы материала по сечению брутто без учета коэффициента b.
Сжимающее напряжение у расчетной границы стенки, принимаемое со знаком "плюс", и среднее касательное напряжение следует вычислять по формулам:
где h – полная высота стенки;
M и Q – средние значения соответственно момента и поперечной силы в пределах отсека; если длина отсека больше его расчетной высоты, то M и Q следует вычислять для более напряженного участка с длиной, равной высоте отсека; если в пределах отсека момент или поперечная сила меняют знак, то их средние значения следует вычислять на участке отсека с одним знаком.
Местное напряжение loc в стенке под сосредоточенной нагрузкой следует определять согласно требованиям пп. 5.13 и 13.34* (при f1 = 1,1) настоящих норм.
В отсеках, где сосредоточенная нагрузка приложена к растянутому поясу, одновременно должны быть учтены только два компонента напряженного состояния: и или loc и .
Односторонние поясные швы следует применять в балках, в которых при проверке устойчивости стенок значения левой части формулы (74) не превышают 0,9c при w 3,8 и c при w 3,8.
7.3. Устойчивость стенок балок не требуется проверять, если при выполнении условий (33) условная гибкость стенки
не превышает значений:
3,5 – при отсутствии местного напряжения в балках с двусторонними поясными швами;
3,2 – то же, в балках с односторонними поясными швами;
2,5 – при наличии местного напряжения в балках с двусторонними поясными швами.
При этом следует устанавливать поперечные основные ребра жесткости согласно требованиям пп. 7.10, 7.12 и 7.13 настоящих норм.
7.4*. Расчет на устойчивость стенок балок симметричного сечения, укрепленных только поперечными основными ребрами жесткости, при отсутствии местного напряжения (loc = 0) и условной гибкости стенки w 6 следует выполнять по формуле
где c – коэффициент, принимаемый по табл. 6* настоящих норм;
В формуле (75) коэффициент ccr следует принимать:
для сварных балок – по табл. 21 в зависимости от значения коэффициента :
Таблица 21
| | 0,8 | 1,0 | 2,0 | 4,0 | 6,0 | 10,0 | 30 |
| ccr | 30,0 | 31,5 | 33,3 | 34,6 | 34,6 | 35,1 | 35,5 |
где bf и tf – соответственно ширина и толщина сжатого пояса балки;
– коэффициент принимаемый по табл. 22;
для балок на высокопрочных болтах ccr = 35,2.
Таблица 22
| Балки | Условия работы сжатого пояса | |
| Подкрановые | Крановые рельсы не приварены | 2 |
| Крановые рельсы приварены | | |
| Прочие | При непрерывном опирании плит | |
| В прочих случаях | 0,8 | |
| Примечание. Для отсеков подкрановых балок, где сосредоточенная нагрузка приложена к растянутому поясу, при вычислении коэффициента следует принимать = 0,8. | ||
где d – меньшая из сторон пластинки (hef или a);
– отношение большей стороны пластинки к меньшей.
7.5. Расчет на устойчивость стенок балок симметричного сечения с учетом развития пластических деформаций при отсутствии местного напряжения (loc = 0) и при 0,9Rs, Af /Aw 0,25, 2,2
6 следует выполнять по формуле
M Rych2eft(Af /Aw + ), (78)
где = 0,24 – 0,15(/Rs)2 – 8,5 (
– 2,2)2;
здесь c следует принимать по табл. 6*, а – определять по формуле (73).
7.6*. Расчет на устойчивость стенок балок симметричного сечения, укрепленных только поперечными основными ребрами жесткости (рис. 12), при наличии местного напряжения (loc 0) следует выполнять по формуле
где c – следует принимать по табл. 6* настоящих норм;
; loc; – определять согласно требованиям п. 7.2*;
cr – определять по формуле (76).
Значения cr и loc,cr в формуле (79) следует определять:
а) при a/hef 0,8
cr – по формуле (75);
где c1 – коэффициент, принимаемый для сварных балок по табл. 23 в зависимости от отношения a/hef и значения вычисляемого по формуле (77), а для балок на высокопрочных болтах – по табл. 23,а;
Рис. 12. Схема балки, укрепленной поперечными основными ребрами жесткости (1)
а – сосредоточенная нагрузка F приложена к сжатому поясу; б – то же, к растянутому поясу
Если нагружен растянутый пояс, то при расчете стенки с учетом только loc и при определении коэффициента по формуле (77) за bf и tf следует принимать соответственно ширину и толщину нагруженного растянутого пояса;
















