Датчики скорости вращения (Пример ДЗ) (1041235), страница 2
Текст из файла (страница 2)
Недостатки: шум, вибрация, производимые при движении излучателя, а также низкое разрешение.
5. Магниторезистивные датчики скорости вращения преобразуют измеряемую неэлектрическую величину в изменение сопротивления ферромагнитных материалов.
Устройство. Датчик состоит из измерительной катушки, которая снабжается магнитным сердечником. Катушка помещена перед диском или перед вращающимся ферромагнитным телом.
Принцип действия основан на магниторезистивном эффекте. Этот эффект заключается в том, что некоторые ферромагнитные материалы изменяют свое электрическое сопротивление при воздействии магнитного поля. Степень этого изменения зависит от величины напряженности магнитного поля и угла между вектором напряженности и направлением тока. На магнитный сердечник катушки воздействует поток индукции постоянного магнита. Последовательность скачков магнитных свойств диска или вращающегося тела вызывает периодическое изменение магнитного сопротивления в магнитной цепи катушки, которое наводит в ней э.д.с. с частотой, пропорциональной скорости вращения.
Магнит, установленный на оси вращения, при каждом обороте проходит один раз мимо магниторезистивного датчика, вызывая изменение его сопротивления (см. рис.1).
Рис.1. Схема реализации магниторезистивного датчика вращения.
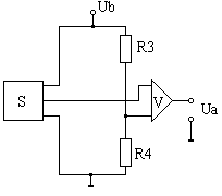
Изменение сопротивления с помощью схемы, показанной на рис. 2, преобразуется в изменение напряжения Uа. Зависимость выходного напряжения сигнала от времени показана на рис. 3.
Рис.2. Схема изменения сопротивления.
Рис.3. Зависимость выходного напряжения сигнала от времени.
Достоинства: простота устройства, надёжность, дешевизна.
Благодаря своим достоинствам микроэлектронные магниторезистивные датчики скорости вращения нашли широкое применение в автомобильной и бытовой технике.
2. Микроэлектронный магниторезистивный датчик скорости вращения
2.1. Магниторезистивный эффект в датчиках.
Под названием «магниторезистивный эффект» (или эффект Гаусса) понимают наличие зависимости электрического сопротивления токопроводящих магнитных материалов (ферромагнетиков) от внешнего магнитного поля.
Это явление вызвано тем, что носители заряда, перемещающиеся в полупроводнике под действием электрического поля, не имеют одинаковых скоростей. В результате этого поперечным полем Холла компенсируется влияние силы Лоренца только на носители заряда, имеющие среднюю скорость. Следовательно, будут существовать носители заряда, имеющие скорость, большую или меньшую средней, траектория которых будет искривлена. Искривление траектории приведёт к большему числу столкновений (т.е. уменьшению длины свободного пробега), и, тем самым, к повышению удельного сопротивления полупроводника.
Увеличение электрического сопротивления под действием магнитного поля может происходить в двух случаях:
1) вектор магнитной индукции направлен перпендикулярно направлению протекания тока в пластине (поперечный магниторезистивный эффект),
2) вектор магнитной индукции параллелен направлению тока (продольный магниторезистивный эффект). Однако при этом наблюдается незначитальное изменение сопротивления.
Характеристикой магниторезистивного эффекта служит коэффициент магниторезистивного эффекта /, равный отношению изменения удельного сопротивления под действием внешнего магнитного поля к удельному сопротивлению ферромагнетика.
Работа датчика магнитного поля показана на рис.4.
Рис.4. Работа магниторезистивного датчика
Датчик представляет собой полоску ферромагнитного материала, называемого пермаллой (20% Fe и 80% Ni). При отсутствии внешнего магнитного поля, пермаллой обладает собственным вектором намагниченности, параллельным направлению тока. При приложении внешнего магнитного поля H, параллельного плоскости пермаллоя и перпендикулярного направлению тока, собственный вектор намагниченности повернется на угол . В результате, сопротивление R изменится как функция угла поворота :
R = R0 + R0cos2,
где R0 и R0 - параметры материала.
Параметры пермаллоя. Сплав обладает высокой магнитной проницаемостью, почти нулевой магнитострикцией и значительным магниторезистивным эффектом. Благодаря низкой магнитострикции сплав применяется в прецизионных магнитомеханических устройствах и других устройствах, где требуется стабильность размеров в меняющемся магнитном поле. Электрическое сопротивление пермаллоя меняется обычно в пределе 5 % в зависимости от силы и направления действующего магнитного поля.
Магниторезистивный эффект носит нелинейный характер, поэтому на практике для упрощения формирования сигнала датчика используется линеаризация магниторезистивного эффекта посредством нанесения алюминиевых полосок поверх пленки пермаллоя под углом 45.
2.2. Материалы и вопросы технологии.
Критерии выбора магниторезистивных материалов:
1) Большой коэффициент магниторезистивного эффекта;
2) Большое значение удельного сопротивления пленки (для достижения высокого значения сопротивления на малой площади);
3) Анизотропность;
4) Отсутствие магнитострикции (для предотвращения влияния механических воздействий);
5) Долговременная стабильность.
Материалы, соответствующие критериям выбора:
Бинарные и тройные сплавы Ni, Fe и Co. Самый распространённый - NiFe (81/19).
Формирование пленки пермаллоя происходит на кремниевой пластине.
Достоинства: хорошо освоенная технология, относительная дешевизна, высокая теплопроводность кремния, отсутствие экранирования и искажения магнитного поля.
Анизотропность: для выполнения требования одноосной анизотропии, пленки пермаллоя напыляются в магнитном поле.
Нанесение пленки пермаллоя происходит в магнетронном распылительном устройстве с мишенью из пермаллоя.
Конструкция. В магниторезистивных датчиках используются четыре полоски пермаллоя, выполненные в виде меандра на кремниевой пластине. Они соединены в измерительный мост Уитстона. В присутствии магнитного поля номиналы резисторов изменяются, приводя к разбалансу моста и появлению выходного сигнала, пропорционального напряженности магнитного поля. Результирующий разбаланс измерительного моста становится линейной функцией амплитуды внешнего магнитного поля.
2.3. Интегральная схема формирования сигнала датчика.
Магниторезистивные датчики – это бистабильные устройства, которые обладают двумя противоположными рабочими характеристиками. Это объясняется тем, что при изменении направления внешнего магнитного поля, при определенных условиях пленка пермаллоя может намагнититься в противоположном направлении. Поэтому для стабилизации характеристик датчика требуется внешнее магнитное поле.
Соответствующим образом расположенный магнит может выполнять как стабилизацию, так и обратное смещение. Такой магнит приклеивается к обратной стороне датчика так, что датчик пронизывается однородным магнитным полем. При этом компонента поля вдоль чувствительного направления отсутствует и на выходе датчика сигнал равен нулю.
При приближении ферромагнитного вращающегося объекта к датчику, магнитное поле постоянного магнита изменяется в зависимости от положения объекта, как показано на рис. 5.
Рис.5. Изменение магнитного поля постоянного магнита
б,г – “симметричное” положение; а, в - “несимметричное” положение.
В “симметричном” положении, когда зуб или впадина вращающегося объекта находятся точно напротив датчика, объект не оказывает влияния на магнитное поле датчика. При этом на выходе датчика сигнал равен нулю.
В “несимметричном” положении влияние объекта и амплитуда сигнала на выходе датчика зависят от конкретного расположения объекта относительно датчика.
Максимальное напряжение на выходе датчика зависит:
1) от величины напряженности магнитного поля,
2) от расстояния между датчиком и вращающимся объектом,
3) от структуры вращающегося объекта.
Описанный выше принцип работы относится к датчикам с так называемыми “пассивными” вращающимися объектами, которые сами не намагничены.
В случае “активных” вращающихся объектов сам объект обеспечивает “рабочее” магнитное поле, и постоянный магнит не используется.
Достоинство методов: высокая точность измерений, поскольку частота выходного сигнала прямо пропорциональна скорости вращения.
Формирование выходного сигнала датчика:
1) фильтрация, обеспечивающая электромагнитную совместимость (ЭМС),
2) усиление,
3) термокомпенсация,
4) гистерезис переключения.
Выходной сигнал датчика проходит через ЭМС фильтр, усиливается и дискретизируется посредством компаратора, имеющего встроенный гистерезис переключения, выполненный на триггере Шмитта. Стабилизатор напряжения обеспечивает датчик, усилитель и компаратор напряжением 5 В. (см. рис.6).
Рис.6. Схема формирования выходного сигнала датчика.
Во время функционирования выходной ток ICC изменяется между значениями 7 мА и 14 мА. Это происходит за счёт применения в датчиках двух источников тока, интегрированных на одной ИС.
Схема подключения датчика показана на рис. 7.
Рис.7. Схема подключения датчика.
Гистерезис переключения необходим для предотвращения нежелательных электрических переключений, вызванных следующими факторами:
1) механическими вибрациями датчика или зубчатого колеса;
2) электрическими помехами (ЭМС);
3) генерацией схемы при очень низких скоростях вращения.
Триггер Шмитта функционально является компаратором, уровни включения и выключения которого различаются на величину гистерезиса переключения.
Таким образом, синусоидальный сигнал датчика преобразуется в сигнал прямоугольной формы (см. рис.8).
Рис.8. Выходной сигнал датчика.
2.4. Размещение датчика при измерении скорости вращения.
Зазор d – один из самых важных параметров при установке датчика для измерения скорости вращения.
Зазор определяется как расстояние между лицевой стороной датчика и вершиной зубца, измеренное на центральной оси магнита (см. рис.9). По превышению определенного значения зазора значение тока ICC остается постоянным равным 7 мА.
Рис.9. Зазор датчика.
Принцип работы. Вращение ферромагнитного зубчатого колеса в магнитном поле системы датчика индуцирует в колесе вихревые токи (токи Фуко). При этом генерируется напряжение смещения нуля на выходе датчика, которое линейно возрастает с ростом скорости вращения. Максимальный зазор незначительно уменьшается на высоких частотах.
Факторы, влияющие на размещение датчика относительно зубчатого колеса:
1) Значения а) угла между осями симметрии датчика и зубчатого колеса (в плоскости Y-Z) и б) горизонтального сдвига y относительно оптимального положения датчика должны быть минимальны.
2) При сдвиге датчика в направлении оси X, x-составляющая поля магнита приводит к несимметричному поведению, поэтому значение x должно быть минимизировано.
3. Графические материалы
3.1. Температурные зависимости.
Зависимость выходного тока датчика от температуры окружающей среды
Зависимость времени переключения импульса выходного тока от температуры
















