48-59 (1039443), страница 2
Текст из файла (страница 2)
Последовательность импульсов (в виде 4-х разрядного позиционного кода) для каждой из координат через реверсивный счетчик поступает на преобразователь код-напряжение (ПКН), где преобразовывается в ступенчатое напряжение, характеризующее выбранный знак по каждой координате.
Ступенчатое напряжение с ПКН через схему поворота (при данном типе донесения не участвует в работе) поступает на аналоговые сумматоры-усилители.
Начальные напряжения Uхо и Uуо с выходов ПКН-Х и ПКН-У (с выхода генератора знакомест) поступают на сумматоры генератора знаков, где складываются с напряжениями для данного отображаемого знака.
Таким образом, в выбранной точке экрана будет отображен 1-й знак строки.
Программа отображения знака заканчивается отображением последнего сегмента знака и формированием импульса ИКЗ, в следствии чего в счетчик номера знака добавляется "1". С выхода счетчика 4-х разрядный код (1р...4р) поступает в УОП в виде номера знака (№Зн), необходимого для отображения знака на 2-м знакоместе. В ответ на это УОП выдает в БГЗ новый 8-ми разрядный код и процесс отображения знака повторяется.
После отображения последнего знака строки, схема формирования импульса ИКЗГ (после совпадения кода номера знака и кода количества знаков) вырабатывает ИКЗГ, который поступает в ЦВУ и на счетчик знакомест по Х и переводит луч в начало второй строки. Процесс отображения знаков во второй строке повторяется аналогично отображению знаков в первой строке.
Взаимодействие элементов БГЗ по структурной схеме при поступлении типа донесения Т-РМ
Цикл знакогенерирования начинается с приходом из УОП:
-
типа донесения "Точка рабочего места" (Т-РМ);
-
4-х разрядного кода номера строки (N"Стр), который при данном типе донесения является кодом угла поворота знака.
БГЗ в данном случае формирует 5-ти значный формуляр для БИО с поворотом знака, стоящего на 1-м знакоместе с дискретностью 22,5 (в соответствии с 4-х разрядным кодом №Стр).
Вентили №Стр будут закрыты запрещающим сигналом Т-РМ, а 4-х разрядный код №Стр (в данном случае код угла поворота знака) через вентили поворота поступает на схему поворота.
Работа БГЗ начинается с приходом импульса начала знакогенерирования (ИНЗГ) из цифрового вычислительного устройства (ЦВУ).
Под действием импульса ИНЗГ происходит:
1. Формирование импульса начала знака (ИНЗ);
2. Формирование коммутирующего импульса знака (КИЗН-1), разрешающий отображение знака на БИО;
3. В счетчик номера знака заносится 1;
4. Производится начальная установка счетчиков знакомест по координатам Х и У (разрешается запись в них 4-х разрядного кода номера строки).
Программа выбора отображаемого знака запускается и работает аналогично описанному выше (при поступлении типа донесения ЗнТ).
При необходимости отображать знак, повернутый на некоторый угол j (с дискретностью 22,5 градуса) на схему поворота знака поступает четырехразрядный код, определяющий угол поворота
Преобразование осуществляется по формулам:
X = Xo Cos j - Yo Sin j
Y = Xo Sin j + Yo Cos j,
где Xo, Yo - исходные координаты знака.
После отображения необходимого для данного типа донесения количества знаков схемой формирования ИКЗГ формируется импульс поступающий в ЦВУ и на счетчик знакомест по координате Х, изменяя его состояние. Процесс повторяется.
51.Состав и назначение ЦВУ.
Цифровое вычислительное устройство (ЦВУ) рабочего места предназначено для:
- формирования управляющих сигналов разверток для БИО и БИВ;
- пересчета координат из абсолютной системы в относительную и наоборот;
- генерирования знаковой информации (при условии вхождения генератора знаков в состав ЦВУ);
- формирования импульсов подсвета вторичной информации;
- осуществления временной синхронизации и программного управления отображением и обменом информацией;
- формирования управляющих и служебных сигналов;
- приема и выдачи информации РМ.
ЦВУ состоит из:
-
схемы управления и программ;
-
вычислительного узла (ВчУ);
-
узла формирования отображаемой информации (УФОИ).
-
генератора знаков (РМ 8–18).
Рисунок 1 – Состав ЦВУ
52.Назначение,состав и порядок функционирования ВчУ ЦВУ.
Вычислительный узел (ВчУ) предназначен для:
- подготовки информации для формирования развертки на экранах индикаторов РМ;
- подготовки необходимой информации о режиме работы РМ и о координатах маркера оператора (МО) для выдачи в ЭВМ;
- пересчета координат экстраполяционных точек из полярных координат "ДАЛЬНОСТЬ – АЗИМУТ" в прямоугольные координаты Х, У для режима КР (круговая развертка);
- пересчета координат экстраполяционных точек (ЭТ), машинного маркера (ММ) и вектора из абсолютной системы координат в относительную и анализа попадания координат отображаемых точек в сектор отображения;
- подготовки вторичной информации для отображения ее на экранах индикаторов РМ;
- прием начальных условий РМ от внешних источников;
- выработки меток азимута – МА (5 и 30) и меток дальности- МД (10 км и 50 км);
- кодирования знаковой информации цифровой шкалы и отображения ее на экране;
- формирования начальных условий лупы (Х-НУЛ, У-НУЛ) для блока индикатора вспомогательного (БИВ);
- генерирования знаковых формуляров (для РМ-8...РМ-18).
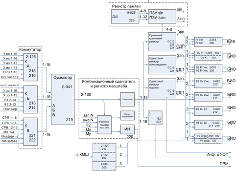
Функциональная схема вычислительного узла включает:
-
три коммутатора, с шести направлений каждый;
-
трехвходовый комбинационный сумматор;
-
комбинационный сдвигатель и регистр масштаба;
-
регистр памяти функций sin1 и sin2;
-
дешифратор функций sin1 и sin2;
-
приемный сдвиговый регистр (ПСР);
-
сдвиговый регистр произведения (СРП);
-
сдвиговый регистр выдачи(СРВ);
-
усилитель - согласователь для блока УОП;
-
регистр хранения экстрополированых координат (Рг Хэт, Рг Уэт);
-
счетчики координат Х и У (Сч Х, Сч У);
-
регистр памяти начала сектора (Рг Хнс, Рг Унс);
-
счетчики координат маркера оператора (Сч Хмо, Сч Умо);
-
счетчик азимута 1;
-
счетчик текущего азимута 2;
-
преобразователь угла наклона вектора (Рг Sin, Рг Cos).
Рисунок 2 – Функциональная схема ВчУ
3.2. Принцип работы вычислительного узла
В соответствии с программами РМ информация, подлежащая обработке, под действием управляющих сигналов через коммутаторы поступает на входы комбинационного сумматора. Комбинационный сумматор по программе производит арифметические операции над принятой информацией. С сумматора координатная информация под действием управляющих сигналов поступает на комбинационный сдвигатель, где происходит умножение информации на выбранный масштаб отображения информации.
С комбинационного сдвигателя информация записывается в соответствующие собственные регистры и через усилитель – согласователь выдается в УОП.
Для решения задач экстраполяции, преобразования и пересчета координат используются значения функции синуса, которые рассчитываются интерполяционным методом по коду угла . Значения функций sin1 и sin2 после дешифрации в двоичном коде поступает в блок УОП и на коммутаторы.
Код координат вектора курса поступает на преобразователь угла наклона вектора, где происходит формирование импульсов, количество которых пропорционально текущему значению синуса и косинуса угла наклона вектора.
В регистр начала сектора записывается информация о начале сектора укрупнения информации, которая через узел формирования отображаемой информации и блок УОП поступает на БИО.
Код координат маркера оператора с КМШ записывается в счетчик маркера оператора и выдается в БИО, а также в спецвычислитель отображения.
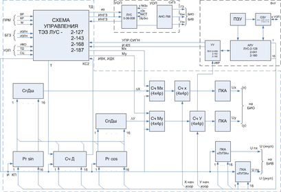
53.Назначение,состав и порядок функционирования УФОИ ЦВУ.
УФОИ предназначен для распределения во времени и выработки сигналов управления отображения на экране ЭЛТ информации, поступающей с вычислительного узла (ВчУ) ЦВУ.
УФОИ вырабатывает:
- напряжения отклонения и подсвета маркера оператора (МО) и машинного маркера (ММ);
- напряжения отклонения и подсвета координатных точек;
- напряжения развертки и подсвета всех типов линий;
- напряжения установки начальных условий режима "Лупа".
Для отображения информации из ВчУ в соответствии с сигналами управления поступают пять шестнадцатиразрядных слов с сигналами записи, которые содержат:
-
коды начальной установки координатной точки Хнач, Унач;
-
коды направления формирования вектора Sin и Cos;
-
код длины (R) формируемой на экране ЭЛТ линии;
-
код начальной установки режима "Лупа".
Одновременно с пятисловным сообщением с ВчУ поступают сигналы "Запись", обеспечивающие запись информации на соответствующие регистры, и другие управляющие сигналы.
4.2. Состав УФОИ
В состав УФОИ входят следующие элементы:
1. Устройство формирования координатных отклоняющих напряжений (Ux, Uy) для БИО и БИВ.
2. Устройство формирования напряжений начальных условий лупы (Ux-НУЛ, Uy-НУЛ) для БИВ.
3. Устройство управления.
4. Генератор знаков (для РМ-8...РМ-18).
Рисунок 2 – Функциональная схема УФОИ
54.Назначение и состав блока УОП.
-
Назначение и состав блока управления обменом и пультами (УОП)
Блок управления обменом и пультами предназначен для:
-
организации обмена РМ со специализированным вычислителем (СВ), хранения и регенерации принятой информации;
-
кодирования информации с пультов;
-
контроля работоспособности РМ.
В состав блока УОП входят:
-
устройство управления обменом (УУО);
-
устройство кодирования пультовой информации (УКПИ);
-
устройство контроля РМ.
55.Назначение и состав УУО блока УОП.
Устройство управления обменом (УУО) обеспечивает обмен информацией РМ с СВ в соответствии с интерфейсом ЦВК 5Э26. УУО решает две основные задачи:
-
прием кодограммы от СВ, хранение ее на весь период отображения;
-
формирование выдаваемой кодограммы и выдача ее в СВ.
Структурная схема УУО блока УОП включает:
-
сдвиговый регистр (Pr CI) 96 разрядов. Обеспечивает либо прием кодограммы от СВ, либо формирование выдаваемой кодограммы;
-
регистр (Рг СII) 96 разрядов. Обеспечивает хранение отображаемой кодограммы;
-
регистр (Рг СIII) 9 разрядов. Обеспечивает прием управляющего слова абонента (УСА) из СВ, побайтовую проверку и выдачу информации в СВ;
-
схема контроля по модулю 2. Обеспечивает контроль принимаемого байта информации по модулю 2 или формирует контрольный разряд для каждого байта выдаваемой информации;
-
коммутатор выдачи (КВ). Обеспечивает сбор информации от ЦВУ, УКПИ и формирование выдаваемой кодограммы;
-
коммутатор приема (КП). Обеспечивает распределение информации принятой кодограммы между вычислительным устройством (ВУ) и генератором знака (ГЗ) по сигналам запроса;
-
cхема управления обеспечивает обмен служебными сигналами с СВ, в соответствии с интерфейсом 5Э26, и с ВУ, а так же управляет работой устройств УУО;
-
оперативное запоминающее устройство (ОЗУ) на 256х96 разрядных слов, обеспечивающее хранение информации и ее регенерацию при отображении;
-
схема формирования импульсов сдвига ИС-А.
Рис.1 Структурная схема УОП
56.Порядок обмена информацией между СВ и РМ.
















