Структурная схема СВ. Взаимодействие элементов СВ в режиме чтения (1039399)
Текст из файла
2
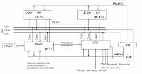
. Структурная схема СВ. Взаимодействие элементов СВ в режиме «Чтение».
Укуе ВЧУ-вычислит. Устр-во.
УО-устр. обмена.
УК-устр. управления каналам
ОЗУ-опер. запом. устр.
ДЗУ-долговрем. зап. устр.
ПЗУ-пост-ное зап. устр.
ПОУ СВ-пульт операт упр.
ВМК-внутренн. магист. канл
КШУ-код. шина управления
МА-магистр.адресов
Р
ежим «чтения». При обращении к ЗУ процессор устанавливает в
МА адрес ячейкиЗУ, к которой осуществляется обращение, а по
КШУ1 процессор выдает в УК сигнал Тр ОБР1, который являетс
Заявкой процессора на обращение к ЗУ. Полный адрес ячейки
ЗУ состоит из адреса модуля и адреса ячейки. Четыре старших
Разряда магистрали адреса(АМ0…АМ3) подключены к УК.
По этим разрядам МА передается адрес модуля, где находится
Ячейка памяти, к которой осуществл. обращение.Код в старших
Разрядах АМ0…АМ3-номер модуля ЗУ, к которому процессор
требует обращения, он передаётся в УК процессором, желающим обратиться к данному модулю памяти одновременно с сигналом ТрОбр1.
УК производит анализ этих сигналов с целью определения, свободен ли в данном такте работы УК требуемый модуль ЗУ, и нет ли в данном такте работы обращения более приоритетного процессора к незанятому модулю ЗУ.
Если требуемый модуль ЗУ свободен, и нет обращения к незанятому модулю со стороны более приоритетного процессора, то УК разрешает процессору, выставившему заявку на обращение к ЗУ, выдачу адреса ячейки ЗУ. Для этого УК выдает в процессор по КШУ 1 сигнал Вд А и запускает в работу требуемый модуль ЗУ путём выдачи по КШУ 2 сигнала ОБР 1
В результате выдачи этих сигналов производятся следующие действия:
процессор выдаёт в МА адрес требуемой ячейки ЗУ;
в ЗУ возбуждается (начинает работать) схема управления, куда заносится адрес ячейки памяти и формируется сигнал ЗАН, используемый для анализа занятости ЗУ при обращении к нему процессоров (исключается обращение к занятому модулю другого процессора). В результате выдачи этих сигналов производятся следующие действия:примерно через 1 мкс после поступления сигнала ОБР 1 сигнал ЗАН снимается, а через 1,2 мкс ЗУ по КШУ 2 выдаёт в УК сигнал готовности (ГОТ) и в МЧт считанную 36-ти разрядную информацию из ячейки с заданным адресом. В результате выдачи этих сигналов производятся следующие действия:примерно через 1 мкс после поступления сигнала ОБР 1 сигнал ЗАН снимается, а через 1,2 мкс ЗУ по КШУ 2 выдаёт в УК сигнал готовности (ГОТ) и в МЧт считанную 36-ти разрядную информацию из ячейки с заданным адресом.
Характеристики
Тип файла документ
Документы такого типа открываются такими программами, как Microsoft Office Word на компьютерах Windows, Apple Pages на компьютерах Mac, Open Office - бесплатная альтернатива на различных платформах, в том числе Linux. Наиболее простым и современным решением будут Google документы, так как открываются онлайн без скачивания прямо в браузере на любой платформе. Существуют российские качественные аналоги, например от Яндекса.
Будьте внимательны на мобильных устройствах, так как там используются упрощённый функционал даже в официальном приложении от Microsoft, поэтому для просмотра скачивайте PDF-версию. А если нужно редактировать файл, то используйте оригинальный файл.
Файлы такого типа обычно разбиты на страницы, а текст может быть форматированным (жирный, курсив, выбор шрифта, таблицы и т.п.), а также в него можно добавлять изображения. Формат идеально подходит для рефератов, докладов и РПЗ курсовых проектов, которые необходимо распечатать. Кстати перед печатью также сохраняйте файл в PDF, так как принтер может начудить со шрифтами.
















