Втулки (1038888)
Текст из файла
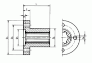
Втулки (Стаканы)
Втулка — деталь машины, механизма, прибора цилиндрической или конической формы (с осевой симметрией), имеющая осевое отверстие, в которое входит сопрягаемая деталь.
Виды втулок:
Втулка с буртом Втулка с фланцем Гладкая втулка
Материалы: Стали 12Х..20Х
Технические требования:
-
Точность размеров (в основном внутренние поверхности)
-
Точность формы
-
Точность расположения
-
Шероховатость
-
Твёрдость
Заготовка:
-
Прокат
-
Обработка давлением (серийное производство + втулки с буртом)
-
Литьё (только для чугунов и других литейных материалов)
-
Сварная заготовка (для втулок с фланцем в основном)
Технология изготовления
(заготовку устанавливают в различные самоцентрирующие патроны, т.е. используют в качестве одной из баз ось ее окончательно обработанной наружной поверхности):
-
Обработка основных поверхностей:
-
Заготовка из длинного проката
-
Отрезка
-
Обработка второго торца
-
Обработка других элементов:
-
Шпоночные пазы
-
Внутренние шлицы
Чистовая обработка (только для закаливаемых втулок)
Характеристики
Тип файла документ
Документы такого типа открываются такими программами, как Microsoft Office Word на компьютерах Windows, Apple Pages на компьютерах Mac, Open Office - бесплатная альтернатива на различных платформах, в том числе Linux. Наиболее простым и современным решением будут Google документы, так как открываются онлайн без скачивания прямо в браузере на любой платформе. Существуют российские качественные аналоги, например от Яндекса.
Будьте внимательны на мобильных устройствах, так как там используются упрощённый функционал даже в официальном приложении от Microsoft, поэтому для просмотра скачивайте PDF-версию. А если нужно редактировать файл, то используйте оригинальный файл.
Файлы такого типа обычно разбиты на страницы, а текст может быть форматированным (жирный, курсив, выбор шрифта, таблицы и т.п.), а также в него можно добавлять изображения. Формат идеально подходит для рефератов, докладов и РПЗ курсовых проектов, которые необходимо распечатать. Кстати перед печатью также сохраняйте файл в PDF, так как принтер может начудить со шрифтами.
















