ГЛАВА 1-2 (Расчет валов и шлицов) (1034487)
Текст из файла
ГЛАВА I. Расчет валов и осей.
В вальных коробках передач валы рассчитываются на прочность от изгиба и кручения, на предельные деформации прогиба и углы закручивания.
За расчетный момент Мрас принимается максимальный крутящий момент двигателя Мдmах, приведенный к рассчитываемому валу, т.е.
Мрас= Мдmахiрηр,
где iр и ηр - соответственно передаточное отношение и КПД агрегатов, установленных между двигателем и рассчитываемым валом.
Расчет вала, как правило, состоит из следующей последовательности действий:
-
определяются усилия в полюсах зацепления зубчатых колес;
-
определяются реакции на опорах;
-
по суммарным реакциям строятся эпюры изгибающих моментов;
-
находятся суммарные приведенные моменты в расчетных сечениях;
-
определяются суммарные напряжения в наиболее опасных сечениях вала;
-
определяются прогибы и углы закручивания валов.
1.1. Определение усилий в полюсах зацепления.
В общем случае нормальные усилия, действующее на поверхности зубьев в полюсе зацепления цилиндрической передачи, раскладываются на окружную Р, радиальную R и осевую S силы.
В цилиндрическом зацеплении:
где m – модуль зацепления;
z – число зубьев колеса;
α - угол профиля зуба исходного контура в нормальном сечении.
где mn – нормальный модуль зубьев;
Ми - изгибающий момент, создаваемый осевой силой S;
β – угол наклона зубьев.
1.2. Определение реакции в опорах вала.
Найденные в полюсах зацепления усилия, а также изгибающие моменты, возникающие от осевых сил, наносятся на ось вала. Если вал двухопорный, то задача является статически определимой. Реакции опор вычисляются по двум уравнениям моментов, взятых относительно одной и второй опоры. Реакции определяются отдельно для сил, расположенных в вертикальной и горизонтальной плоскости. После этого силы векторно складываются, и находится суммарная реакция для каждой опоры.
Однако, иногда валы устанавливаются на три опоры. В этом случае задача по определению реакции становится статически неопределимой. Наиболее простой способ определения реакций в опорах такого вала состоит в следующем. Вал принимается двухопорным, и при таком условии определяется прогиб под третьей (как правило, средней) опорой. Зная величину прогиба под третьей опорой и жесткость вала в этом сечении, находят по известному прогибу величину силы, которую надо приложить, чтобы устранить этот прогиб. Определенная таким образом сила и будет реакцией третьей опоры. После этого задача становится статически определимой, и реакции крайних опор могут быть легко найдены по уравнениям моментов.
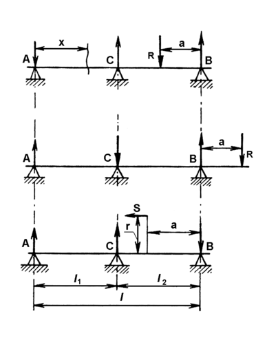
Различные варианты нагружения трехопорных валов усилиями зацепления цилиндрических шестерен можно свести к комбинациям из трех основных случаев (рис.1.1) [ ].
1) Если нагрузка приложена между опорами (рис.1.1а), то реакция NC в средней опоре С определяется по следующей зависимости:
а реакции в крайних опорах
В случае приложения нагрузки на консоли (рис. 1.1б) реакция в средней опоре определяется зависимостью
Реакции в крайних опорах находятся из уравнения моментов, действующих на вал.
Если нагрузка приложена между опорами в виде изгибающего момента от осевой силы S (рис. 1.1в), то реакция в средней опоре вала выражается зависимостью
а реакции в крайних опорах через уравнение моментов.
Следует отметить, что в случае комбинированного нагружения вала, например действия радиальной силы R и момента Sr, что возникает в случае косозубой цилиндрической передачи, на основании принципа суперпозиции реакции в опорах определяются суммой реакций от действия каждой нагрузки в отдельности.
1.3. Определение суммарных приведенных моментов суммарных напряжений в наиболее опасных сечениях вала.
После нахождения суммарных реакций в опорах от всех действующих на вал сил, необходимо построить эпюру изгибающего момента.
Валы коробок передач кроме изгибающих Ми нагружены еще и крутящим моментом Мкр. В этом случае суммарный приведенный момент Мр [Нм] определяется по формуле, известной из теории прочности:
Суммарное напряжение в соответствующем сечении вала [Па],
где Wи- полярный момент сопротивления при изгибе [м3]:
- для сплошного сечения вала и
где D – внешний диаметр вала и d – внутренний диаметр.
Допускаемые напряжения для валов [ ]:
-
из углеродистой стали [σΣ]=(60 - 70)·106 Па;
-
из хромоникелевых сталей [σΣ]=(250 - 400)·106 Па.
При проектировании коробок передач диаметры валов иногда определяют из конструктивных соображений, тогда значение σΣ сравнивают с допустимым напряжением [σΣ], в результате чего определяется запас прочности вала.
В случае проведения проектного расчета необходимо определить требуемое значение момента сопротивления изгибу поперечного сечения вала:
Учитывая зависимость для определения момента сопротивления сплошного круглого сечения вала, получим
1.4. Определение прогиба и угла закручивания вала.
Прогиб вала под действием суммарной нагрузки определяется по уравнению упругой линии. Максимальный прогиб y не должен превышать 0,1.0,15 мм.
Для случая нагружения вала, соответствующего схеме на рисунке 1.1а, при отсутствии средней опоры С прогиб
где Е – модуль упругости (для хромоникелевых сталей Е=2,1·105 мПа);
Jp – момент инерции поперечного сечения вала, который определяется зависимостью:
D – наружный диаметр вала;
d – диаметр отверстия вала.
Если нагружение вала происходит в соответствии со схемой на рисунке 1.1б, то прогиб, при отсутствие средней опоры С, следует определять по следующей формуле
И, наконец, для третьего случая нагружения вала (рис.1.1в), без средней опоры С,
При комбинированном нагружении вала, например радиальной силой R и моментом Sr, на основании принципа суперпозиции суммарный прогиб вала определяются суммой прогибов от действия каждой нагрузки в отдельности.
При расчете вала, имеющего три опоры, прогиб вала определяется также на основании принципа суперпозиции как сумма прогибов от действия внешней нагрузки и реакции в средней опоре.
Так для схемы, представленной на рисунке 1.1а
при этом необходимо учитывать знак реакции средней опоры, если направление действия Nс совпадает с направлением действия силы R, то при определении прогиба вала следует принимать Nс>0. В противном случае реакция средней опоры должна приниматься отрицательной.
В случае нагружения вала по схеме, изображенной на рисунке 1.1б,
Знак реакции средней опоры определяется так же, как и в предыдущем случае.
При нагружении вала моментом от продольной силы (рис.1.1в)
В этом случае знак реакции NC определяется моментом, создаваемым ею относительно точки приложения продольно силы S. Если момент реакции средней опоры вала относительно точки приложения силы S совпадает с направлением момента продольной силы Sr, то в зависимость для определения прогиба вала реакция NC должна подставляться со знаком плюс. В противном случае NC<0.
Угол закручивания вала αв вычисляется по формуле
где Мкр — крутящий момент, Нм;
l - длина скручиваемого участка вала, м;
G - модуль упругости на кручение, для стали G = 8,5·104 мПа;
Jp - полярный момент инерции полого вала, м4.
Для валов, имеющих скользящие каретки или шестерни, на 1 м длины допускается угол закручивания [αв] < 0,25°; для валов с неподвижными деталями [αв] < 2° [ ].
1.5. Особенности расчета валов планетарных механизмов.
Особенность расчета валов основных звеньев планетарной коробки передач заключается в том, что в идеальном случае за счет симметричного расположения сателлитов валы этих звеньев полностью разгружены от радиальных нагрузок. К основным звеньям планетарного механизма относятся водила, малые и большие зубчатые колеса.
Однако, из-за возникновения погрешностей изготовления нагрузка среди сателлитов может распределяться неравномерно. В результате на вал основного звена будет действовать сила [8]
где Ω – коэффициент неравномерности распределения нагрузки между сателлитами;
d – делительный диаметр центрального зубчатого колеса;
aст – число сателлитов планетарного ряда;
νнр – коэффициент, учитывающий появление неблагоприятного сочетания погрешностей при изготовлении деталей планетарного ряда (в расчетах рекомендуется принимать νнр=0,8).
Как показывают исследования [8], при самом неблагоприятном сочетании погрешностей, коэффициент неравномерности распределения нагрузки среди сателлитов Ω < 1,2, при этом сила Рнр настолько мала, что ее влиянием можно пренебречь.
Таким образом, валы основных звеньев в планетарных коробках передач работают только на кручение, и напряжения, возникающие в них под действием передаваемого крутящего момента Mкр [Нм],
где Wp - полярный момент сопротивления полого вала, м3:
Характеристики
Тип файла документ
Документы такого типа открываются такими программами, как Microsoft Office Word на компьютерах Windows, Apple Pages на компьютерах Mac, Open Office - бесплатная альтернатива на различных платформах, в том числе Linux. Наиболее простым и современным решением будут Google документы, так как открываются онлайн без скачивания прямо в браузере на любой платформе. Существуют российские качественные аналоги, например от Яндекса.
Будьте внимательны на мобильных устройствах, так как там используются упрощённый функционал даже в официальном приложении от Microsoft, поэтому для просмотра скачивайте PDF-версию. А если нужно редактировать файл, то используйте оригинальный файл.
Файлы такого типа обычно разбиты на страницы, а текст может быть форматированным (жирный, курсив, выбор шрифта, таблицы и т.п.), а также в него можно добавлять изображения. Формат идеально подходит для рефератов, докладов и РПЗ курсовых проектов, которые необходимо распечатать. Кстати перед печатью также сохраняйте файл в PDF, так как принтер может начудить со шрифтами.
















