Nadezhnost (1032481), страница 3
Текст из файла (страница 3)
- резервные элементы, находящиеся в ненагруженном режиме, не отказывают и с течением времени их вероятностно-временные характеристики не меняются, т.е. на место отказавшего основного элемента подключается каждый раз совершенно новый резервный элемент со своими начальными характеристиками.
Схема такой системы аналогична системе с нагруженным резервом (рис.2.6)
Рис. 2.6. Схема системы с ненагруженным резервом.
Случайная наработка до отказа системы, имеющей n запасных элементов, представляет собой сумму n случайных интервалов времени работы каждого из элементов на месте основного
:
Вероятность безотказной работы такой системы можно записать как
(2.10)
Смысл этой формулы следующий: если последний элемент проработает безотказно ровно время x, то система в целом не откажет за время t, если остальные n-1 элементов проработают все вместе время, большее, чем t-x. Эта формула позволяет вычислить вероятность безотказной работы системы в общем случае рекуррентным образом.
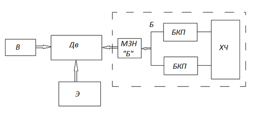
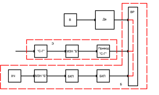
Рассмотрим второй вариант резервирования – ненагруженное резервирование невосстанавливаемой системы. Для того, чтобы оценить возможности такого вида резервирования с точки зрения увеличения надежности системы по сравнению с параллельным соединением элементов (нагруженный резерв) определим вероятность безотказной работы системы запуска двигателя, включающей две подсистемы
Подсистема запуска двигателя воздухом (основная);
Подсистема запуска двигателя стартером-генератором (резервная).
С целью упрощения математических выражений будем считать, что вероятность безотказной работы обоих подсистем подчиняются экспоненциальному закону с параметром
, т.е. интенсивности появления отказов в работающих подсистемах равны и постоянны (
. Более того, предполагаем, что при отказе основной подсистемы резервная подключается абсолютно надежно.
Структурную схему такой системы можно представить, исходя из сказанного в следующей виде:
ПУ- подключающее устройство
В- подсистема запуска двигателя воздухом
Э – подсистема запуска двигателя стартером-генератором
Приведем граф возможных состояний системы
Рис. 2.8.(рисуется на доске)
Запишем систему дифференциальных уравнений для вероятностей нахождения системы в указанных состояниях
Нормирующее уравнение:
Начальные условия: при
Об. 447А (437А), 478
- воздухораспределитель
- пуско-регулирующая аппаратура
- электропровода и трубопровода
-стартер-генератор
- пуско-регулирующая аппаратура
-электропровода
-
система смазки трансмиссии
-
гидравлическая система управления работой ТР
-
пуско-регулирующая аппаратура
-
электропровода и трубопровода
Решение первого уравнения системы (2.11) не представляет большой сложности. Оно может быть найдено независимо от решения двух остальных, с использованием начальных условий.
(2.12)
Решение второго уравнения получим воспользовавшись методом вариации произвольной постоянной, предварительно подставив выражение (2.12) в это уравнение, т.е.
(2.13)
Решение второго уравнения системы в окончательном виде можно записать
(2.14)
Аналогичным решением второго уравнения найдем решение для третьего уравнения системы (2.11).
(2.13)
Окончательное решение третьего уравнения системы (I) будет иметь вид
(2.15)
С целью проверки правильности найденного решения используем условие нормирования
С найденными решениями (2.12), (2.14) и (2.15) системы (2.11)
Вероятность безотказной работы системы запуска двигателя в окончательном виде будет равна
или же в более компактном виде
(2.16)
Если имеется один основной элемент и n резервных элементов в системе, причем основной и резервный элементы однородны и имеют одинаковую надежность, т.е.
, то вероятность безотказной работы такой системы с резервной группой из ненагруженных элементов определяется выражением
(2.17)
В случаях резервирования, когда надежности элементов, составляющих резервную группу сравнительно близки к единице, т.е.
можно использовать приближенные формулы
(2.18)
Эти формулы дают ясное представление о выиграше, которого мы добиваемся, применяя ненагруженный резерв. Вероятность отказа при этом в n! раз меньше, чем при постоянном резервировании.
Однако следует напомнить, что приведенные формулы справедливы при условии, что переключение на резервный элемент абсолютно надежно. Если переключение недостаточно надежно, то выигрыш может быть легко утерян.
Задача №11.
Определить вероятность пуска двигателя танка Т-72 в течение t=100 циклов, если известно, что надежность подсистем пуска (воздушная и электрическая) характеризуется одинаковыми и равными показателями безотказности – интенсивность отказа
1/ц.
Решение:
Вероятность безотказной работы каждой подсистемы в течение заданной наработки при экспоненциальном распределении наработки на отказ каждой подсистемы будет равна
т.е.
равна вероятности безотказной работы датчика Д-20 в предыдущей задаче.
Вероятность запуска двигателя в течение 100 циклов названными подсистемами, среди которых воздушная является основной, а электрическая – резервная (ненагруженное резервирование), определяется по приближенным формулам (2.18)
Использование приближенных формул (2.10) обосновано,т.к.
Таким образом, вероятность появления отказа (не сможем запустить двигатель обеими подсистемами) Q(T<100) = 0,04 примерно в 2 раза ниже, чем это было в предыдущей задаче, т.е.
Q(T<700) = 0,09, когда два датчика Д-20 соединялись параллельно и представляли систему с нагруженным резервированием.
Если предположить, что подсистема, обеспечивающая запуск двигателя с букисра имеет такие же по составу и величине показатели безотказности, т.е.
1/ц, то вероятность запуска двигателя увеличится до
А вероятность отказа составит
2.2. Метод логических схем.
Анализ физических процессов и конструкция некоторых объектов исследования могут привести к созданию схем, которые нельзя идентифицировать ни с параллельным, ни с последовательным соединением элементов. В этом случае приемы анализа структурной надежности, описанные ранее, неприемлемы.
Если элементы в такой системе (изделий) остаются независимыми, то задача может быть решена формально на основе алгебры логики посредством использования метода логических схем.
Задача №12
Провести анализ функциональной схемы системы подтормаживания по ее надежности при включении системы механиком-водителем и в случае самопроизвольного (появление отказа) срабатывания электропневмоклапанов системы. Вероятность безотказной работы электропневмоклапанов одинакова и равна
0,8.
Решение:
,
– вероятность безотказной работы клапана по включению системы м/в;
– вероятность безотказной работы по самопроизвольном включении.
1.1. Определим вероятность того, что система подтормаживания сработает (безотказная работа системы подтормаживания) при ее включении (снятие ноги с педали подачи топлива и нажатие кнопки в левом рычаге), считая, что надежность всех элементов системы, кроме ЭК-48, высока. Используется схема системы подтормаживания и слайд.
если
и
K2
K1
S
Логическая схема системы
Рис. 2.9. (рисуется на доске)
Так как клапаны соединены последовательно, то
1.2. Для этих исходных данных определим вероятность (указанного события – безотказная работа системы) в случае параллельного соединения электропневмоклапанов.
и
K2
K1
S
Логическая схема системы
или
и
K2
1
или
и
2
K1
Рис. 2.10. (рисуется на доске)
Решения:
.
или
.
2.1. Определим вероятность самопроизвольного срабатывания системы в результате выхода из строя электропневмоклапана, что выразится в прохождении воздуха через ЭК-48 в исполнительный механизм системы. При этом поршень бустера переместится и подключаются тормоза
и
обеих БКП, что приводит к усиленному износу дисков трения.
При последовательном соединении электропневмоклапанов вероятность появления такого состояния (такого события S*) будет равна
,
а вероятность отсутствия самопроизвольного включения
.
2.2. Если бы клапаны были соединены параллельно, то:
если
и
















