Nadezhnost (1032481), страница 2
Текст из файла (страница 2)
Метод структурных схем;
Метод логических схем;
Метод матриц.
Важно помнить также, что оценка сложных объектов сложных систем, которые могут находиться в работоспособном, частично работоспособном и неработоспособном состояниях, должна осуществляться с позиций их конечного эффекта. В качестве показателей надежности таких систем могут выступать вероятность выполнения поставленной задачи или доля снижения показателя эффективности.
2.1. Метод структурных схем
Надежность систем с последовательно соединенными элементами
Под последовательно соединением элементов системы понимают такое соединение, когда отказ хотя бы одного элемента приводит к отказу всей системы.
Предполагая отказы элементов независимыми, получаем основные формулы для расчетов надежности последовательно соединенных элементов.
Если
– надежность (вероятность безотказной работы) i-го элемента, то вероятность того, что система из n последовательно соединенных элементов будет работать безотказно в течение заданного времени t, равна
(2.1)
В случае возможности описания закономерности отказов элементов в системе экспоненциальной функцией и постоянных
можно записать,что
(2.2)
Если отказ каждого элемента приводит к одному и тому же отказу системы, что характерно для последовательного соединения элементов, то поток отказов можно считать однородным и для функции надежности системы можно формально записать выражение
(2.3)
где
– интенсивность потока отказов системы.
Сравнивая выражения (1.2) и (1.3) получим
Или
В результате имеем
(2.4)
Задача №7.
В ходе испытаний было установлено, что наработки на отказе составили: для двигателя (с системами)
км, трансмиссии
км, ходовой части
км. Определить наработку на внезапный отказ и вероятность безотказной работы всей системы (танка) в процессе этой наработки.
Решение:
Силовую установку (двигатель), трансмиссию и ходовую часть в смысле надежности будем рассматривать как последовательно соединенные элементы (см. рис. 2.1).
Рис. 2.1 (рисуется на доске)
Допущения:
- соединения между элементами имеют 100% надежность;
- поток отказов системы однородный, так как отказ каждого элемента приводит к одному и тому же отказу системы – потере подвижности танка;
- отказы независимы, то есть появление каждого отказа не зависит от времени наступления предыдущего;
- поток отказов элементов системы простейший, т.е.
или
при
.
Принятые допущения позволяют для вычисления наработки на отказ танка воспользоваться следующим выражением.
Тогда
.
км.
Таким образом, наработка на отказ системы «двигатель-трансмиссия-ходовая часть» значительно меньше наработки на отказ каждого ее элемента. Если считать, что распределение наработки на отказ подчиняется экспоненциальному закону, то вероятность безотказной работы при пробеге 545 км составит
для каждого элемента системы
для всей системы
Проверка
Задача №8.
Определить значение вероятности безотказной работы звена гусеничной ленты (трак плюс палец), состоящей из 80 таких звеньев, если величина безотказной работы ходовой части (по гусеницам) в течение наработки t равна
Решение:
1. Структурная схема ходовой части (по гусеницам)
Рис. 2.2
2. Исходя из последовательного соединения двух элементов в системе можем записать равенство
Поскольку принимая, что
,
то
т.к.
,
где
- вероятность безотказной работы одного звена гусеничной цепи;
N – число звеньев в гусеничной цепи.
Следовательно
,
,
т.е.
Задача №9.
Система состоит из пяти агрегатов (двигатель, две планетарных коробки передач и две бортовые передачи), причем отказ каждого из них ведет к отказу системы. Известно, что в процессе подконтрольной эксплуатации двигатель отказал 34 раза в течение 654 часов работы, второй – 17 и третий – 20 раз в течение 210 часов работы, а остальные агрегаты в течение 317 часов отказали 6 и 5 раз соответственно. Требуется определить наработку на отказ системы в целом, если справедлив экспоненицальный закон надежности для каждого из пяти агрегатов.
Решение:
Для решения задачи воспользуемся следующим соотношениями:
1. Вычислим интенсивность отказов для каждого агрегата
,
,
,
,
,
2. Интенсивность отказов системы будет
3. Средняя наработка на отказ системы равна
Надежность систем с параллельным соединением элементов (резервирование).
Для достижения заданной надежности в машиностроении конструктивные, технологические и эксплуатационные мероприятия могут оказаться недостаточными и тогда приходится применять резервирование.
Это особенно относится к сложным и ответственным системам, для которых повышением надежности элементов не удается достигнуть требуемой надежности системы.
Резервирование позволяет значительно уменьшить вероятность отказа.
Применяют:
-
Постоянное резервирование с нагруженным или «горячим» резервом.
-
Резервирование замещением с ненагруженным или «холодным» резервом.
-
Резервирование с резервом, работающим в облегченном режиме.
При постоянном резервировании резервные элементы или цепи подключают параллельно основным, находятся в режиме основных, а система работает нормально (без отказа) до тех пор, пока работоспособным остается хотя бы один резервный элемент или цепь.
Рис. 2.3. Схема нагруженного резерва из n элементов
Вероятность безотказной работы системы, включающий нагруженный резерв из n элементов или подсистем, равна
(2.5).
Если каждый из элементов имеет экспоненциальное распределение наработки до отказа, т.е.
, то
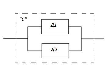
Примером такого резервирования является параллельное подключение двух датчиков Д-20 в системе электрического пуска двигателя (рис. 2.4). Пример см.в задаче №10
Рис.2.4. Параллельная система
Как уже указывалось выше, система последовательно соединенных элементов при экспоненциальном законе отказов элементов имеет постоянную интенсивность отказов
, которая равна сумме интенсивностей отказов всех элементов. Однако это не справедливо для системы с параллельно соединенными элементами. Мгновенная интенсивность отказов системы параллельно соединенных элементов является функцией времени работы t, хотя средняя наработка на отказ – постоянная величина и может быть вычислена при известной надежности системы P(t). (рис. 2.5.)
В случае экспоненциального закона возникновения отказов значение средней наработки на отказ может быть получено интегрированием функции надежности P(t) по всей площади, т.е.
(2.7)
Для двух элементов, работающих параллельно и имеющих интенсивности отказов
и
, надежность системы будет равна
2.8
Средняя наработка на отказ (интенсивность потока отказов)
2.9
Задача 10.
Определить надежность системы электрического пуска двигателя по безотказности датчиков Д-20 в условиях нормальной эксплуатации, считая, что надежность всех остальных элементов системы считать 100%-ная. Поскольку оба датчика одинаковы по устройству и функционируют в одинаковых условиях, примем, что интенсивность отказов их одинакова и равна
1/ц.
Этого параметра достаточно при экспоненциальном характере распределения наработки на отказ, для вычисления вероятности безотказной работы системы в процессе t=700 циклов пуска двигателя (для пуска двигателя достаточно срабатывания по крайней мере одного датчика).
Решение:
Вероятность безотказной работы каждого датчика равна
Вероятность безотказной работы системы определяется надежностью датчиков и для параллельного соединения будет равна
Таким образом, полученные результаты позволяют сделать вывод: параллельное соединение основного и резервного элементов (датчики Д-20) увеличило надежность системы электрического пуска двигателя не в 2 раза (как это кажется на первый взгляд), а примерно на 30%. Однако следует заметить, что вероятность безотказной работы системы выше вероятности безотказной работы каждого ее элемента, и с ростом числа резервных нагруженных элементов увеличивается.
В отличие от нагруженного резервирования довольно часто резервные элементы могут находиться в ненагруженном состоянии, т.е. являются по существу запасными. Такой вид параллельного соединения называют ненагруженными резервированием или резервированием с замещением. С целью упрощения математических моделей надежности используют следующие допущения:
- мгновенное обнаружение отказа и мгновенное подключение резервного элемента на место основного без прерывания нормального функционирования системы,
- переключатель идеальный и абсолютно надежный,
















