СУ503 (1031872)
Текст из файла
УНИВЕРСАЛЬНЫЙ СИГНАЛИЗАТОР УРОВНЯ
"КОМПАКТ СУ500"
Назначение:
Контроль предельных уровней сыпучих и жидких сред в бункерах, резервуарах, трубопроводах, дозаторах, самотеках и т.п. Рабочими средами могут быть: цемент, песок, зерно, мука, комбикорм, сухое молоко, стиральный порошок, полимерные гранулы, вода, масло, водно-масляные эмульсии, растворы кислот и щелочей и другие подобные среды.
Кроме того, прибор может использоваться в качестве бесконтактного датчика наличия и положения металлических и неметаллических предметов и частей механизмов таких как: расфасованные и штучные продукты питания, бобышки на валах механизмов, спицы колес, каретки и т. п.
Приборы серии "Компакт СУ 500" прошли в 1995 г. квалификационные испытания на Ростовской МИС.
В течение 1995 - 1999 годов приборы успешно эксплуатируются на десятках предприятиях пищевой и химической промышленности, стройиндустрии и машиностроения. Опыт эксплуатации показывает, что они успешно заменяют аналогичные приборы известных зарубежных фирм: Endress+Hauser, OMRON, TURK и др., имея при этом цены в 1,5- 2раза ниже цен зарубежных аналогов.
Принцип действия
Основан на увеличении электрической емкости чувствительного элемента при наличии в чувствительной зоне прибора контролируемой среды или предметов, что приводит к изменению коммутационного состояния электронного ключа на выходе.
Достоинства
-
оригинальная конструкция чувствительного элемента устраняющая влияние отложений и налипаний на боковой поверхности прибора позволила исключить ложные срабатывания прибора при длительной эксплуатации с налипающими и влажными средами контроля.
-
высокая чувствительность прибора в сочетании с температурной и долговременной стабильностью параметров позволили увеличить гарантированный диапазон настройки бесконтактного срабатывания на металлические предметы от 0 до 30 мм.
-
состояние выходного ключа в зависимости от контакта со средой устанавливается встроенной перемычкой.
-
мощный высоковольтный выходной каскад (СУ502) позволяет коммутировать нагрузку (соленоиды, контрольные лампы, сирены, пускатели и т. п.) без промежуточных реле.
-
защитный стакан позволяет сохранять герметичность резервуара при профилактическом демонтаже прибора, а также предохраняет прибор от абразивного воздействия среды.
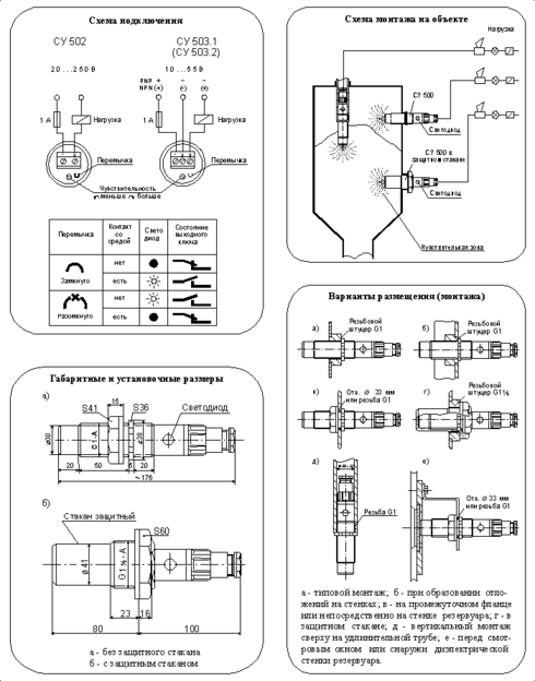
Варианты исполнения
СУ 502 - для непосредственного включения (отключения) универсальной нагрузки переменного и постоянного тока: от миниатюрных ламп накаливания до ламп 75 Bт 220 В, от герконовых реле до магнитных пускателей 4-й величины. Включение двухпроводное последовательно с нагрузкой, полярность не имеет значения.
СУ 503.1 - для систем автоматики с питанием от источника постоянного тока с напряжением 10 … 55В. Максимальный ток нагрузки 0.3А. Защита от переполюсовки питания и от перегрузки. Выходной каскад PNP.
СУ 503.2 - полная аналогия СУ 503.1, но с противоположной полярностью питания. Выход - NPN.
Сигнализаторы уровня серии СУ 500 всех исполнений комплектуются защитными стаканами по заказу потребителя.
Технические данные
| СУ502 | СУ503 | |
| Подключение к внешним цепям | двухпроводное | трехпроводное |
| Напряжение питания | 20... 250 В постоянного или переменного тока | 10...55 В постоянного тока |
| Ток потребления, не более | 0,005 А в состоянии "отключено" | 0,01 А |
| Ток через нагрузку в состоянии "включено" максимальный кратковременный (до 50 мс) максимальный длительный минимальный длительный | 1,5 А 0.3А 0,01 А | 1.5А 0,3 А 0,001 А |
| Ток через нагрузку в состоянии "отключено" (ток холостого хода) | 0,005 А | - |
| Остаточное напряжение в состоянии "отключено" (при токе нагрузке 0,3 А), не более | 10 В | 2 В |
| Выходной ключ | неполярный | СУ503.1 – PNP; CУ503.2 - NPN |
| Задержка срабатывания и возврата, не более | 0,2 с | |
| Воздействие боковой нагрузки со стороны среды | < 4 кН | |
| Рабочее положение в пространстве | любое | |
| Температура в объекте контроля и окружающего воздуха | от -35 до +50 С | |
| Давление в объекте контроля | < 0,6 МПа | |
| Степень защиты корпуса по ГОСТ 14254-80 | IP54 | |
С
редний срок службы, не менее 14 лет. Гарантийный срок эксплуатации 2 года
Характеристики
Тип файла документ
Документы такого типа открываются такими программами, как Microsoft Office Word на компьютерах Windows, Apple Pages на компьютерах Mac, Open Office - бесплатная альтернатива на различных платформах, в том числе Linux. Наиболее простым и современным решением будут Google документы, так как открываются онлайн без скачивания прямо в браузере на любой платформе. Существуют российские качественные аналоги, например от Яндекса.
Будьте внимательны на мобильных устройствах, так как там используются упрощённый функционал даже в официальном приложении от Microsoft, поэтому для просмотра скачивайте PDF-версию. А если нужно редактировать файл, то используйте оригинальный файл.
Файлы такого типа обычно разбиты на страницы, а текст может быть форматированным (жирный, курсив, выбор шрифта, таблицы и т.п.), а также в него можно добавлять изображения. Формат идеально подходит для рефератов, докладов и РПЗ курсовых проектов, которые необходимо распечатать. Кстати перед печатью также сохраняйте файл в PDF, так как принтер может начудить со шрифтами.















