Лекции по метрологии (1024350), страница 4
Текст из файла (страница 4)
Используют германиевые и кремниевые выпрямители. У них различные ВАХ в зависимости от полярности приложенного напряжения.
Имеют разное сопротивление: одно – прямое, другое – обратное.
У Ge KB5000 С повышением температуры прямое и обратное сопро-
Si KB105-106 тивления уменьшаются.
Зависят также от частоты.
Схемы выпрямительных приборов делятся:
-
Схемы с однопериодным выпрямлением.
-
Двухполупериодным выпрямлением.
1.
-
(мостовая схема)
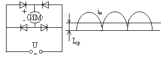
Мгновенное значение вращающего момента: Mt=BSi, где i=iим, i – мгновенное значение переменного тока в течение полупериода, прошедшего в одном направлении. В следствие инерции подвижной части её отклонение будет пропорционально среднему значению вращающего момента.
(двухполупериодное) (среднее значение выпрямленного тока)
(
т. е. стрелка не успевает колебаться при >>1 Гц) среднее значение.
Угол отклонения пропорционален среднему значению тока.
Кф=Iдейств/Iср
Для синусойды: Кф=1,11
Для сигнала (дискретного): Кф=1
При изменении формы импульса (отличие от sin)погрешность: погрешность от формы кривой.
Если Кф – известен, то действительное значение тока не синусоидальной формы, измеренное прибором градуированным по синусоидальному току, определяется по формуле:
Шкала выпрямительного прибора в начальной части сжата (т. к. при малых напряжениях выпрямитель ещё не работает (ВАХ)).
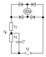
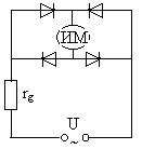
Существуют выпрямительные амперметры и вольтметры.
Вольтметры.
В схемах необходима температурная и частотная компенсации.
rg – манганин
На малые пределы измерения:
r1 – из меди
r2 – из манганина
Кроме изменения сопротивления при изменении температуры среды в выпрямительном приборе действует также изменение КВ (уменьшается при возрастании температуры)
Для вольтметров с большим пределом измерения больше влияет изменение КВ:
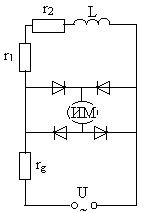
rg, r2 – манганин
r1 – медь
C, L – частотная компенсация.
(хотя полной компенсации найти не удастся)
Достоинства приборов:
-
Высокая чувствительность
-
Малое собственное потребление
-
Возможность работать на повышенных частотах (до 50 КГц)
Недостатки:
-
Относительно не высокая точность
-
Зависимость показаний от формы сигнала.
Электромагнитные приборы.
П
ринцип: взаимодействие катушки с током и ферромагнитного сердечника.
2 типа: с плоской катушкой и с круглой катушкой.
(Большая перегрузочная способность)
Катушка медная. Сердечник – высокая и узкая петля гистерезиса.
От зависит вращающий момент, а ширина петли определяет погрешность гистерезиса. В щитовых приборах (электротехническая сталь).
Узкая петля – пермоллой.
При наличии тока в катушке она намагничивается и сердечник втягивается в зазор.
При изменении направления тока сердечник перемагничивается, но втягивается как при + так и при -, т. к. собственное поле (ширина гистерезиса) мало.
Существенный недостаток – сильное влияние внешних магнитных полей.
Для защиты:
-
Экранирование
-
Астазирование
П
ри астазировании используются 2 катушки и 2 сердечника, укреплённых на 1-й оси:
Уменьшает поток первой катушки, но
увеличивает в то же кол-во раз поток
в другой катушке.
Мгновенное значение вращающего момента имеет:
-
постоянную составляющую.
-
Гармоническую составляющую.
Из-за инерции подвижная часть реализует только на среднее значение.
Лекция N 11 (26.04.02)
Квантование по времени и уровню.
Всегда есть дискретизация по времени (квантование)
Цифровой прибор не может выдать мгновенно изменение кода.
КП - кодирующий преобразователь.
ОУ – отсчетное устройство.
Квантование по уровню – замена непрерывно изменяющейся величины дискретными уровнями, ближайшими к значениям непрерывной величины.
Оно определяется конечной ёмкостью отсчётного устройства.
ОУ имеет 3 цифры (max 999)бесконечное множество измерений величины может быть представлено тысячью значений (уровней квантования). Квантование связано с погрешностью дискретности, не превышающей шага квантования (х).
На вертикальной линии и на ближайшей
горизонтальной.
Кодирующий преобразователь производит квантование по уровню и подбирает каждому уровню определённый сигнал. По найденному уровню КП производит кодирование (код) может быть в различной системе исчисления (ответ обязательно в десятичной) хотя работать может в любой (даже в двоичной).
10019 10019 10019
Классификация цифровых приборов.
В зависимости от способа преобразования измеряемой величины в код различают:
-
Цифровые приборы последовательного кода.
-
Сравнения, вычитания.
-
Считывания.
-
О
бразование кода – путём сравнения измеряемой неизвестной величины с известной, квантованной по уровню величиной, изменяющейся по ступенчатому закону, причём величина ступени равна шагу квантования. -
О
бразование кода – путём последовательного сравнения измеряемой величины с мерами из набора, образованного по определённым правилам. -
Образование кода – путём одновременного сравнения измеряемой величины с набором мер, образованных по определённым правилам. (пружинные весы)
По измеряемой величине ЦП делятся на:
Вольтметры, фазометры, частотомеры, омметры, комбинированные. Но нет амперметра из-за высокого сопротивления входа ЦП.
По техническим средствам:
Бесконтактные и контактные.
По точности:
Самый худший 1, лучший 0.005.
Недостаток – сложность, меньшая надёжность, цена.
Погрешности ЦП
Основная погрешность складывается из 3-х составляющих:
-
Погрешность дискретности.
-
Погрешность реализации дискретных уровней (p).
-
Погрешность чувствительности (r)
1.методическая погрешность, т. е. используя цифровой отсчёт – сразу попадаем в погрешность дискретности.
2 и 3инструментальные составляющие погрешности.
p- возникает от несоответствия принятых значений уровней квантования и их реальных значений (ОУ показывает номер уровня, независимо от того, чему он соответствует).
r- возникает в сравнении измеряемой и компенсирующей величины.
Пример:
Рассмотрим погрешность дискретности ЦП, в котором происходит сравнение X и Xk с помощью сравнивающего устройства, причём p=0, r=0, и будем считать, что изменения показаний прибора происходит при равенстве X и Xk.
При сдвиге:
Р
еально:
Времяимпульсный Цифровой Вольтметр.
СУ- сравнивающее устройство. ГЛИН- генератор линейно-изменяющегося напряжения. ГИСЧ- генератор импульсов стабильной частоты. К- ключ. ПУ- пересчётное устройство (счётчик импульсов с преобразованием кода). ОУ- отсчетное устройство. Т- триггер (устройство с двумя устойчивыми состояниями).
По сигналу «пуск» сбрасывается предыдущее значение в ПУ, запускается ГЛИН и переключается триггер так, что его выходной сигнал открывает ключ К и импульсы ГИСЧ проходят на ПУ.
При достижении напряжения ГЛИН Uk
значения Ux, СУ вырабатывает импульс СТОП
К- коэффициент, характеризующий скорость изменения напряжения Uk (наклон).
Число импульсов, прошедших на ПУ
, где T0 – период ГИСЧ.
Погрешности: 1. g- зависит от f0 и tx max (чем больше f0, тем меньше g и tx max)
2. p- зависит от стабильности ГЛИН.
-
r- находится в СУ (из-за порога чувствительности СУ).
Проблема быстродействия:
Tmax=2nT0, n- число двоичных разделов.
Лекция №12
Компенсаторы постоянного тока.
Уравновешение измеряемого ЭДС постоянного тока известным напряжением.
К
омпенсатор:
н – ЭДС эталонного источника- нормальный элемент.
Евсп – вспомогательная ЭДС.
Rвсп – вспомогательный реостат.
П – переключатель.
Г – гальвонометр (индикатор равновесия)
Ен – значение ЭДС его достаточно точно из-
вестно:
Енt=Ен20-0.0004(t-20)-0.000001(t-20)2
Ен20=1.01850
1 этап – установка рабочего тока. П положение 1, изменяя Rвсп, добиваемся 0-го отклонения гальванометра: Ен=Iprн.
2 этап: П положение 2; изменяя положение движка реостата r (т. е. rx) добиваемся 0-го отклонения Г, при этом
Ex=Iprx, т. е.
И
менно этот прибор может измерять ЭДС. В чём отличие? (компенсатор - ЭДС, вольтметр - напряжение) В компенсаторе нет тока при измерении ЭДС, а в вольтметре есть внутреннее сопротивление возникает ток.
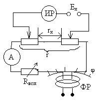
Компенсаторы переменного тока.
П
ринцип: уравновешивание измеряемого ЭДС переменного тока и известного напряжения.
Регулировка не только по величине, но и по фазе:
Компенсаторы переменного тока значительно отличаются по точности от компенсаторов постоянного тока (меньше, т. к. отсутствует эталонный ЭДС переменного тока).
В зависимости от уравновешивания и в каких координатах отсчёта делятся на:
-
Полярно-координатные
-
Прямоугольно-координатные.
1.:
ИР – индикатор равновесия.
В качестве ИР могут использоваться вибрационные гальванометры.
ФР – фазорегулятор, состоит из статора (питание от сети) и ротора, вращаем их меняем фазу напряжения.
1 этап: установка рабочего тока, устанавливается по амперметру с помощью Rвсп.
2 этап: измерение: изменяя положение движков реостатов r (rx) добиваются минимального отклонения на ИР; изменяя положение ротора относительно статора ФР, добиваются нулевого равновесия.
ринцип: уравновешивание измеряемого ЭДС переменного тока и известного напряжения.














