Готовая лабораторная работа 5, 2 (1024338)
Текст из файла
3
-
Цель работы:
Изучение универсального электронно-лучевого осциллографа (ЭЛО); получение навыков работы с ЭЛО; овладение методикой осциллографирования и измерения параметров импульсных сигналов с помощью ЭЛО.
-
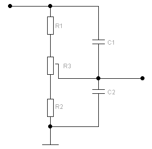
Исследуемые схемы:
-
Таблицы и расчеты:
Таблица 1
| hm, дел | Кв В/дел | Um, В | Кр мкс/дел | lu, дел | u, мкс | lф, дел | ф, мкс | lс, дел | с, мкс | |
| Вход НД | 4 | 2 | 8 | 2 | 5.2 | 10.4 | 0.2 | 0.4 | 0.2 | 0.4 |
| Выход НД | 4 | 2 | 8 | 2 | 4 | 8 | 1.5 | 3 | 1.6 | 3.2 |
Таблица 2
| hm, дел | Кв В/дел | Um, В | КД | КДТ | |
| Вход НД | 4 | 2 | 8 | 0,3 | 0,583 |
| Выход НД | 1,2 | 2,4 | 2,4 |
Таблица 3
| То мкс | Fo кГц | lТ, дел | Kp мкс/дел | Tog, мкс | Fog кГц | F, кГц | F, % |
| 180 | 5,56 | 8,7 | 20 | 174 | 5,75 | 0,19 | 3,3 |
| 140 | 7,14 | 6,6 | 20 | 132 | 7,58 | 0,44 | 5,8 |
| 100 | 10 | 4,5 | 20 | 90 | 11,11 | 1,11 | 9,99 |
| 60 | 16,67 | 2,4 | 20 | 48 | 20,83 | 4,16 | 19,97 |
Таблица 4
| hm, дел | Кв В/дел | Um, В | Кр мкс/дел | lu, дел | u, мкс | lф, дел | ф, мкс | lс, дел | с, мкс | |
| Вход НД | 3,8 | 2 | 7,6 | 0,5 | 4,8 | 2,4 | 0,3 | 0,15 | 0,2 | 0,1 |
| Выход НД | 3,8 | 2 | 7,6 | 0,5 | 4,7 | 2,35 | 0,8 | 0,4 | 0,5 | 0,25 |
з=1,9 мкс, зр=53,67 мкс, =4,47
Осциллограммы:
Выводы:
В результате проделанной лабораторной работы можно сделать вывод о том, что:
-
на выходе некомпенсированного делителя длительность переднего фронта импульса увеличивается на 2,6 мкс, а заднего фронта на 2,8 мкс;
-
при некотором оптимальном положении потенциометра R3 (R3”=20 кОм) искажения выходного импульса на выходе делителя напряжения будут минимальны;
-
при увеличении частоты следования импульсов абсолютная и относительные погрешности градуировки генератора по частоте увеличиваются;
-
при равенстве волнового сопротивления линии задержки сопротивлению нагрузки наблюдаются наименьшие искажения выходного импульса.
Характеристики
Тип файла документ
Документы такого типа открываются такими программами, как Microsoft Office Word на компьютерах Windows, Apple Pages на компьютерах Mac, Open Office - бесплатная альтернатива на различных платформах, в том числе Linux. Наиболее простым и современным решением будут Google документы, так как открываются онлайн без скачивания прямо в браузере на любой платформе. Существуют российские качественные аналоги, например от Яндекса.
Будьте внимательны на мобильных устройствах, так как там используются упрощённый функционал даже в официальном приложении от Microsoft, поэтому для просмотра скачивайте PDF-версию. А если нужно редактировать файл, то используйте оригинальный файл.
Файлы такого типа обычно разбиты на страницы, а текст может быть форматированным (жирный, курсив, выбор шрифта, таблицы и т.п.), а также в него можно добавлять изображения. Формат идеально подходит для рефератов, докладов и РПЗ курсовых проектов, которые необходимо распечатать. Кстати перед печатью также сохраняйте файл в PDF, так как принтер может начудить со шрифтами.















