Федоров В.Н. - Логические функции, элементы и схемы (1023558), страница 3
Текст из файла (страница 3)
Теперь можно создать схему, реализующую данную функцию.
ЗАДАЧИ ДЛЯ САМОСТОЯТЕЛЬНОГО РЕШЕНИЯ
Задача 1
Разработайте схему пороговой логики, которая вырабатывает сигнал 1, если, по крайней мере, на К входах из N (К
N) появляется сигнал 1 (частным случаем пороговой логики является мажоритарная логическая схема). Решите задачу для случаев
Таблица 8
| Вариант | 1 | 2 | 3 | 4 |
| N | 4 | 4 | 4 | 4 |
| К | 1 | 2 | 3 | 4 |
В какую схему превращается пороговое устройство, если К=1? К=N? Исследуйте схему, используя генератор слов, логический пробник, базовые логические элементы 2И-НЕ, 2ИЛИ-НЕ, микросхемы серии 74, содержащие указанные элементы.
Задача 2
У вас имеется логическая схема И с числом входов К. В схеме возможны константные неисправности типа 0 и 1 на входах или выходе. Вы должны убедиться в ее исправности. Простой, но не самый быстрый способ – подать на входы поочередно 2к несовпадающих слов длиной К бит от генератора слов и убедиться, что сигнал на выходе соответствует таблице истинности схемы И. Предложите более компактный тестовый набор, который достоверно выявляет неисправность любого входа или выхода.
Подсказка: длина минимальной тестовой последовательности – К+1 входных наборов.
Задача 3
Годится ли тестовая последовательность предыдущей задачи для проверки схемы И-НЕ, с числом входов К = 2, 3, 4, 8?
Задача 4
Запрограммируйте генератор слов на такую последовательность выходных слов, которая была бы пригодна для испытания схем И, И-НЕ, с К=2, 3, 4, 8 входами.
Задача 5
Разработайте последовательность тестовых слов для контроля схем ИЛИ с К входами (К=2, 3, 4, 8). Число слов должно быть минимальным для достоверного обнаружения любого неисправного входа. В чем отличие этой тестовой последовательности от решения задачи 2?
Задача 6
Годится ли тестовая последовательность предыдущей задачи для проверки схемы ИЛИ-НЕ с числом входов К = 2, 3, 4, 8?
Задача 7
Найдите аналитическое выражение функции, которая реализуется схемой, приведенной на рис. 5. Соберите схему, подключите входы D, С, В, А к источнику логических сигналов, а выход — к логическому пробнику.
В
ключите схему и проверьте правильность аналитического выражения.
Рис. 5
Задача 8
Вызовите генератор слов и логический анализатор. Запрограммируйте генератор на формирование последовательности четырехразрядных слов, соответствующих числам натурального ряда от 0 до 15. Подключите его выходы к соответствующим входам схемы, приведенной на рис. 5 (А- младший разряд числа, D - старший). Исследуйте работу схемы в режимах "STEP" и "CYCLE".
Нарисуйте временные диаграммы сигналов на выходах всех логических элементов схемы для всех возможных комбинаций входных сигналов. Проверьте правильность выполнения задания с помощью логического анализатора.
З
адача 9
Рис. 6
Проведите анализ работы схемы, изображенной на рис. 6, для чего составьте таблицы реализуемых функций, если сигнал в точке 1 воспринимается элементом ИЛИ
а) как логическая 1,
б) как логический 0.
Выберите необходимые инструменты для проведения экспериментальной проверки схемы и определите, как воспринимается сигнал на неподключенном входе при работе базовых элементов.
Задача 10
Определите, как изменится работа схемы, приведенной в задаче 7, если произошел обрыв во входной цепи одного из элементов И, как показано на рис. 7.
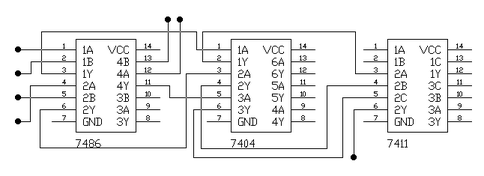
Задача 11
П
роведите анализ работы логического устройства, собранного на микросхемах 7404 и 7410, показанного на рис. 8. Определите, какую математическую операцию выполняет данное устройство, если комбинации логических уровней на входе рассматривать как числа.
Соберите схему, подключите необходимые приборы и проведите экспериментальное исследование работы схемы.
Рис. 8
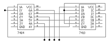
Задача 12
Составьте логическое выражение, описывающее работу схемы, приведенной на рис. 9. Определите, какую математическую операцию выполняет данная схема. Преобразуйте схему таким образом, чтобы получить устройство для выполнения той же операции над двумя четырехразрядными числами.
Задача 13
Разработайте схему устройства, которое формирует на выходе сигнал, равный 1 при выполнении условия N1>N2, где N1 и N2 - трехразрядные двоичные числа, определяемые комбинациями логических уровней на входах схемы.
Выполните задание
• на элементах И, ИЛИ и НЕ,
• на элементах ИСКЛЮЧАЮЩЕЕ ИЛИ, И, НЕ.
Укажите, какая элементная база позволяет получить более простые схемотехнические решения устройств сравнения.
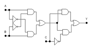
Задача 14
Разработайте схему, формирующую на выходе сигнал F из входных сигналов А, В, С, как показано на рис. 10.
Р
ис. 10
Соберите схему. При проверке ее работы для формирования входных сигналов используйте
• источники логических сигналов,
• генератор слов.
Задача 15
Разработайте схему, содержащую минимально возможное число базовых элементов, работа которой описывается временными диаграммами на рис. 11 (А, В, С – входы, F – выход схемы).
Р
ис. 11
Задача 16
П
роизведите изменения в приведенной на рис. 12 схеме, необходимые для того, чтобы она реализовала ту же функцию, что и в задаче 15.
Рис. 12
Указание: Минимальные изменения требуют введения элемента НЕ в разрыв одной из цепей.
Задача 17
Как можно упростить схему предыдущей задачи, чтобы выполняемая схемой функция не изменилась?
Задача 18
При монтаже схемы, приведенной на рис 13,а, была допущена ошибка: вместо элемента ИСКЛЮЧАЮЩЕЕ ИЛИ был использован элемент ИЛИ (рис 13,б). Найдите комбинации входных сигналов, которые позволяют выявить ошибку монтажника.
Р
ис. 13
ЛАБОРАТОРНОЕ ЗАДАНИЕ
-
Проведите исследования элементов, реализующих логические функции И-НЕ, ИЛИ, ИЛИ-НЕ, по аналогии с исследованием элемента И. (Вольтметр можно не использовать.)
-
Составьте таблицу истинности, СДНФ и СКНФ функции трех переменных, заданной номерами единичных наборов (см. ПРИЛОЖЕНИЕ 1), получите минимальные ДНФ и КНФ этой функции двумя способами:
а) используя законы и тождества булевой алгебры,
б) используя карту Карно.
-
Реализуйте функцию п. 2 на элементах
И, ИЛИ, НЕ;
И-НЕ;
ИЛИ-НЕ.
-
Разработайте логическую схему для реализации частично определенной логической функции F четырех аргументов, заданной таблицей (см. ПРИЛОЖЕНИЕ 2).
Требования к отчету
Отчет по работе должен содержать
-
краткое описание проводимых экспериментов,
-
схемы,
-
сведения о параметрах используемых компонентов и микросхем,
-
результаты экспериментов в виде таблиц, временных диаграмм и формул.
КОНТРОЛЬНЫЕ ВОПРОСЫ
1. Что такое логическая переменная и логический сигнал? Какие значения они могут принимать?
2. Что такое логическая функция?
3. Может ли быть логическим сигналом уровень напряжения? Состояние контакта? Свечение светодиода?
4. Какая логическая функция описывает поведение системы пуска трехфазного электродвигателя (двигатель может быть запущен, если три датчика подтверждают наличие фазных напряжений)?
5. Датчик температуры состоит из контакта, который замыкается (размыкается) при превышении температуры. При замыкании контакта вырабатывается сигнал логической единицы, при размыкании - логического нуля. Какую схему следует использовать для обнаружения срабатывания хотя бы одного датчика пожарной сигнализации?
а) при повышении температуры в датчике происходит замыкание контакта,
б) при повышении температуры в датчике происходит размыкание контакта.
6. Какой сигнал должен быть подан на неиспользуемые входы элемента 8И-НЕ, если требуется реализовать функцию 5И-НЕ?
7. Какой сигнал должен быть подан на неиспользуемый вход элемента 4ИЛИ-НЕ при реализации функции ЗИЛИ-НЕ?
8. В вашем распоряжении имеются логические элементы 2И-НЕ. Как на их основе сделать схему ЗИ? Достаточно ли 4-х элементов 2И-НЕ для выполнения этой задачи?
9. Как будет вести себя схема И, если на одном из входов вследствие внутренней неисправности будет постоянно присутствовать логическая единица? Логический нуль? Составьте таблицу истинности для неисправной схемы ЗИ. Определите поведение схемы И-НЕ при тех же условиях.
10. Как будет вести себя схема ИЛИ, если на одном из входов вследствие внутренней неисправности будет постоянно присутствовать логическая единица? Логический нуль? Составьте таблицу истинности для неисправностей схемы ЗИЛИ. Определите поведение схемы ИЛИ-НЕ при тех же условиях.
11. Как выполняется анализ схемы?
12. Как провести анализ схемы, если схема «черный ящик», а для анализа доступны только входные и выходные выводы?
ЛИТЕРАТУРА
-
Карлащук В.И. Электронная лаборатория на IBM PC. Программа Electronics Workbench и ее применение. – М.: СОЛОН–Р, 2001, 736 с.
Приложение 1
Логические функции трех переменных
(задания для лабораторной работы, задача 1)
Вариант выбирается в соответствии с № исполнителя в журнале группы.
| № | ГРУППА 1 | ГРУППА 2 |
| 1 | 0123 | 0134 |
| 2 | 0124 | 0145 |
| 3 | 0135 | 0146 |
| 4 | 0125 | 0147 |
| 5 | 0137 | 0126 |
| 6 | 0136 | 0127 |
| 7 | 0234 | 0245 |
| 8 | 0256 | 0267 |
| 9 | 0235 | 0246 |
| 10 | 0257 | 0236 |
| 11 | 0247 | 0237 |
| 12 | 0345 | 0567 |
| 13 | 0367 | 0346 |
| 14 | 0357 | 0347 |
| 15 | 0456 | 0467 |
| 16 | 0457 | 1234 |
| 17 | 1245 | 1256 |
| 18 | 1267 | 1235 |
| 19 | 1246 | 1257 |
| 20 | 1236 | 0167 |
| 21 | 1237 | 1345 |
| 22 | 1356 | 1367 |
| 23 | 1346 | 1357 |
| 24 | 1347 | 1356 |
| 25 | 1367 | 1357 |
| 26 | 1456 | 1467 |
| 27 | 1457 | 2345 |
| 28 | 2356 | 2367 |
| 29 | 2346 | 2357 |
| 30 | 2347 | 2456 |
| 31 | 2467 | 2457 |
| 32 | 3456 | 3467 |
| 33 | 3457 | 4567 |
| 34 | 0156 | 0157 |
Приложение 2
ЧАСТИЧНО ЗАДАННЫЕ ЛОГИЧЕСКИЕ ФУНКЦИИ
(задания для лабораторной работы, задача 2)
| 1 | N | 1 | 2 | 3 | 4 | 6 | 7 | 8 | 9 | 11 | 12 |
| F | 0 | 0 | 1 | 0 | 1 | 1 | 0 | 1 | 1 | 0 |
| 2 | N | 0 | 2 | 3 | 5 | 6 | 7 | 8 | 9 | 13 | 15 |
| F | 0 | 1 | 0 | 0 | 1 | 1 | 0 | 0 | 1 | 0 |
| 3 | N | 1 | 2 | 3 | 4 | 6 | 7 | 9 | 12 | 13 | 14 |
| F | 0 | 1 | 1 | 0 | 1 | 0 | 0 | 1 | 0 | 1 |
| 4 | N | 0 | 2 | 3 | 5 | 6 | 7 | 8 | 10 | 12 | 13 |
| F | 0 | 1 | 1 | 0 | 0 | 1 | 1 | 1 | 0 | 0 |
| 5 | N | 0 | 1 | 3 | 4 | 6 | 9 | 10 | 11 | 14 | 15 |
| F | 0 | 1 | 0 | 0 | 0 | 1 | 0 | 1 | 1 | 1 |
| 6 | N | 0 | 1 | 2 | 5 | 7 | 10 | 11 | 13 | 14 | 15 |
| F | 0 | 0 | 0 | 1 | 0 | 1 | 0 | 1 | 1 | 1 |
| 7 | N | 1 | 3 | 4 | 5 | 6 | 10 | 11 | 12 | 14 | 15 |
| F | 0 | 0 | 1 | 0 | 0 | 1 | 1 | 1 | 1 | 0 |
| 8 | N | 0 | 2 | 4 | 5 | 6 | 8 | 10 | 11 | 14 | 15 |
| F | 1 | 0 | 0 | 0 | 0 | 1 | 1 | 1 | 0 | 1 |
| 9 | N | 0 | 1 | 3 | 4 | 5 | 6 | 9 | 10 | 11 | 14 |
| F | 0 | 1 | 0 | 1 | 1 | 0 | 1 | 0 | 1 | 0 |
| 10 | N | 0 | 1 | 2 | 4 | 5 | 7 | 10 | 11 | 13 | 15 |
| F | 1 | 0 | 0 | 1 | 1 | 0 | 0 | 0 | 1 | 1 |
| 11 | N | 0 | 1 | 3 | 4 | 6 | 7 | 11 | 12 | 14 | 15 |
| F | 1 | 1 | 0 | 1 | 0 | 0 | 0 | 1 | 1 | 0 |
| 12 | N | 0 | 1 | 2 | 4 | 5 | 7 | 8 | 10 | 14 | 15 |
| F | 1 | 1 | 0 | 0 | 1 | 0 | 1 | 1 | 0 | 0 |
| 13 | N | 1 | 2 | 3 | 4 | 6 | 8 | 9 | 11 | 12 | 13 |
| F | 0 | 0 | 1 | 0 | 0 | 0 | 1 | 1 | 1 | 1 |
| 14 | N | 0 | 2 | 3 | 5 | 7 | 8 | 9 | 12 | 13 | 15 |
| F | 0 | 0 | 0 | 0 | 1 | 1 | 0 | 1 | 1 | 1 |
| 15 | N | 1 | 0 | 4 | 6 | 7 | 8 | 9 | 12 | 13 | 14 |
| F | 0 | 0 | 0 | 1 | 0 | 1 | 1 | 1 | 0 | 1 |
| 16 | N | 0 | 2 | 5 | 6 | 7 | 8 | 9 | 10 | 12 | 13 |
| F | 0 | 1 | 0 | 0 | 0 | 1 | 1 | 1 | 0 | 1 |
| 17 | N | 0 | 2 | 3 | 5 | 6 | 7 | 8 | 9 | 10 | 13 |
| F | 0 | 1 | 0 | 0 | 1 | 1 | 1 | 0 | 1 | 0 |
| 18 | N | 1 | 2 | 3 | 4 | 6 | 7 | 8 | 9 | 12 | 14 |
| F | 0 | 0 | 1 | 0 | 1 | 1 | 0 | 0 | 1 | 1 |
| 19 | N | 0 | 2 | 3 | 5 | 6 | 7 | 8 | 12 | 13 | 15 |
| F | 0 | 1 | 1 | 0 | 0 | 1 | 0 | 0 | 1 | 1 |
| 20 | N | 1 | 2 | 3 | 4 | 6 | 7 | 9 | 11 | 12 | 13 |
| F | 0 | 1 | 1 | 0 | 1 | 0 | 1 | 1 | 0 | 0 |
| 21 | N | 0 | 1 | 2 | 5 | 7 | 8 | 10 | 11 | 14 | 15 |
| F | 1 | 0 | 0 | 0 | 0 | 1 | 1 | 0 | 1 | 1 |
| 22 | N | 0 | 1 | 3 | 4 | 6 | 10 | 11 | 12 | 14 | 15 |
| F | 0 | 0 | 0 | 1 | 0 | 0 | 1 | 1 | 1 | 1 |
| 23 | N | 0 | 2 | 4 | 5 | 7 | 10 | 11 | 13 | 14 | 15 |
| F | 0 | 0 | 0 | 1 | 0 | 1 | 1 | 1 | 0 | 1 |
| 24 | N | 1 | 3 | 4 | 5 | 6 | 9 | 10 | 11 | 14 | 15 |
| F | 1 | 0 | 0 | 0 | 0 | 1 | 1 | 1 | 1 | 0 |
| 25 | N | 0 | 1 | 2 | 4 | 5 | 7 | 8 | 10 | 11 | 15 |
| F | 1 | 0 | 0 | 1 | 1 | 0 | 1 | 1 | 0 | 0 |
| 26 | N | 0 | 1 | 3 | 4 | 5 | 6 | 10 | 11 | 12 | 14 |
| F | 0 | 1 | 0 | 1 | 1 | 0 | 0 | 0 | 1 | 1 |
| 27 | N | 0 | 1 | 2 | 4 | 5 | 7 | 10 | 13 | 14 | 15 |
| F | 1 | 1 | 0 | 0 | 1 | 0 | 0 | 1 | 0 | 1 |
| 28 | N | 0 | 1 | 3 | 4 | 5 | 6 | 9 | 11 | 14 | 15 |
| F | 1 | 1 | 0 | 1 | 0 | 0 | 1 | 1 | 0 | 0 |
| 29 | N | 0 | 2 | 3 | 5 | 6 | 7 | 8 | 9 | 10 | 13 |
| F | 0 | 1 | 0 | 0 | 1 | 1 | 1 | 0 | 1 | 0 |
| 30 | N | 1 | 2 | 3 | 4 | 6 | 7 | 8 | 9 | 12 | 14 |
| F | 0 | 0 | 1 | 0 | 1 | 1 | 0 | 0 | 1 | 1 |
| 31 | N | 0 | 2 | 3 | 5 | 6 | 7 | 8 | 12 | 13 | 15 |
| F | 0 | 1 | 1 | 0 | 0 | 1 | 0 | 0 | 1 | 1 |
| 32 | N | 1 | 2 | 3 | 4 | 6 | 7 | 9 | 11 | 12 | 13 |
| F | 0 | 1 | 1 | 0 | 1 | 0 | 1 | 1 | 0 | 0 |
СОДЕРЖАНИЕ
Лабораторная работа № 1 2
Логические функции, ЭЛЕМЕНТЫ и схемы 2
Краткие сведения из теории 2
ИССЛЕДОВАНИЕ ЛОГИЧЕСКИХ ЭЛЕМЕНТОВ 7
Исследование логического элемента И 7
Исследование логических схем с помощью генератора слов 8
СИНТЕЗ ЛОГИЧЕСКИХ СХЕМ 9
Задача 1. Реализация функции трех переменных 9
Задача 2. Реализация частично определенной функции 10
ЗАДАЧИ ДЛЯ САМОСТОЯТЕЛЬНОГО РЕШЕНИЯ 12
ЛАБОРАТОРНОЕ ЗАДАНИЕ 17
Требования к отчету 17
КОНТРОЛЬНЫЕ ВОПРОСЫ 18
ЛИТЕРАТУРА 18
Приложение 1 19
Приложение 2 20















