Федоров В.Н. - Логические функции, элементы и схемы (1023558), страница 2
Текст из файла (страница 2)
Для реализации этой функции на элементах 2И-НЕ необходимо провести следующие преобразования:
Для ДНФ
Для КНФ
Для ДНФ получилось более простое выражение, поэтому его и следует реализовать. Соответствующая схемная реализация приведена на рис. 1.
ИССЛЕДОВАНИЕ ЛОГИЧЕСКИХ ЭЛЕМЕНТОВ
Исследование логического элемента И
• Задание уровней логических сигналов
Создайте схему, изображенную на рис. 2.
В этой схеме два двухпозиционных переключателя А и В подают на входы логического элемента И уровни 0 (контакт переключателя в нижнем положении) или 1 (контакт переключателя в верхнем положении).
Включите схему.
Установите переключатель В в нижнее положение.
Измерьте вольтметром напряжение на входе В элемента И и определите с помощью логического пробника уровень логического сигнала.
Установите переключатель В в верхнее положение. Определите уровень логического сигнала и запишите показания вольтметра, укажите, какой логический сигнал формируется на выходе элемента У.
Р
ис. 2
Указания:
1) Элемент 1k
/5V находится в поле Basic.
2) Состояния переключателей A, B изменяются нажатием кнопок A и B на клавиатуре. Эти клавиши задаются как значения параметра переключателей Value/Key (по умолчанию управляющей клавишей является ПРОБЕЛ). Окно задания параметров вызывается двойным щелчком по элементу.
• Экспериментальное получение таблицы истинности элемента И
Подайте на входы схемы все возможные комбинации уровней сигналов А и В и для каждой комбинации зафиксируйте уровень выходного сигнала У. Составьте таблицу истинности логической схемы И.
• Составление аналитического выражения функции
По полученной таблице истинности составьте аналитическое выражение функции элемента И.
Исследование логических схем с помощью генератора слов
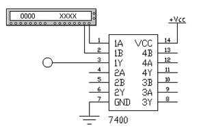
• Сведения об исследуемой микросхеме
Составьте таблицу сведений о микросхеме. Укажите, к каким выводам микросхемы 7400 подключается источник питания, сколько элементов 2И-НЕ содержит микросхема, сколько элементов используется в данном эксперименте и как обозначены на схеме используемые входы и выходы элементов.
• Экспериментальное получение таблицы истинности логического элемента 2И-НЕ
Создайте схему, изображенную на рис.3. Включите схему.
Запрограммируйте генератор слов так, чтобы на выходе генератора получать последовательно комбинации 00, 01, 10, 11. Переведите генератор в режим пошаговой работы нажатием кнопки "Step" на увеличенном изображении генератора. Каждое нажатие кнопки "Step" вызывает переход к очередному слову заданной последовательности, которое подается на выход генератора. Последовательно подавая на микросхему слова из заданной последовательности, заполните таблицу истинности элемента 2И-НЕ.
Значения разрядов текущего слова на выходе генератора отображаются в круглых окнах в нижней части на панели генератора.
Подсказка:
Запрограммировать генератор на указанную последовательность проще всего так:
Двойным щелчком по изображению генератора слов вызовите расширенное изображение генератора.
Нажмите кнопку Pattern.
В открывшемся окне поставьте метку в позиции Up counter и нажмите кнопку Accept.
В появившемся окне генератора слов в окошке Final наберите 0003.
СИНТЕЗ ЛОГИЧЕСКИХ СХЕМ
Задача 1. Реализация функции трех переменных
Создать схему на элементах 2И-НЕ, реализующую функцию
Указание: Представьте выражение функции через операции логического умножения и инверсии.
Соберите схему, соответствующую полученному выражению. Подключите к входам схемы генератор слов, к выходу – логический пробник. Генератор слов запрограммируйте на формирование последовательности из восьми слов, соответствующих числам от 0 до 7
0=000, 1=001, 2=010, 3=011, 4=100, 5=101, 6=110, 7=111.
В пошаговом режиме, последовательно подавая на вход полученной схемы все слова последовательности, определите при помощи логического пробника уровни сигнала на выходе схемы. По полученным результатам составьте таблицу истинности функции.
Замечание:
Для получения схемы, реализующей функцию, описываемую логическим выражением
можно воспользоваться логическим преобразователем.
Для этого проделайте следующее
• вызовите логический преобразователь,
• введите с клавиатуры в нижнее окно панели преобразователя логическое выражение функции (операции ИЛИ соответствует знак +, инверсия обозначается апострофом ‘),
• для реализации схемы на элементах И-НЕ нажмите клавишу
на панели логического преобразователя.
Логический преобразователь выведет на рабочее поле схему, реализующую функцию, описываемую введенным логическим выражением. Полученная схема приведена на рис. 4. К схеме подключите генератор слов, запрограммированный на формирование восьми слов, соответствующих числам от 0 до 7 (см. выше).
Переведите генератор слов в пошаговый режим.
Включите схему.
Последовательно подавая на входы схемы указанные слова и определяя уровень сигнала на выходе схемы логическим пробником, заполните таблицу истинности.
Вычислите значения сигналов в промежуточных точках схемы и занесите их в таблицу истинности. Они определяют логические сигналы на входе третьего элемента 2И-НЕ в схеме (для контроля результатов вычисления можно к входам этого элемента подключить логические пробники).
Задача 2. Реализация частично определенной функции
Разработать логическую схему для реализации частично определенной логической функции F четырех аргументов, заданной таблицей.
В таблице каждая комбинация значений аргументов двоичных переменных ABCD отображается числом N, равным 23D + 22С + 21В + 20А.
Значения функции при отсутствующих комбинациях значений аргументов необходимо доопределить для получения схемы с минимальным числом элементов. Минимизацию логической функции произвести с помощью карты Карно, а затем при помощи логического преобразователя.
Разработку провести на базе следующих типов элементов:
• Элементы 2И, 2ИЛИ, НЕ;
• Элементы 2И-НЕ;
• Элементы 2ИЛИ-НЕ;
Пример: Функция задана таблицей 4.
Таблица 4
| N | 4 | 6 | 7 | 8 | 9 | 11 | 12 | 13 | 14 | 15 |
| F | 0 | 1 | 1 | 0 | 1 | 1 | 0 | 0 | 0 | 1 |
Этой таблице соответствует таблица 5.
Таблица 5
| N | D | С | В | А | F |
| 4 | 0 | 1 | 0 | 0 | 0 |
| 6 | 0 | 1 | 1 | 0 | 1 |
| 7 | 0 | 1 | 1 | 1 | 1 |
| 8 | 1 | 0 | 0 | 0 | 0 |
| 9 | 1 | 0 | 0 | 1 | 1 |
| 11 | 1 | 0 | 1 | 1 | 1 |
| 12 | 1 | 1 | 0 | 0 | 0 |
| 13 | 1 | 1 | 0 | 1 | 0 |
| 14 | 1 | 1 | 1 | 0 | 0 |
| 15 | 1 | 1 | 1 | 1 | 1 |
Составим карту Карно
Таблица 6
| | 00 | 01 | 11 | 10 |
| 00 | * | * | * | * |
| 01 | 0 | * | 1 | 1 |
| 11 | 0 | 0 | 1 | 0 |
| 10 | 0 | 1 | 1 | * |
Здесь символом * помечены не определенные значения функции.
Доопределим заданную функцию так, чтобы получить в результате минимально возможное ее представление в виде формулы.
Результат представлен в следующей карте Карно.
Таблица 7
| | 00 | 01 | 11 | 10 |
| 00 | 0* | 1* | 1* | 1* |
| 01 | 0 | 0* | 1 | 1 |
| 11 | 0 | 0 | 1 | 0 |
| 10 | 0 | 1 | 1 | 0* |
Из этой карты Карно следует, что минимальный вариант решения задачи имеет вид
BA DC














