Лекции БЖД (1023208), страница 4
Текст из файла (страница 4)
1’
2’
2
X, м
2’’
1’’
При соприкосновении проводника, находящегося под напряжением с землей, возникает поле растекания тока. При этом по мере удаления от проводника на одинаковых расстояниях, при однородном грунте можно выделить точки с одинаковым потенциалом
. Этот потенциал по мере удаления проводника убывает по гиперболической зависимости и становится равным нулю на расстоянии более 20 метров.
Шаговое напряжение – это то напряжение, под которым оказывается человек, находящийся в зоне растекания тока в земле в точках с разными потенциалами на расстоянии одного шага:
Средства защиты от поражения
электрическим током.
Используются следующие методы и средства защиты:
-
Обеспечение недоступности токоведущих частей оборудования за счет применения изоляции, расположения на недоступной глубине или высоте, применение защитных кожухов, шкафов, защитного ограждения.
-
Защитное разделение сети на отдельные, несвязанные между собой электрически, участки путем использования разделяющих трансформаторов.
-
Применение двойной изоляции.
-
Применение малых напряжений (от 12 до 42 Вольт).
-
Применение защитных блокировок.
-
Применение сигнализации и дистанционного управления.
-
Применение защитного заземления, зануления и отключения.
-
Индивидуальные средства защиты.
Заземлением называется преднамеренное соединение с землей нетоковедущих частей электрооборудования, которые в результате неисправностей случайно могут оказаться под напряжением.
Принцип действия состоит в уменьшении разности потенциалов между заземляемыми частями электрооборудования и землей до безопасной величины за счет малого сопротивления системы заземления по отношению к сопротивлению тела человека.
Сопротивление тела человека 1000 Ом, а сопротивление системы заземления при напряжениях до 1000 Вольт не более 4 Ом. При мощности электрооборудования не более 100 кВт допустимое сопротивление системы заземления может быть не более 10 Ом.
Область применения заземления при напряжениях до 1000 В – сети с изолированной нейтралью.
Конструктивно заземление может быть контурным, когда заземлители располагаются снаружи здания по его периметру, или выносным.
Заземление применяется:
-
во всех установках при напряжении свыше 380 В переменного тока и 440 В постоянного тока в помещениях без повышенной опасности;
-
при напряжениях выше 42 В переменного тока, при напряжениях выше 110 В постоянного тока в помещениях с повышенной опасностью, особо опасных помещениях и наружных установках;
-
при всех напряжениях во взрывоопасных помещениях.
При устройстве системы заземления предпочтительнее использовать естественные заземлители:
-
фундаменты зданий или металлические каркасы зданий;
-
водопроводы и другие системы, по которым не перемещаются горючие и взрывоопасные газы и жидкости;
-
рельсы железнодорожных путей, если дорога не электрофицирована.
Занулением называется преднамеренное соединение нетоковедущих частей электрооборудования с нулевым защитным проводом.
Принцип действия состоит в том, что при замыкании фазы на корпус электрооборудования происходит однофазное короткое замыкание, при этом срабатывает максимальная токовая защита м отключает поврежденную фазу. Для отключения используют плавкие предохранители (5-7с) или автоматические выключатели (1-2с).
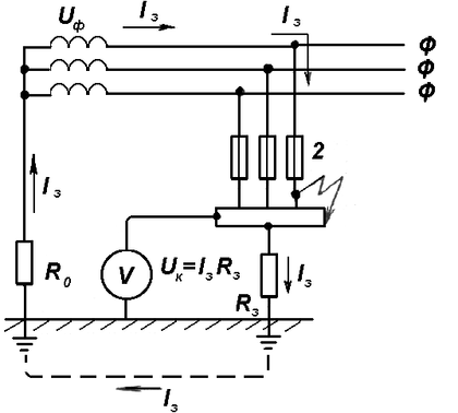
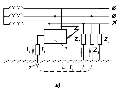
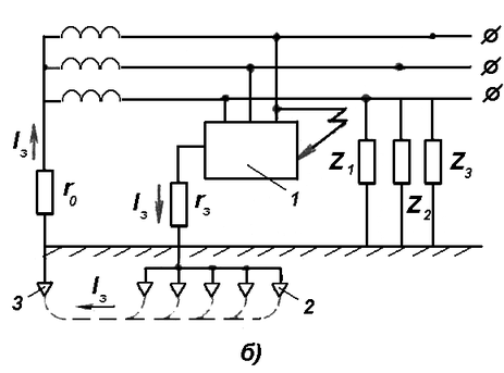
Рис. Принципиальные схемы защитного заземления:
а) – в сети с изолированной нейтралью до 1000 В и выше; б) – в сети с заземленной нейтралью выше 1000 В; 1 – заземленное оборудование; 2 – заземлитель защитного заземления; 3 – заземлитель рабочего заземления; rз, r0 – сопротивления соответственно защитного и рабочего заземлений; Iз – ток замыкания на землю
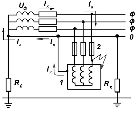
Рис. Принципиальная схема зануления:
1 – корпус; 2 - аппараты для защиты от токов короткого замыкания (плавкие предохранители , автоматы и т.п.); R0 – сопротивление заземления нейтрали источника тока; Rn - сопротивление повторного заземления нулевого защитного проводника; Ik - ток короткого замыкания
Рис. Схема трехфазной трехпроводной сети до 1000 В с заземленной нейтралью
Нулевым защитным проводом называется проводник, соединяющий зануляемые части электрооборудования с глухозаземленной нейтральной точкой трансформатора или генератора.
Трехфазные четырехпроводные сети с глухо заземленной нейтралью применяются при напряжениях до 1000В (в тех же случаях, что и заземление).
Защитное отключение – это автоматические приборы, в основном реагирующие на изменение напряжения электрооборудования по отношению к земле и обеспечивающие защиту за счет очень короткого времени срабатывания (менее 0.2 с).
Индивидуальные средства защиты:
а) основные, надежно выдерживающие рабочее напряжение. При напряжении до 1000 В – это диэлектрические перчатки, инструмент с изолирующими рукоятками и т.д. Обеспечивают защиту от напряжения прикосновения.
б) дополнительные индивидуальные средства (до 1000В) – это диэлектрические резиновые коврики, изолирующие подставки и т.д. – обеспечивают защиту от шагового напряжения и усиливают действие основных средств.
Защита от статического электричества.
Различают следующие средства защиты от статического электричества:
-
применение заземления (не более 100 Ом),
-
увеличение поверхностной проводимости диэлектриков,
-
увлажнение воздуха (при относит. влажности более 70 % вероятность образования статич. зарядов резко уменьшается),
-
ионизация воздуха зарядами противоположного знака (нейтрализация),
-
подбор контактных пар,
-
изменение скоростных режимов транспортирования сыпучих материалов.
Производственное освещение.
Физиологические характеристики зрения.
Различают следующие:
-
острота зрения - способность глаз различать мельчайшие предметы, детали, форму.
-
цветовое зрение- способность различать цвета и их оттенки
-
скорость зрительного восприятия – способность глаза различать предметы за минимальное время,
-
устойчивость ясного видения – способность воспринимать одну и ту же зрительную информацию продолжительное время,
-
контрастная чувствительность – способность различать предметы с различной яркостью,
-
адаптация зрения – способность глаза за счет изменения диаметра зрачка приспосабливаться к различной освещенности,
-
аккомодация – способность глаза различать предметы на различном удалении (за счет изменения кривизны хрусталика).
Основные светотехнические параметры.
-
Световой поток – это часть лучистой энергии, воспринимаемой глазом, измеряется в люменах (лм).
-
Освещенность – это поверхностная плотность светового потока, измеряемая в люксах (лк).
-
Сила света – это пространственная плотность светового потока, измеряемая в канделлах (кд).
-
Яркость света – это отношение силы света бесконечно малого времени к проекции этого элемента на плоскость, перпендикулярную заданному направлению, измеряется в кд/м2.
-
Фотометрический контраст объекта различения с фоном
- соответственно, яркость объекта и фона, кд/м2.
-
Светлость фона:
- соответственно, отраженный и падающий световой поток, лм.
Фон считается светлым при
, средним -
, темным -
.
Искусственное освещение.
Различают следующие системы производственного освещения:
-
общее локализованное,
-
общее равномерное.
-
комбинированное, т.е. сочетание общего и местного освещения.
Нормируется освещение (СНиП 23 – 05 – 95 «Естественное и искусственное освещение») по минимально допустимой освещенности, измеряемой в лк.
При выборе нормы освещенности учитываются следующие факторы:
-
характеристика зрительной работы,
-
размер объекта различения,
-
контраст объекта различения с фоном,
-
светлость фона,
-
система освещения,
-
тип источника света.
Достоинства газоразрядных ламп:
-
высокая экономичность, большая светоотдача (в 10 – 15 раз выше, чем у ламп накаливания);
-
спектр излучения близок к дневному;
-
улучшенная цветопередача;
-
большой срок службы по отношению к лампам накаливания (в 2 – 5 раз).
Недостатки:
-
Необходимость применения дополнительных электрических устройств, что накладывает ограничения их использования во взрыво- и пожароопасных помещениях, перемещениях с большой влажностью, а также в помещениях с химически и биологически активными средами.
-
Наличие периода возгорания.
-
Из-за неустойчивости светового разряда необходимость использования в одном светильнике нескольких ламп.
-
Уменьшение светоотдачи при увеличении срока службы.
-
Невозможность использования в производственных условиях, где требуется различение вращающихся деталей (стробоскопический эффект, т.е. длительные искажения).
-
Значительные габариты.
Область использования в производственных условиях ламп накаливания:
-
для местного освещения,
-
во взрыво- и пожароопасных помещениях, т.к. их четко герметизировать,
-
в помещениях с относительной влажностью, близкой к 100 %, а так же с химически и биологически активными средами.
Естественное освещение.
Различают следующие виды естественного освещения:
-
боковое (одностороннее и двустороннее),
-
верхнее,
-
комбинированное.
Для верхнего освещения используются верхние аэрационные фонари.















