Ответы (1023150)
Текст из файла
1. Принципы и методы защиты от ЭМП (СВЧ):
- экранирование рабочего места или источника излучения;
- увеличение расстояния от рабочего места до источника излучения;
- рациональное размещение оборудования в рабочем помещении;
- использование средств предупредительной защиты;
- применение специальных поглотителей мощности энергии для уменьшения излучения в источнике;
- использование возможностей дистанционного управления и автоматического контроля.
2. Расчет защитного заземления имеет целью определить основные параметры заземления – число, размеры и порядок размещения одиночных заземлителей и заземляющих проводников, при которых напряжения прикосновения и шага в период замыкания фазы на заземленный корпус не превышают допустимых значений.
Для расчета заземления необходимы следующие сведения:
1) характеристика электроустановки — тип установки, виды основного оборудования, рабочие напряжения, способы заземления нейтралей трансформаторов и генераторов и т. п.;
2) план электроустановки с указанием основных размеров и размещения оборудования;
3) формы и размеры электродов, из которых предусмотрено соорудить проектируемый групповой заземлитель, а также предполагаемая глубина погружения их в землю;
4) данные измерений удельного сопротивления грунта на участке, где должен быть сооружен заземлитель, и сведения о погодных (климатических) условиях, при которых производились эти измерения, а также характеристика климатической зоны. Если земля принимается двухслойной, то необходимо иметь данные измерений удельного сопротивления обоих слоев земли и толщина верхнего слоя;
5) данные о естественных заземлителях: какие сооружения могут быть использованы для этой цели и сопротивления их растеканию тока, полученные непосредственным измерением. Если по каким-либо причинам измерить сопротивление естественного заземлителя невозможно, то должны быть представлены сведения, позволяющие определить это сопротивление расчетным путем;
6) расчетный ток замыкания на землю. Если ток неизвестен, то его вычисляют обычными способами;
7) расчетные значения допустимых напряжений прикосновения (и шага) и время действия защиты, в случае если расчет производится по напряжениям прикосновения (и шага).
Расчет заземления производится обычно для случаев размещения заземлителя в однородной земле. В последние годы разработаны и начали применяться инженерные способы расчета заземлителей в многослойном грунте.
Для установок напряжением до 1 кВ сопротивление заземляющего устройства, используемого для защитного заземления открытых проводящих частей в системе типа IT должно соответствовать условию:
где Rз - сопротивление заземляющего устройства, ом; Uпр.доп – напряжение прикосновения, значение которого принимается равным 50 в; Iз – полный ток замыкания на землю, А.
Как правило, не требуется принимать значение сопротивления заземляющего устройства менее 4 Ом. Допускается сопротивление заземляющего устройства до 10 Ом, если соблюдено приведенное выше условие, а мощность трансформаторов и генераторов, питающих сеть, не превышает 100 кВА, в том числе суммарная мощность трансформаторов и (или) генераторов, работающих параллельно.
Для установок напряжением выше 1 кВ ыше 1 кВ сопротивление заземляющего устройства должно соответствовать:
0,5 Ом при эффективно заземленной нейтрали (т. е. при больших токах замыкания на землю);
250/Iз , но не более 10 Ом при изолированной нейтрали (т. е. при малых токах замыкания на землю) и условии, что заземлитель используется только для электроустановок напряжением выше 1000 В.
В этих выражениях Iз — расчетный ток замыкания на землю.
3. Селективность защиты- это необходимость срабатывания в первую очередь того аппарата защиты, который находится ближе со стороны питания к месту аварии. Например, при коротком замыкании в телевизоре в первую очередь должен сработать предохранитель телевизора, а не предохранитель распределительного щита. При этом защита должна обеспечивать отключение аварийного участка при коротких замыканиях в конце защищаемой линии, т.е. с учетом сопротивления всего данного участка линии.
В электротехнике под «селективностью» понимают совместную работу последовательно включенных аппаратов защиты электрических цепей (автоматические выключатели, плавкие предохранители, УЗО и т.п.) в случае возникновения аварийной ситуации.
Селективность используется при выборе номинала устройств защиты гражданских и промышленных электроустановок для отключения от общей системы питания только той ее части, где произошла авария. Это достигается за счет срабатывания только того автоматического выключателя, который защищает аварийную линию питания.
При проектировании и эксплуатации современных систем электроснабжения основной задачей является обеспечение селективности, т.е. координации рабочих характеристик аппаратов защиты при любых типах повреждения. Селективная защита позволяет использовать аппараты защиты с отключающей способностью ниже, чем расчетный ток КЗ в точке его установки, учитывая, что другое устройство защиты с необходимой отключающей способностью имеется на стороне питания. В таком случае характеристики этих устройств должны согласовываться так, чтобы значение удельной энергии (I2t), пропускаемой устройством на стороне питания, было не выше выдерживаемого без повреждения устройства на стороне нагрузки и защищаемых линий. Координация – это последовательное соединение двух или нескольких аппаратов с целью защиты от сверхтоков, чтобы обеспечить селективность при сверхтоках и резервную защиту. Для селективной работы автоматических выключателей при перегрузках нужно, чтобы номинальный ток (In) автоматического выключателя со стороны питания был больше In автоматического выключателя со стороны потребителей. Добиться селективной работы автоматических выключателей при КЗ сложнее, а иногда невозможно. Проверка возможности селективной работы производится при расчетном токе КЗ по специальным таблицам, которые имеются в каталогах фирм-производителей оборудования.
Проблему селективности решает применение автоматических выключателей, соответствующих ГОСТ Р 50030.2 (МЭК 60947-2-98).
Бывают:
Селективность по току (Достигается путем задания различных уставок по току автоматических выключателей (максимально – токовой отсечки), причем более высокие уставки имеют автоматические выключатели на стороне питания.)
Селективность по времени (Достигается путем преднамеренной задержки времени срабатывания автоматических выключателей, причем в последовательной цепочке выключателей большее время срабатывания имеет выключатель, ближайший к источнику питания.)
Зонная селективность (Реализуется между двумя аппаратами, объединенными специальной связью. Когда расположенный ниже обнаруживает неисправность, он посылает сигнал выключателю, расположенному выше, который начнет отсчет выдержки времени, равной 50 мс. Если за это время расположенный ниже выключатель не в состоянии ограничить воздействие неисправности, то активизируется выключатель, расположенный выше)
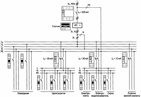
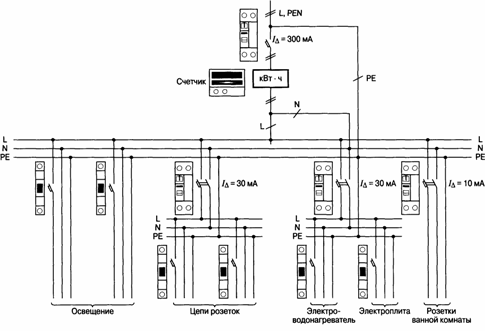
или
или
Характеристики
Тип файла документ
Документы такого типа открываются такими программами, как Microsoft Office Word на компьютерах Windows, Apple Pages на компьютерах Mac, Open Office - бесплатная альтернатива на различных платформах, в том числе Linux. Наиболее простым и современным решением будут Google документы, так как открываются онлайн без скачивания прямо в браузере на любой платформе. Существуют российские качественные аналоги, например от Яндекса.
Будьте внимательны на мобильных устройствах, так как там используются упрощённый функционал даже в официальном приложении от Microsoft, поэтому для просмотра скачивайте PDF-версию. А если нужно редактировать файл, то используйте оригинальный файл.
Файлы такого типа обычно разбиты на страницы, а текст может быть форматированным (жирный, курсив, выбор шрифта, таблицы и т.п.), а также в него можно добавлять изображения. Формат идеально подходит для рефератов, докладов и РПЗ курсовых проектов, которые необходимо распечатать. Кстати перед печатью также сохраняйте файл в PDF, так как принтер может начудить со шрифтами.
















