Учебное пособие по жлектробезопасности (1023094), страница 3
Текст из файла (страница 3)
-обеспечивает недоступность элементов электроустановок, находящихся под напряжением, для человека;
-обеспечивает защиту от поражения человека при прикосновении к элементам электроустановок, находящихся под напряжением (напр., при прикосновении к голым проводам сети с изолированной нейтралью - решение этой задачи иллюстрирует рис.8).
Сопротивление изоляции относительно земли (Rиз) на одном участке фазного провода между соседними отключающими аппаратами нормируется ПУЭ:
-силовая и осветительная электропроводка, распределительные щиты
Rиздоп >=0,5 МоМ;
-вторичные цепи управления, защиты, измеререния Rиздоп >= 1 МоМ.
Критическое сопротивление изоляции Rиз к р. (см.рис. 8) определяется из расчета длительно допустимого (>1с) тока через человека Ih=6мА по формуле:
Для сети 380/220 В и Rh=1000 Ом имеем:
В ряде случаев, когда требуется повышенная гарантия электробезопасности (напр., ручного электроинструмента, бытовых электроприборов, средств индивидуальной защиты), применяют дополнительную изоляцию, которая предназначена для защиты от поражения током в случае повреждения рабочей изоляции. Изоляция, состоящая из рабочей и дополнительной, н
азывается двойной, электрооборудование в этом случае маркируется знаком
Е
сли рабочая изоляция выполнена настолько надежно, что обеспечивает такую же защиту от поражения, как и двойная, ее называют усиленной. Сопротивление двойной и усиленной изоляции должно быть не ниже 5 МоМ.
Контроль изоляции
Для поддержания изоляции в исправном состоянии необходимо осуществлять контроль за ее сопротивлением, для чего применяют периодические и непрерывные методы ее измерения и испытания.
А) Измерение RM производят в отключенной установке 1 раз в год, вне очереди при обнаружении дефектов, после ремонта. Измеренное сопротивление изоляции должно быть не ниже нормы Rиз Rиздоп .Для измерения используют мегометры на соответствующие напряжения.
Б) Испытание изоляции повышенным напряжением производят в отключенной установке при ремонтах электрооборудования, а также при обнаружении повреждений. Этот метод эффективен для выявления местных дефектов и проверки электрической прочности изоляции, т.е. способности длительно выдерживать рабочее напряжение. В процессе испытания в течении 1мин подают напряжение Uисп в несколько раз (в соответствии с ПУЭ) превышающее рабочее Upaб.
В)Контроль изоляции без отключения рабочего напряжения называется непрерывным.
Наиболее простым является метод трех вольтметров. В установках до 1000 В вольтметры подключаются непосредственно к фазам и земле. При исправной изоляции, когда сопротивления всех фаз относительно земли одинаковы, каждый из вольтметров покажет фазное напряжение. Если сопротивление одной из фаз заметно уменьшится, то ее вольтметр покажет снижение напряжения, а два других — увеличение.
Рис.10. Схема контроля изоляции вольтметрами
При замыкании на землю фазы 1 ее вольтметр покажет нуль, а два других - линейные напряжения.
Недостатки этого метода следующие: схема не реагирует на симметричное снижение Rиз, всех трех фаз; схема реагирует на изменения емкости Сиз.
Второй метод - метод наложения -постоянного оперативного тока; на рабочий наиболее распространен, т.к. отвечает всем требованиям, предъявляемым к схемам непрерывного контроля изоляции. Источник постоянного оперативного тока Uист обеспечивает протекание тока утечки Iут, величина которого зависит от суммарного активного сопротивления изоляции контролируемой сети (Iут= f(Rиз)). При снижении сопротивления, любой из фаз ниже заданного значения Iут достигает тока уставки реле, реле срабатывает и своими контактами воздействует на исполнительное устройство.
Рис.11. Схема непрерывного контроля изоляции оперативным током
Оперативный ток может быть обеспечен от постороннего источника (как на схеме рис.11) или от выпрямителя, исключенного к контролируемой сети (так называемые вентильные схемы) .
Преимущества этого метода следующие:
схема реагирует на симметричное и несимметричное снижение Rиз;
имеется сигнализация о снижении Rиз ниже Rиздоп; входное сопротивление схемы высокое, что обеспечивает надежность.
В сетях с заземленной нейтралью сопротивление изоляции незначительно влияет на ток поражения человека при прикосновении к голому проводу. Но и в этой сети контроль сопротивления необходим, т.к. предотвращает замыкания на землю и электрооборудование и повышает тем самым электробезопасность. Однако применение непрерывного контроля в таких сетях связано с определенными трудностями.
5.Способы и средства защиты персонала при однофазных замыканиях на корпус
Однофазные замыкания происходят при повреждении изоляции электроприборов, линий электропередач, что создает опасность из-за появления на корпусах, опорах напряжений источников питания. Если, например, питание осуществляется от трехфазной сети 380/220 В, то при замыкании на корпусе электроприбора относительно земли появится фазное напряжение 220 В. Ток замыкания, возникающий в этом случае, создает опасные потенциалы не только на самом оборудовании, но и возле него из-за растекания на землю с оснований и фундаментов. Высокие потенциалы создают также опасность возникновения пожаров.
Защиту от поражения электрическим током и возгораний оборудования в случае замыканий на корпус осуществляют различными техническими средствами:
-защитным заземлением, обеспечивающим снижение напряжения прикосновения (на корпусе) и шага;
-защитным отключением, которое производит отключение поврежденного участка сети или оборудования;
-занулением, которое отключает оборудование и снижает напряжение прикосновения и шага на период срабатывания отключающего аппарата.
5.1. Защитное заземление .
Защитное заземление - преднамеренное электрическое соединение с землей или ее эквивалентом металлических не токоведущих частей оборудования, которые могут оказаться под напряжением в случае замыкания на корпус, а также по другим причинам (индуктивные наводки, разряд молнии и т.п.).
Назначение защитного заземления - уменьшение опасности поражения током в случае прикосновения к корпусу электроустановки, оказавшейся под напряжением вследетвии замыкания на корпус или по другим причинам.
Защитное заземление следует отличать от рабочего заземления (соединение с землей отдельных точек электрической цепи, напр. нейтральной точки питающего генератора, для обеспечения надлежащей работы в нормальных или аварийных условиях) и заземления молниезащиты (соединение с землей молниеприемников и разрядников для отвода токов молнии в землю).
Принцип действия защитного заземления - снижение До безопасных значений напряжений прикосновения путем понижения потенциалов заземленного оборудования относительно земли.
Область применения защитного заземления:
а)сети напряжением до 1000 В - трехфазные трехпроводные с изолированной нейтралью; однофазные двухпроводные, изолированные от земли; постоянного тока двухпроводные с изолированной средней точкой источника ;
6)сети напряжением выше 1000 В - переменного и постоянного тока с любым режимом нейтральной или средней точки источника.
При этом заземление обязательно при напряжении 380В и выше переменного тока и 440В и выше постоянного во всех случаях; при напряжениях выше 42В переменного тока и 110 постоянного - в помещениях с повышенной опасностью, в особо опасных помещениях и наружных установках; независимо от напряжения - во взрывоопасных помещениях.
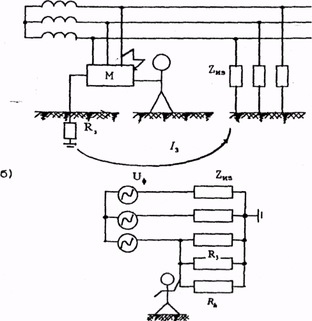
Заземление выполняют, соединяя корпус электрооборудования с электродами, расположенными в земле, с помощью заземляющих проводников. На рис.12 приведена схема защитного заземления оборудования в трехфазной сети с изолированной нейтралью.
Рис. 12 Схема заземления : а) - принципиальная; б) - замещения
Напряжение на корпусе относительно земли при замыкании фазы на заземленный корпус будет определятся падением напряжения на сопротивлении эаземлителя Rз
Uз=Iз + Rз . Ток через заземлитель можно найти по формуле:
Iз = 3 * Uф / ( 3 * Rз + Zиз ) . Ток, проходящий через тело человека:
Ih = Uз / Rh = Iз * Rз / Rh
Из приведенных формул следует, что защитное заземление только тогда успешно выполняет свою функцию, когда его сопротивление не превышает допустимых значений. Нормирование заземлений дано в ПУЭ. В электроустановках до 1000 В с изолированной нейтралью сопротивление заземления не должно превышать:
- при мощности источников питания 100 кВА и более
Rз =< 4 Ом;
- при мощности менее 100 кВА, R3 =< 10 Ом.
Электрические характеристики заземлителей
Основными характеристиками заземлителя являются его потенциал относительно земли, сопротивление и кривая распределения потенциалов на поверхности земли в зоне растекания тока вокруг заземлителя . Эти характеристики определяют значения напряжений прикосновения и шага.
Рассмотрим методику определения характеристик теоретически на примере одиночного полусферического заземлителя, с которого стекает ток Iз на землю равномерно по всем направлениям (рис . 13) . Ток создает в земле электрическое поле, напряженность которого Е, в любой точке на расстоянии х равна:
где - удельное сопротивление грунта, Ом*м;
х - плотность тока растекания в земле, А/м2
r - радиус заземлителя.
Падение напряжения dU на участке земли dx равно:
dU = Ех * dx. Тогда потенциал х в любой точке х будет равен:
Из анализа (х) следует:
- при х , x 0 (зоной нулевого потенциала называется участок земли, где x малозаметен) ;
















