Курсач (1021975)
Текст из файла
Московский государственный институт
радиотехники, электроники и автоматики
(технический университет)
КАФЕДРА «ТОЭ (Теоретические основы электроники)»
Курсовая работа
Студент: Бурлак Евгений
Александрович
Группа: КА-2-04
Москва 2005
ЗАДАНИЕ на выполнение курсовой работы
Задача 1.1. Линейные электрические цепи постоянного тока в установившемся режиме
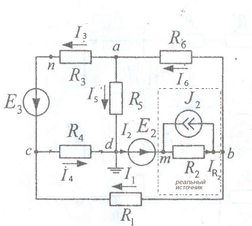
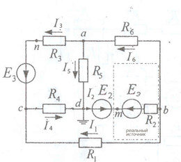
Для электрической схемы № 1(рис. 1.1) начертить схему №2(рис. 1.2): удалить отсутствующий источник тока, заменить последовательно и параллельно соединенные сопротивления эквивалентными, выбрать направление токов в ветвях и обозначить токи по номеру сопротивления. При расчете различными методами, принятые направления токов сохранить.
I. Для схемы № 2 применить следующие методы расчета:
1. Метод расчета неизвестных токов в ветвях на основе законов Кирхгофа (МЗК).
Составить систему уравнений по законам Кирхгофа. Возле уравнений поставить обозначение узлов и соответственно контуров. Перечислить токи, определяемые в результате решения системы (решение системы не выполнять). Методом компьютерного моделирования определить эти токи и, подставив их в систему уравнений, проверить правильность ее составления.
2. Метод узловых потенциалов для расчета неизвестных токов в ветвях (МУЛ).
Составить систему уравнений для расчета неизвестных потенциалов узлов. Для ветви, содержащей только источник ЭДС Е, принять потенциал одного из узлов равным нулю. С помощью компьютерного моделирования определить неизвестные потенциалы узлов и проверить правильность составления системы уравнений.
Рассчитать токи по обобщенному закону Ома и сравнить с токами, определенными в п. I. 1.
3. Метод контурных токов для расчета неизвестных токов в ветвях (МКТ).
Составить систему уравнений для определения неизвестных контурных токов. Выразить токи в ветвях через контурные токи.
Определить величину неизвестных контурных токов, используя данные компьютерного моделирования для ветвей, где протекает лишь один контурный ток (по модулю равный току ветви).
Проверить правильность составления системы уравнений МКТ, определить токи в ветвях и сравнить с п. I. 1.
4. Составить баланс мощностей и вычислить суммарную мощность источников и суммарную мощность нагрузок (сопротивлений). Сравнить их.
5. В схеме № 2 пунктиром выделить схему замещения реального источника, представленную идеальным источником тока и сопротивлением. Заменить ее эквивалентной схемой замещения, включающей идеальный источник ЭДС и сопротивление. Начертить схему № 3(рис. 1.3). Методом компьютерного моделирования найти токи и сравнить их с токами п. I. 1.
II. Для схемы № 2 в числах выполнить расчет тока I1 методом эквивалентного генератора (МЭГ) для чего:
1. Принять R1= (режим холостого хода) и начертить схему № 4(рис. 1.4). Полученная схема представляет собой активный двухполюсник, характеризуемый напряжением Uхх и входным сопротивлением Rхх относительно точек разрыва. Этот активный двухполюсник является также реальной схемой-генератором, создающим ток I1 в сопротивлении R1.
2. Начертить схему замещения № 5(рис. 1.5) этого реального генератора (схему эквивалентного генератора ЭГ), представленную идеальным источником ЭДС Е = Uхх с последовательно включенным сопротивлением R = Rвх xx.
3. Определить параметры эквивалентного генератора Uхх и Rвx xx для чего:
а) Рассчитать токи холостого хода в схеме № 4 двумя методами МУП и МКТ и сравнить их. Схема № 4 является совершенно новой относительно схемы № 2, поэтому здесь заново надо задаться направлением токов в ветвях и обозначить их как Ia xx , Ib xx , Iс xx , Id xx . Потенциал одного из узлов заземлить. Погрешность расчета МУП и МКТ не должна превышать 5 %. Сравнить результаты расчета и компьютерного моделирования схемы № 4.
б) Найти Uxx между точками разрыва схемы № 4, использовав два различных пути из нескольких возможных, и результаты сравнить между собой и данными компьютерного моделирования. Учесть, что, если ток I1=Imn,, т.е. течет от точки "m" к точке "n", то и создается он напряжением Umn xx, при определении которого делается переход от второй точки "n" к первой "m" по двум различным путям.
в) Найти Rвх mn хх , используя преобразование треугольника сопротивлений в звезду сопротивлений сначала для одного треугольника потом для другого. Результаты расчета двумя методами сравнить между собой и с результатом компьютерного моделирования.
г) Найти ток I1 согласно схеме № 5, подключив к ней сопротивление R1 и сравнить с результатом компьютерного моделирования.
д) Рассчитать в схеме № 2 потенциалы точек произвольно выбранного контура с одной или несколькими Е, содержащего узловую точку с =0, и построить потенциальную диаграмму (в выбранном контуре все точки между элементами должны быть обозначены). Потенциалы нужно рассчитывать для всех точек в их последовательности при обходе контура. При правильном расчете, сделав полный обход контура и вернувшись в исходную точку, получим =0, что является критерием правильности расчета. Проверить расчет потенциалов точек методом компьютерного моделирования.
III. Компьютерное моделирование (МКМ) как метод проверки правильности числовых расчетов:
1. Собрать схему № 2. Определить токи во всех ветвях и измерить потенциалы всех точек относительно точки с =0. Использовать данные моделирования для проверки правильности составления уравнений п. I.
2. Собрать схему № 3. Определить токи во всех ветвях. Сравнить с токами схемы № 2.
3. В схеме № 2 вместо R1 включить вольтметр, получим схему № 4. Измерить Uxx и токи холостого хода (внутреннее сопротивление вольтметра по умолчанию 1 МОм, что близко к режиму хх). Сравнить с результатами расчета.
4. Параллельно вольтметру включить мультиметр. Измерить Uxx и сравнить с показанием вольтметра. Затем измерить Rвх хх и сравнить с расчетными данными.
5. Собрать схему замещения № 5. Измерить амперметром I1 и сравнить с расчетами и данными компьютерного моделирования схемы № 2.
Дано:
R1=4,5 Ом
R2=10 Ом E1=0 В
R3=8 Ом E2=20 В
R4’=100 Ом E3=9 В
R4”=25 Ом J1=0 А
R5=15 Ом J2=0,5 А
R6’=6 Ом J3=0 А
R6”=5 Ом
рис.1.1 Схема 1 (общая)
1. Преобразование общей схемы по варианту
рис.1.2. Схема 2 (частная по варианту) рис.1.3. Схема 3 эквивалентна схеме 2,
J3=0 не изображается. Пунктиром если Eэ=J2R2=5 В
Выделен реальный источник
2. Расчет неизвестных токов в ветвях по законам Кирхгофа
а) Для схемы 2: число ветвей - 8; число ветвей с известными токами -1 (ветвь с J2); неизвестных токов в ветвях 8-1=7; система должна содержать 7 уравнений (по числу неизвестных токов), число узлов а, b, с, d, m равно 5, число уравнений по I закону Кирхгофа должно быть 5-1= 4. Попутно в схеме 2, где есть ветвь без сопротивления dm, нужно заземлить один из узлов этой ветви для п. 4. Для составления уравнений по II закону Кирхгофа нужно 7-4=3 уравнения. Составляем граф схемы (источники энергии в графе представляем своими внутренними сопротивлениями RE = 0, RJ = ∞, резисторы R не изображаются) рис. 2.1.
Узлы
Контуры
Рис. 2.1. Ненаправленный
граф схемы 2
Уравнения по II закону Кирхгофа составляются для ячеек графа. Направление обхода контуров можно выбирать произвольно. Решая систему, находим неизвестные токи I1 ,I2 IR2 ,I3 ,I4 ,I5 ,I6 (по заданию решать систему не нужно).
б) Для схемы 3: Число неизвестных токов - 6, число узлов - 4, число уравнений по I закону Кирхгофа 4-1=3, число уравнений по II закону Кирхгофа 6-3=3. Контуры и направления обхода выбираем по графу схемы (рис. 2.2.).
Контуры
Рис. 2.2 Ненаправленный
граф схемы 3
Решая систему, находим токи I1 ,I2 ,I3 ,I4 ,I5 ,I6 .
3. Расчет неизвестных токов в ветвях МКТ
Ч
исло уравнений системы МКТ равно числу уравнений по II закону Кирхгофа. В контурах I, II, III протекают неизвестные контурные токи I11, I22, I33 , которые и являются неизвестными системы. В ветви с источником тока течет известный ток J2, который создает в ячейке известный контурный ток J22=J2=0,5 А (схема 2, рис. 1.2).
Рис. 3.1. Контурные
токи в схеме 2
или перенесем J22R2=J2R2=EЭ в правую часть:
В таком виде система соответствует схеме 3.
Запишем систему в матричной форме:
Решая систему относительно неизвестных, находим контурные токи:
[A]
[A]
[A]
И по принципу наложения выражаем через них токи в ветвях. Если контурный ток течет согласно с принятым направлением тока, то он берется со знаком плюс и наоборот:
Характеристики
Тип файла документ
Документы такого типа открываются такими программами, как Microsoft Office Word на компьютерах Windows, Apple Pages на компьютерах Mac, Open Office - бесплатная альтернатива на различных платформах, в том числе Linux. Наиболее простым и современным решением будут Google документы, так как открываются онлайн без скачивания прямо в браузере на любой платформе. Существуют российские качественные аналоги, например от Яндекса.
Будьте внимательны на мобильных устройствах, так как там используются упрощённый функционал даже в официальном приложении от Microsoft, поэтому для просмотра скачивайте PDF-версию. А если нужно редактировать файл, то используйте оригинальный файл.
Файлы такого типа обычно разбиты на страницы, а текст может быть форматированным (жирный, курсив, выбор шрифта, таблицы и т.п.), а также в него можно добавлять изображения. Формат идеально подходит для рефератов, докладов и РПЗ курсовых проектов, которые необходимо распечатать. Кстати перед печатью также сохраняйте файл в PDF, так как принтер может начудить со шрифтами.
















