Курсач (1021975), страница 2
Текст из файла (страница 2)
[A]
[A]
[A]
[A]
[A]
[A]
[A]
4. Расчет неизвестных токов в ветвях МУП
Число уравнений системы равно числу уравнений по I закону Кирхгофа. Неизвестными системы являются неизвестные потенциалы узлов. Потенциал одного из узлов примем равным 0. В схеме, где есть ветвь, содержащая только Е, нужно выбирать за нуль потенциал одного из узлов этой ветви.
Для схемы 2: φd=0 , φm= φd +E2 =20 B.
Неизвестными будут φa , φb , φc
Для схемы 3:
Система в матричной форме:
Решая систему относительно неизвестных, находим потенциалы узлов:
[B]
[B]
[B]
Выражаем токи в ветвях по закону Ома:
[A]
[A]
[A]
[A]
[A]
По схеме 2:
[A]
[A]
По схеме 3:
[A]
5. Сравнительная таблица результатов расчета токов
| I1 A | I2 A | IR2 A | I3 A | I4 A | I5 A | I6 A | |
| МКТ | 50,851×10-3 | 612,362×10-3 | 1,112 | 381,562×10-3 | 432,378×10-3 | 179,984×10-3 | 561,511×10-3 |
| МУП | 50,851×10-3 | 612,362×10-3 | 1,112 | 381,562×10-3 | 432,378×10-3 | 179,984×10-3 | 561,511×10-3 |
6. Баланс мощностей (в схеме 2)
7. Расчет I1 для схемы 2 МЭГ
П
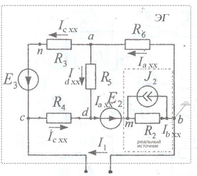
римем R1 = ∞, т.е. рассмотрим схему 2 в режиме хх. Получим схему рис. 7.1., соответствующую эквивалентному генератору. Это новая схема 4, в которой выбираем направления ногвьх токов Iaxx , Ibxx , Icxx , Idxx. У нее три узла a, m, d. Значит, МУП соответствует система 2 уравнений. МКТ также соответствует система 2 уравнений (см. рис. 7.2), т.к. в схеме 2 контура с неизвестными контурными токами I11хх и I22хх . (Схеме 3 будет соответствовать система: МКТ - 2 уравнения, МУП - 1 уравнение.) Ветвь с J2 создает известный контурный ток J22=J2.
Рис 7.1. Схема 4
а) Система МУП: примем φb = 0. Рис. 7.2.
В схеме 4 точки "b" и "c" не являются узлами, поскольку узел включает не менее трех ветвей с токами.
б)Система МКТ (рис. 7.2.):
Перенесем в правую часть уравнения в цифрах J2R2 и составим матричные уравнения:
[A]
[A]
Выражаем токи в ветвях через контурные:
[A]
[A]
[A]
[A]
в)
г)Находим Ubc xx(т.к. ток I1=Ibc в схемах 2 и3 ). Рассчитываем его по 2 различным путям, делая переход от второй точки “c” к первой “b”. Для схемы 4 рис. 7.1.:
Ubc xx=φbxx-φcxx=-IcxxR4-IbxxR2+E2=IcxxR3+IaxxR6-E3
0,805=0,805 B
д)Определяем входное сопротивление схемы Rвх bcxx .Удаляем Источники энергии, оставляя вместо источников их внутренние сопротивления RE=0, RJ=∞. В схеме рис 7.3. нельзя выделить параллельные и последовательные участки, поэтому делаем преобразование треугольника adc
е) Определяем ток I1 согласно схеме замещения (рис.
Сравним I1 таблицей п.5.
8. Потенциальная диаграмма
Для схемы 2: Рассмотрим контур a,b,m,d,a и рассчитаем φ:
1)φd=0 4) φa= φb-I6R6=2,698 B
2)φm= φd+E2=20 B 5) φd= φa-I5R5=0
3) φb= φm-IR2=8,88 B















