Контрольная по ТОЭ 1.2 (1021855)
Текст из файла
Вариант 87
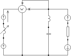
b
i1
e’1 L2 e’3
a m
n
L1
R3
C2
k n
e’2
e”3
d
Таблица1
| L1 | L2 | C2 | R3 | f | e’1 | e’3 | ||
| мГн | мкФ | Ом | Гц | В | ||||
| 1,27 | 4,78 | 3,19 | 25 | 1000 | 70,5sin(t+200) | 84.6cos(t-1000) | ||
1. На основании законов Кирхгофа составить в общем виде систему уравнений для расчета токов во всех ветвях цепи, записав ее в двух формах
а) дифференциальной; б) символической.
2. Определить комплексы действующих значений токов во всех ветвях, воспользовавшись одним из методов расчета линейных электрических цепей.
Таблица 2
| L1 | L2 | C2 | R3 | =2f | e’1 | e’3 |
| Гн | Гн | Ф | Ом | с-1 | В | |
| 1,2710-3 | 4,7810-6 | 3,1910-6 | 25 | 6283 | 70,5sin(t+200) | 84,6sin( -100) |
Найдём действующие значения источников ЭДС, ёмкостных и индуктивного сопротивления
Найдём действующее значение токов в ветвях методом двух узлов.
Таблица 3
| Проводимость Мо | Веществ. часть | Мнимая часть j | Модуль | Аргумент гр. | |
| 0,0000 | -0,1253 | 0,1253 | -90,0000 | ||
| 0,0000 | -0,0333 | 0,0333 | -90,0000 | ||
| 0,0400 | 0,0000 | 0,0400 | 0,0000 | ||
| 43,9705 | 17,2214 | 47,2227 | 21,3882 | ||
Находим токи в ветвях цепи
Таблица 4
Ток А | Вещественная часть | Мнимая часть j | Модуль | Аргумент |
| 1.1028 | -4.0666 | 4.2134 | -74.7284 | |
| -0.5351 | 2.5068 | 2.5633 | 102.0486 | |
| 4.8853 | 1.3248 | 5.0618 | 15.1726 |
Проверка найденных токов осуществляется по первому закону Кирхгофа
Характеристики
Тип файла документ
Документы такого типа открываются такими программами, как Microsoft Office Word на компьютерах Windows, Apple Pages на компьютерах Mac, Open Office - бесплатная альтернатива на различных платформах, в том числе Linux. Наиболее простым и современным решением будут Google документы, так как открываются онлайн без скачивания прямо в браузере на любой платформе. Существуют российские качественные аналоги, например от Яндекса.
Будьте внимательны на мобильных устройствах, так как там используются упрощённый функционал даже в официальном приложении от Microsoft, поэтому для просмотра скачивайте PDF-версию. А если нужно редактировать файл, то используйте оригинальный файл.
Файлы такого типа обычно разбиты на страницы, а текст может быть форматированным (жирный, курсив, выбор шрифта, таблицы и т.п.), а также в него можно добавлять изображения. Формат идеально подходит для рефератов, докладов и РПЗ курсовых проектов, которые необходимо распечатать. Кстати перед печатью также сохраняйте файл в PDF, так как принтер может начудить со шрифтами.
















