ОТЦ, типовой, 18 вариант (1021767)
Текст из файла
Типовой расчёт по ОТЦ
Студента группы РР-2-05
Забавникова А.С.
18 вариант
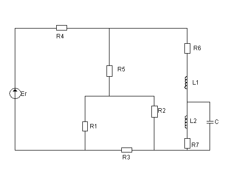
1.Воздействие постоянного источника
а)метод контурных токов
I11(R1+R4+R5)-I22R5-I33R1=-E1+E2-E4
-I11R5+I22(R2+R5+R6+R7)-I33R2=E5-E2
-I11R1-I22R2+I33(R1+R2+R3)=E1-E3-E5
подставим численные значения:
9.5I11-6I22-2I33= -25
-6I11+15I22-3I33= -51
-2I11-3I22+7I33= -9
решив систему получим:
I11= -10
I22= -9
I33= -8
I1=I33-I11
I2=I33-I22
I3=I33
I4=I11
I5=I11-I22
I6=-I22
I1=2
I2=1
I3=-8
I4=-10
I5=-1
I6=9
Учтя, что мы преобразовывали источник тока в источник ЭДС, найдём ток через R2:
I2+J1=IR2
IR2=2
т.к. R даны в кОм => I получили в мА
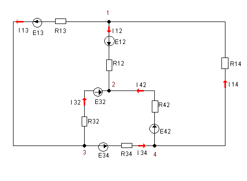
б)метод узловых напряжений
G11=g13+g12+g14
G33=g13+g32+g34
G44=g14+g34+g42
G13=-g13=G31
G14=-g14=G41
G24=-g24=G42
G34=-g34=G43
G11=1
G33=5/3
G44=1
G13=G31=-2/3
G14=G41=-1/6
G24=G42=-1/3
G34=G43=-1/2
рассчитаем узловые токи:
J11= -15
J22= -67
J33=37
=>
φ1= -60
φ2= -66
φ3= -66
I12=( φ1+E12)/R12
I32=( φ3+E32)/R32
I42=( φ4+E42)/R42
I13=( φ1- φ3+E13)/R13
I34=( φ3- φ4+E34)/R34
I14=( φ4- φ1)/R14
I12= -1
I32=2
I42= -1
I13=10
I34=8
I14=9
=>IR2=2
Проверим баланс мощностей:
ΣI2R=ΣEI+ΣUI
8+12+128+150+6+486=90+140+608-54+6
790=790 =>баланс мощностей выполняется
U-падение напряжения на R2
2.Воздействие гармонического источника
Eг=Ec*sin(2πft+2π/3)
или: Eг=Ec*cos(2πft+π/6)
ω=2πf
ω=106 Гц
с=10-10 ф
e(t)=9*cos(106t+30˚) => 9*exp(j*30˚)
XL1=XL2=0
Xc=1/(j ωc)= -j*104
переведём Xc в кОм: Xc= -j*10
проверка, по 1му закону Кирхгофа: (для всех узлов)
=>
i1=0.82cos(106t-32)+2
i2=0.08cos(106t-70)+2
i3=0.86cos(106t-40)+8
i4=1.68cos(106t+36)+10
i5=0.81cos(106t+26)+1
i6=0.89cos(106t+45)+9
i7=0.8cos(106t+18)+9
ic=0.4cos(106t-71)
Характеристики
Тип файла документ
Документы такого типа открываются такими программами, как Microsoft Office Word на компьютерах Windows, Apple Pages на компьютерах Mac, Open Office - бесплатная альтернатива на различных платформах, в том числе Linux. Наиболее простым и современным решением будут Google документы, так как открываются онлайн без скачивания прямо в браузере на любой платформе. Существуют российские качественные аналоги, например от Яндекса.
Будьте внимательны на мобильных устройствах, так как там используются упрощённый функционал даже в официальном приложении от Microsoft, поэтому для просмотра скачивайте PDF-версию. А если нужно редактировать файл, то используйте оригинальный файл.
Файлы такого типа обычно разбиты на страницы, а текст может быть форматированным (жирный, курсив, выбор шрифта, таблицы и т.п.), а также в него можно добавлять изображения. Формат идеально подходит для рефератов, докладов и РПЗ курсовых проектов, которые необходимо распечатать. Кстати перед печатью также сохраняйте файл в PDF, так как принтер может начудить со шрифтами.
















