KursovayaRabotaEIE (1021765), страница 3
Текст из файла (страница 3)
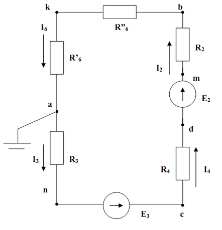
2) Составляем на основании законов Кирхгоффа систему уравнений для расчета токов во всех ветвях схемы. В преобразованной схеме 7 неизвестных токов, 5 узлов, 7 ветвей, 1 ветвь с идеальным источником токаJ2.
По первому закону Кирхгофа: NI= У-1=5-1=4
Составим 4 уравнения:
По второму закону Кирхгофа: NII= (В-Вит) - (У-1) = (7-1) - (5-1) =3
Составим 3 уравнения:
3) Найдем токи в цепи методом контурных токов. Принимаем положительное направление контурного тока по часовой стрелке.
Составляем систему уравнений:
Подставляем числовые значения.
Решаем полученную систему методом Крамера. Вычисляем определитель системы:
Находим токи в ветвях:
I1=Ik3= 0,057A
I2= Ik3- Ik1+J2 =1,624 A
I’2= Ik3- Ik1 = 0,624 A
I3 = -Ik2 = 0,382 A
I4 = Ik3- Ik2 = 0,439 A
I5 = Ik1- Ik2 = -0,186 A
I6 = - Ik1 = 0,567A
4) Составляем баланс мощностей. Мощность, отдаваемая источниками тока и ЭДС:
Pотд = J2UJ2 + E3I3 + E2I’2
Находим напряжение на зажимах источников тока. Определим неизвестные величины из исходной схемы.
UJ2 = I2R2 = 48,73B
Подставляем величины в формулу для мощности генераторов:
Pотд = J2UJ2 + E3I3 + E2I’2 = 105,87Вт
Мощность, рассеиваемая на сопротивлениях:
Pрас = I21R1 + I22R2 + I23R3 + I24R4 + I25R5 + I26R6 = 106,42Вт
Погрешность:
δP =
0,52 %
6) Чертим потенциальную диаграмму контура, включающего в себя 2 ЭДС.
Выбираем контур ancdmbka.
Общее сопротивление контура Rобщ = R2 + R3 + R4 + R6 = 147 Ом
Принимаем потенциал точки a за нулевой. Определим потенциалы всех точек контура. Записываем координаты точек потенциальной диаграммы, обходя контур по направлению против часовой стрелки.
| Точка a | φa = 0 | Ra = 0 Ом |
| Точка n | φn = φa – I3R3 = -9,16В | Rn = 24 Ом |
| Точка c | φc = φn + E3 = 17,84В | Rc = 24 Ом |
| Точка d | φd = φc– I4R4 = - 8,47В | Rd= 64 Ом |
| Точка m | φm = φd + E2 = 66,53В | Rm= 64 Ом |
| Точка b | φb = φm– I2R2 = 17,8 B | Rb= 124 Ом |
| Точка k | φk =φb – I6R’’6 = 5,88 В | Rk=135 Ом |
| Точка a’ | φa’ =φk – I6R’6 = - 0,9 В | R’a= 147Ом |
Потенциальная диаграмма:
-
Задача 1.2 Линейные электрические цепи синусоидального тока
| L1, мГн | C1,мкФ | C2,мкФ | R3, Ом | f,Гц | e'1, В | e''1, В | e'2,В | e’’2,В |
| 1,6 | ∞ | 0,55 | 10 | 5000 | 200cos(ωt -90̊) | 82sinωt | 282cos(ωt+90̊) | 0 |
Чертим схему, соответствующую 17 варианту типового расчета.
Покажем произвольно направление токов во второй и третьей ветвях схемы.
Решаем задачу комплексным методом. Сопоставим каждому мгновенному значению тока и ЭДС их комплексное изображение: i(ωt) ≓İи e(ωt) ≓Ė.
Упростим схему:
1) Составляем на основании законов Кирхгоффа систему уравнений для расчета токов во всех ветвях схемы. В преобразованной схеме 3 неизвестных тока,2 узла, 3 ветви.
По первому закону Кирхгофа: NI= У-1=2-1=1
По второму закону Кирхгофа: NII= (В-Вит) - (У-1) = (3-0) - (2-1) =2
-
дифференциальная форма записи:
б) символическая форма записи:
2) Определим комплексы действующих значений токов во всех ветвях. Находим
действующие значения ЭДС. Для этого амплитудное значение необходимо разделить на квадратный корень их двух. Фаза косинуса опережает фазу синуса на 90˚.
e'1 = 200cos(ωt -90̊) = 200sinωt
e'2 = 282cos(ωt +90̊) = -282sinωt
Ė'1 =
= 141,42 В
Ė''1 =
= 57,98 В
Ė'2 =
=-199,4 В
Угловая частота: ω = 2πf = 31415,9 рад/с
Определяем сопротивления реактивных элементов.
XL1 = ω·L1 = 50,27 ОмXC1 =
= 0 ОмXC2=
= 57,87 Ом
Комплексные сопротивления ветвей:
Z1 = j(XL1 - XC1) = j50,27 Ом
Z2 = j(-XC2) = -j57,87 Ом
Z3 = R3 = 10 Ом
Соответственно комплексные проводимости ветвей:
Y1 = 1/Z1 = 1/j50,27 = -j0.02 См
Y2 = 1/Z2 = 1/(-j57,87) = j0,017 См
Y3 = 1/Z3 = 1/10 = 0,1 См
Задачу целесообразно решать методом двух узлов. Находим напряжение между a и b. Пусть
а = 0, тогда имеем:
b =
=
= 1,94 – j74,07 = 74,1e-88,5j
Находим токи в ветвях:
= 1,47 + j1,19 = 4,2e-69,4j
= 1,28+j3,48 = 3,71e69,8j
= - 0,19 + j7,41 = 7,41e91,5j
3) Составим баланс мощностей.
Мощность, отдаваемая источниками:
S1 =
= 293,82 +j783,29ВА
S2 =
= - 255,24 + j693,76 ВА
(
– комплексное сопряжение тока
)
S = S1 + S2 = 38,6 + j1477 ВА
Потребляемая мощность:
S =
= 38,6 + j1477,1 ВА
Здесь Pн = 38,6 Вт – активная мощность цепи
Qн = 1477 Вар – реактивная мощность цепи
Ваттметр показывает следующее значение:
Pw = Re
=
= 281,4 + j114 Вт
Pw = 281 Вт
4) Для построения топографической диаграммы напряжений нам необходимо найти падениянапряжений на элементах схемы.
Приняв потенциал точки a равным нулю находим потенциалы всех точек схемы.
На основании этих данных построим векторную диаграмму токов и топографическую диаграмму напряжений.
Масштаб тока: единице шкалы соответствует - 1,0 А
Масштаб напряжения: единице шкалы соответствует - 100,0 В
8) Предполагаем, что между двумя катушками существует индуктивная связь с коэффициентом взаимной индукции М. Составим систему уравнений для расчета токов по законам Кирхгоффа в общем виде.
-
дифференциальная форма записи:
б) символическая форма записи:
Список использованной литературы
-
Теоретические основы электротехники. Методические указания и контрольные задания. Под ред. Л.А. Бессонова. – М.: Высшая школа, 2001 г.
-
Миленина С.А. Теоретические основы электротехники. Контрольные задания и примеры расчета. Часть 1. Установившиеся процессы. – М.: МИРЭА (ТУ), 2003 г.
-
Любарская Т.А. Теоретические основы электротехники. Расчет линейных электрических цепей постоянного и синусоидального тока. Учебное пособие. – М.: МИРЭА, 2010 г.
-
Алехин В.А. Расчет электрических цепей с использованием Mathcad. Методические указания по расчету контрольных и курсовых работ на компьютерах. – М.: МИРЭА, 2006 г. №0568
















