KursovayaRabotaEIE (1021765), страница 2
Текст из файла (страница 2)
Алгебраическая сумма токов в ветвях, подсоединенных к узлу, равна нулю. Условимся: подтекающие к узлу токи записывать со знаком «+», а оттекающие – со знаком «-». Тогда выражение для токов попервому закону Кирхгофа для приведенной на рис. 1.10 части схемы можно записать ввиде I1 + I2 + I3 – I4 – I5 = 0.
Первый закон Кирхгофа вытекает из принципа непрерывностиэлектрического тока – полный ток сквозь взятую в какой угодно среде замкнутую поверхность равен нулю. Физический смысл: линии тока не имеют ни начала, ни конца, они являются замкнутыми.
Второй закон Кирхгофазаписывается для контуров электрической цепи:
Алгебраическая сумма напряжений вдоль контура равна нулю
Алгебраическая сумма падений напряжений в любом контуре равна алгебраической сумме ЭДС в том же контуре.
-
Расчет электрической цепи по законам Кирхгофа
-
Алгоритм расчета
-
Алгоритм расчета электрической цепи по законам Кирхгофа комментируется на примере схемы, изображенной на рис.1.12.
1. Произвольно выбираем условно положительное направление токов.
2. Определяем количество необходимых уравнений.
Пусть в – общее число ветвей, вJ – число ветвей с источниками тока, у – число узлов, тогда в – вJ - число искомых токов; nI = (у -1) –число уравнений, оставленных по первому закону Кирхгофа, nII = (в – вJ) – (у – 1) – число уравнений, составленных по второму закону Кирхгофа.
Например, для схемы, изображенной на рис. 1.12 при в = 4, вJ = 1, у = 2, количество уравнений nI =1 и nII = 2.
3. Выбираем независимые контуры, количество которых равно найденному количеству уравнений по второму закону Кирхгофа. Задаем положительное направление их обхода.
4. По первому и второму законам Кирхгофа с учетом правил выбора знаков составляем систему уравнений
5.Определяем неизвестные токи, решая совместно уравнения.
6. В случае необходимости проводим анализ полученного результата: если какой-либо ток получен с отрицательным знаком, то его действительное положительное направление противоположно условно положительному, выбранному вначале.
-
Потенциальная диаграмма
Под потенциальной диаграммой понимают график распределения потенциала вдоль замкнутого контура. На рис. 1.13 показана потенциальная диаграмма контура abcda для случая, когда потенциал точки a принят равным нулю.
При построении потенциальной диаграммы потенциал, равный нулю, может быть присвоен любому одному узлу.
Потенциальная диаграмма – графическое отображение второго закона Кирхгофа.
-
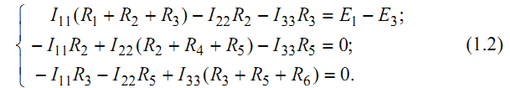
Метод контурных токов
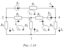
Вообразим, что в трех независимых контурах приведенной на рис. 1.14 электрической цепи имеются токи, замыкающиеся только в этих контурах – контурные токи I11, I22, I33.
Тогда в ветвях цепи должны быть справедливымиследующие соотношения между контурными и реальнымитоками:
I1 = I11,
I2 = I22 – I11,
I3 = I33 – I11, (1.1)
I4 = – I22,
I5 = I33 – I22,
I6 = I33.
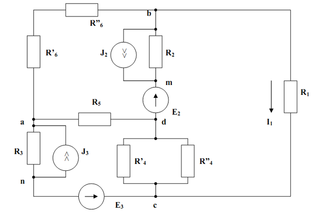
Запишем уравнение по второму закону Кирхгофа для первого контура, считая направление обхода контура совпадающим с направлением контурного тока I11: I1R1 – I3 R3 – I2 R2 = E1 – E3.
Заменим реальные токи I1, I2, I3 на контурные, как это сделано в (1.1),
Тогда I11R1 – I33 R3 + I11R3 – I22 R2 + I11R2 = E1 – E3.
Сгруппируем. В полученном выражении при токе I11 будет записана сумма сопротивлений, входящих в первый контур – собственное сопротивление контура, а при токах I22 и I33 – взаимные сопротивления между первым и соответственно вторым и третьим контурами.
Аналогично, для второго и третьего контуров можно записать два
Других уравнения. Получим систему трех уравнений
Из системы уравнений (1.2) находят контурные токи, по которым определяют в соответствии с (1.1) реальные токи.
Общее выражение для случая n-го количества независимых контуров можно записатьгде R11, R22, Rnn – собственные сопротивления соответственно первого, второго и n-го контуров, равные сумме всех сопротивлений, входящих в рассматриваемый контур; R12, R23, …, Rkm – взаимное сопротивление между соответственно первым и вторым, вторым и третьим, км и m –м контурами; E11, E22, …, Enn – контурная ЭДС n-го контура, равная алгебраической сумме ЭДС, входящих в рассматриваемый контур.
-
Алгоритм расчета
1.Определяем количество независимых контуров, используя выражение для нахождения количества уравнений по второму закону Кирхгофа:
nII = (в – вJ) – (у – 1).
2. В соответствии с расчетным количеством уравнений составляем систему уравнений в общем виде по типу (1.3).
3. Выбираем независимые контуры, задаемся в них условно положительными направлениями контурных токов.
4. Определяем собственные и взаимные сопротивления, контурные ЭДС. Собственным сопротивлениям Rnn всегда присваиваетсязнак «+», тогда как взаимные сопротивления Rkm войдут в системууравнений со знаком «+» или «-» в зависимостиот того, совпадает ли направление контурного тока рассматриваемого контура с направлением другого контурного тока в ветви с взаимным сопротивлением. В случае совпадения взаимному сопротивлению присваиваем знак «+».
На практике рекомендуется использовать следующее правило:если контурныетоки выбраны в одном и том же направлении, например, по часовой стрелке, то собственным сопротивлениям контуров присваивается знак «+», тогда как все взаимные сопротивления войдут в систему уравнений со знаком «-».
5. Решаем полученную систему относительно контурных токов.
6. Задавшись произвольно условно положительным направлением токов, находим их по рассчитанным контурным токам.
7. В случае необходимости проводим анализ полученного результата.
-
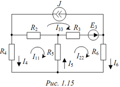
Особенности формирования уравнений по методу контурных токов для электрических цепей с источниками тока
Запись уравнений по методу контурных токов в цепях систочниками тока может бытьосуществлена из условия, чтоодин из контурных токов известен и равен току источника тока (рис. 1.15).
Другой способ формирования уравнений заключается в том, что можно составить уравнения после эквивалентного преобразованияисточника тока в источник ЭДС, как показано на рис. 1.16.
Системы уравнений (1.4) и (1.5) тождественны, следовательно, обаприведенных подхода к составлению уравнений по методу контурных токовдля электрическихцепей систочниками тока могут быть использованы на практике.
-
Метод узловых потенциалов
Метод узловых потенциалов основан на реализации первого закона Кирхгофа. Количество уравнений, необходимых для отыскании потенциалов узлов электрической цепи, соответствует количеству уравнений, составленных попервому закону Кирхгофа nI = у – 1.
Рассмотрим принципы формирования одного изуравнений системы уравнений пометоду узловыхпотенциалов на примересхемы, изображенной на рис. 1.17.
Запишем уравненияпо первому закону Кирхгофа для первого узла
J + I'1 – I1 – I2 – I'2 –I3 =0.
Используя обобщенный закон Ома, перепишем исходное уравнение в виде
Подобные уравнения могут быть записаны и для остальных узлов схемы.
Для n количества узлов может быть записана система из (n-1) уравнений
где Gkk – сумма проводимостей ветвей, сходящихся в узле k (собственная проводимость k-го узла), Gkm – сумма проводимостей ветвей,соединяющих k-й и m-й узлы (общая проводимость), Jkk – узловой ток k-го узла, который может быть определен из выражения:
Правило знаков: собственная проводимость узлов всегда входит в систему со знаком «+», общая проводимость – со знаком «-». Если направление источника тока или источника ЭДС к узлу, то соответствующему слагаемому узлового токаприсваивается знак «+».
-
Алгоритм расчета
1.Определяем необходимое количество уравнений.
2. В соответствии с расчетным количеством уравнений составляем систему уравнений в общем виде по типу (1.6).
3. Нумеруем узлы схемы, один из которых заземляем, т.е. принимаем величину его потенциала равной нулю.
4. Рассчитываем собственные проводимости Gkk, общие проводимости Gkm и узловые токи Jkk.
5. Решаем полученную систему относительно потенциалов узлов.
6. Задаемся условно положительным направлением токов и определяем их в общем случае по обобщенному закону Ома. Ik = [± Ek ± (jk - jm)] Gkm.
7. В необходимых случаях проводим анализ полученных результатов расчета.
-
Метод двух узлов
Если в схеме присутствуют два узла, как это показано на рис.1.18, то составляется только одно уравнение, которое непосредственно вытекает из системы (1.6)
Токи в ветвях находим по закону Ома для участка цепи или по обобщенному закону Ома.
-
Практическая часть
-
Задача 1.1 Линейные электрические цепи постоянного тока
| R1, Ом | R2, Ом | R3, Ом | R’4, Ом | R’’4, Ом | R5, Ом | R’6, Ом | R’’6, Ом | E2, B | E3, B | J2, A | J3, A |
| 13,5 | 30 | 24 | 90 | 180 | 45 | 12 | 21 | 75 | 27 | 1 | 0 |
Чертим схему, соответствующую 17 варианту типового расчета.
1)Упростим схему, заменяя последовательно и параллельно соединенные резисторы четвертой и шестой ветвей эквивалентными. Уберем также источник тока, который по условию равен нулю.
Для последовательного соединения: R6 =R’6 + R’’6 = 33Ом.
Для параллельного соединения: R4=
= 60 Ом.
Покажем произвольно направление токов в ветвях. Если по результатам расчета значение тока получится отрицательным, это значит, что действительной направление тока противоположно показанному на рисунке.
















