19-24 (1021168)
Текст из файла
9
19.Клиновые элементарные зажимные устройства приспособлений: принцип работы, преимущества и недостатки, рассчитываемые параметры.
- применяются в качестве промежуточных звеньев, а также меняют направление и величину силу закрепления.
Кроме исходной силы P, на клин действуют нормальные силы N1, N2 и силы трения F1 и F2 по его боковым поверхностям. Для клинового механизма, передающего силу через 90О, имеет следующую зависимость, полученную из силового многоугольника:
Если
(надо сказать, что
это коэффициенты трения между клином и соответствующими поверхностями) имеем:
+ - закрепление, – - открепление.
Если
, то происходит самоторможение. Обычно α=6..15О .
-
Перемещение плунжера требует большого перемещения клина. Чтобы уменьшить ход клина, его делают ступенчатым.
-
Большой износ клиновых поверхностей. Чтобы уменьшить износ, применяют опорные ролики для замены трения скольжения трением качения.
20.Эксцентриковые элементарные зажимные устройства приспособлений: принцип работы, преимущества и недостатки, рассчитываемые параметры.
Круглый эксцентрик представляет собой диск или валик, поворач-ый вокруг оси смещённого отверстия на вел-ну e. Экс-ик - относятся к быстродействующим ЗУ, обладающим св-вом самотор-ия.
«
-» круглых эксцентриков – 1.Ограниченный угол поворота (α<180О).
2.Чувствительность к вибрациям.
«+»
-
Быстродействие
-
Простота в изготовлении
Исходные данные для расчета эксцентриков:
Q – сила; α - угол поворота (может
отсутствовать); S1 – гарантированный зазор для установки заготовки, S1 = 0,3...0,4 мм; S2 – запас хода эксцентрика на износ, S2 =0,4...0,6 мм. J1 – жесткость ЗУ.
- доп-к на изг-ие детали.
Последовательность расчета:
-
Величина эксцентриситета: - при неограниченном угле поворота α:
Если S1 =0,2...0,4 мм; S2 =0,3...0,6 мм, тогда
Если α задан, то с учетом угла поворота:
– Здесь отсутствует S2, т.к. нет перехода эксцентрика через «мертвую точку» Величины Q/2J1 и Q/J1 хар-ют величину упругого отжатия
-
Радиус цапфы (r) – считают из условия смятия, задаваясь шириной цапфы b:
;
=35...40 МПа (на смятие); при b=2r имеем:
-
Радиус наружней поверхности (R): - из условия самоторможения. Из схемы (см. выше)
- равнодействующая реакция Т должна быть равна реакции со стороны цапфы, проходящей по касательной к кругу трения (
). Тогда из схемы:
; отсюда
; Обычно =8
Но:
. Здесь f ’ – коэффициент трения в цапфе; f ’=0,12...0,16. Тогда
-
Ширина рабочей части эксцентрика В (толщина диска) – из условия смятия в месте контакта с заготовкой:
При условии E1=E2 ;
=
=0,25 и [
]=(800...1200) МПа для закаленной стали имеем:
. Полученные значения e, r, R, B округляют до нормативных по ГОСТ.
6. Сила (или момент) закрепления на рукоятке (N.l):
Согласно схеме (справа), на эксцентрик действует 3 силы:
S – сила реакции на цапфе;
T – равнодействующая сила зажима Q и силы трения F
N – сила на рукоятке.
под действием этих сил система находится в равновесии.
S мало чем отличается от Q, т.е. SQ.
-
Проверка угла поворота эксцентрика:
21. Рычажные элементарные зажимные устройства приспособлений: принцип работы, преимущества и недостатки, рассчитываемые параметры.
Р
ычажные ЗУ- применяются в сочетании с другими механизмами, т.е. применяются как промежуточные звенья; легкие, быстродействующие, самотормозящие.
Исходные данные для расчета: Q; l1,l1’;l2;l2’;r; N=?
Соотношение между Q и N можно найти, взяв сумму моментов относительно оси вращения цапфы (т. О) с учетом коэффициентов трения f1 и f2; т.е. ΣМО=0.
При этом F2 = Q×f2 F1= N×f1
Величина S приближенно:
, т.к. силы трения малы.
Зная соотношение l1 и l2, выбираем одно из этих выражений и подставляем вместо S в формулу
При l1=l2=l S1,41Q
При l1>l2 S0,96Q+0,4N
При l1<l2 S0,96N+0,4Q
Затем определяют силу N; при этом: =rf или =(0,12...0,16)r. Для уменьшения потерь на трение нужно уменьшать радиус оси r и плечи l1’ и l2’.
Для равноплечего рычага уравнение будет таким же, что и выше. Равнодействующая S будет направлена вниз:
Подставляя это выражение в выше приведенное уравнение получим:
КПД передачи =0,92...0,96
22.Классификация приспособлений в машиностроении. Функциональные элементы станочных приспособлений.
Приспособлениями называют вспомогательные устройства для выполнения операций обработки, сборки и контроля. Станочные приспособления – 80-90%. Использование станочных приспособлений устраняет разметку, повышает производительность и точность обработки, снижает себестоимость изделий, повышает безопасность работы, улучшает условия труда.
Приспособления делятся:
- по целевому назначению:
-
станочные для установки заготовок;
-
инструментальные для установки инструмента;
-
сборочные – для ориентации деталей и для выполнения соединений
-
контрольные – для контроля и испытаний заготовок, деталей и узлов машин
-
транспортные или такелажные – для подъёма и перемещения
- по степени специализации:
-
универсальные: безналадочные и наладочные;
-
специализированные: безналадочные(для заготовок типа втулок и дисков) и наладочные, а так же переналаживаемые(универсальные-сборные приспособления, сборно-разборные приспособления(ЗУ))
-
специальные приспособления разрабатываемые под определённую партию изделий
Основные функциональные элементы станочных приспособлений:
-
установочные элементы – с помощью которых базируется заготовка;
-
зажимные элементы – прижимают заготовку;
-
силовые узлы и устройства (гидро-, пневмо- устройства и др.);
-
направляющие элементы (для инструмента)
-
вспомогательные устройства;
-
корпуса.
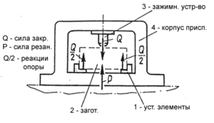
23. Общая методика расчёта сил закрепления. Исходные данные. Жесткостная характеристика зажимных устройств и установочных элементов.
Типы ЗУ: I тип - механизмы самотормозящиеся(винтовые, клиновые и др.)
I
Гр.1
I тип – механизмы обеспечивающие постоянство силы закр-ия Q (гидро- и пневмо- ЗУ) З
адача расчета ЗУ сводится к задаче в статике: Q=f(P); где P – возмущающая сила (сила резания например).
Сила Q воспринимается всеми звеньями системы. Силы P и Q замыкаются на корпус приспособления.
Если сила P направлена против силы Q, то зависимость смещения заготовки (y)=f(P) будет определятся упругой характеристикой ЗУ (Гр.1). Такая упругая характеристика соответствует условию, что все звенья системы, кроме ЗУ, абсолютно жесткие.
О
днако установочные элементы не имеют абсолютной жесткости, поэтому под действием силы P упругие деформации перераспределяются и будут иметь вид (Гр.2).
Гр.2
десь:JI – жесткость ЗУ, JII – жесткость уст.элементов.
y – характеризует состояние системы при приложении силы Q, соответствующее полному упругому восстановлению системы уст-ых элементов.
Гр.3
y=Q/JII – на эту величину возрастает упругая деформация ЗУ (I), т.е.Для ЗУ (II) типа сила P2, при которой происходит отрыв заготовки от устан.эементов равна силе зажима Q, т.е. P2=Q. Для ЗУ (I) типа отрыв происходит позже.
Расчетные факторы для определения силы Q:
Для численного определения силы Q необходимо знать:
(1) – жесткость системы установочных и зажимных устройств по нормали к ним (JI и JII);
(2) – коэффициенты трения между установочными элементами и заготовкой, а коэффициент также трение между ЗУ и заготовкой (f1 и f2);
(3) – коэффициент запаса приспособления (К).
(1). Жесткость установочных элементов по нормали может быть определена по формуле:
; где JII – жесткость уст.элементов;
JIII – жесткость стыка заготовка-опора приспособления;
JIIII… JIIn – жесткость постоянных стыков приспособления, через которые передается сила Q.
Жесткость системы зажимных элементов: по аналогии
где JI – жесткостьЗУ;
JII – жесткость стыка заготовка-зажимной элемент;
JIII… JIn – жесткость стыков ЗУ, через которые передается сила Q.
(
2). Коэффициент трения – это отношение сдвигающей силы к нормальной силе (Q): f=F/Q.
(3). Коэффициент запаса (К) или коэф.надежности зацепления – учитывает условия обработки и закрепления заготовки в приспособлении:
.
Где: К0 – гарантированный коэф.запаса [K0=1,5];
К1 – учитывает наличие случ.неровностей на черн.заготовках: К1черн=1,2; К1чист=1;
К2 – учитывает увеличение силы резания в результате затупления инструмента: К2=1,15..1,9 – для разных инструментов;
К3 – учитывает влияние сил резания при прерывистом процессе обработки: К3=1,2;
К4 – учитывает постоянство силы закрепления: К4=1,0..1,2;
Характеристики
Тип файла документ
Документы такого типа открываются такими программами, как Microsoft Office Word на компьютерах Windows, Apple Pages на компьютерах Mac, Open Office - бесплатная альтернатива на различных платформах, в том числе Linux. Наиболее простым и современным решением будут Google документы, так как открываются онлайн без скачивания прямо в браузере на любой платформе. Существуют российские качественные аналоги, например от Яндекса.
Будьте внимательны на мобильных устройствах, так как там используются упрощённый функционал даже в официальном приложении от Microsoft, поэтому для просмотра скачивайте PDF-версию. А если нужно редактировать файл, то используйте оригинальный файл.
Файлы такого типа обычно разбиты на страницы, а текст может быть форматированным (жирный, курсив, выбор шрифта, таблицы и т.п.), а также в него можно добавлять изображения. Формат идеально подходит для рефератов, докладов и РПЗ курсовых проектов, которые необходимо распечатать. Кстати перед печатью также сохраняйте файл в PDF, так как принтер может начудить со шрифтами.
откуда определяют «α».















