Algoritm (1016846), страница 3
Текст из файла (страница 3)
Если вынесенное сечение не помещается на поле чертежа, то поскольку оно симметричное, допускается изображать только половину относительно его оси симметрии.
Правильно скомпонованный чертеж должен отвечать следующим основным требованиям:
- равномерное чередование областей изображения и свободных частей поля чертежа
- не допускается «наложение» изображений друг на друга, кроме случаев, предусмотренных стандартами.
Рис. 7
Результатом выполнения компоновки является построение габаритных прямоугольников изображения в масштабе 1:1 (строятся тонкими линиями на формате A3, на котором впоследствии будет выполняться основное изображение, оформленное рамкой и основной надписью).
Проверьте, хватит ли места для нанесения обозначений разрезов и сечений согласно ГОСТ 2.305-68. Хватает ли места для нанесения размеров. Расстояние между размерными линиями и контуром должно быть не менее 10 мм, а между размерными линиями не менее 7 мм. Более подробно о нанесении размеров см. далее. (ГОСТ 2.307-68). Проверьте, не «накладываются» ли изображения друг на друга, или на рамку чертежа. Если нет, то компоновку следует считать законченной.
3.4.3. Контрольные вопросы
1. Каким требованиям должен отвечать правильно скомпонованный чертёж?
2. Какие Вы знаете способы компоновки? Приведите примеры.
3.5. Построение изображений
Задача 5. Построение изображений.
В основе графического языка представления информации о форме и положении геометрического тела лежит метод проекций, в частности, комплексный чертеж, построенный на основе прямоугольного проецирования. Однако, если двухпроекционный комплексный чертеж может обеспечить полноту, непротиворечивость и независимость представления одной или ограниченного числа поверхностей тел-примитивов и сложного тела, то двухпроекционное изображение составных тел из-за увеличения количества и произвольности их взаиморасположения приводит к потере этих необходимых качеств. Кроме того, ухудшается наглядность. Количественные изменения приводят к потребности качественных изменений в составе и структуре изображений, построенных на основе комплексного чертежа, при условии сохранения соответствующих ему графических методов решения геометрических задач. Правила построения изображений определяются рядом стандартов. Понятию геометрического тела соответствует понятие предмета, используемого в ГОСТ 2.305-68 "Изображения - виды, разрезы, сечения", в котором излагаются правила выполнения изображений предмета. В конструктивном представлении предмета на основе выделенных способов образования используются два представления:
- предмет - замкнутый отсек пространства, ограниченный поверхностями (в традиционной технологии);
- предмет - совокупность составляющих его тел, заданной формы и положения, связанных булевыми операциями (в компьютерной технологии).
Эти представления позволяют конструктивно раскрыть содержание основных правил и положений стандартов.
В соответствии с функциями, которые должны выполнять изображения предмета, они подразделяются на виды, разрезы сечения, (ГОСТ 2.305-68).
Вид – изображение обращённой к наблюдателю видимой части поверхности предмета. Иными словами изображение, обеспечивающее выявление внешних форм предмета и представляющее собой прямоугольную проекцию поверхностей, ограничивающих тело (видимые поверхности изображаются сплошными линиями, а внутренние - штриховыми линиями по ГОСТ 2.303-68 "Линии")
Разрез - изображение предмета, мысленно рассеченного одной или несколькими плоскостями. На разрезе изображается то, что получается в секущей плоскости, и то, что расположено за ней.
Сечение - изображение фигуры, получающейся при мысленном рассечении предмета одной или несколькими плоскостями. На сечении показывается только то, что получается непосредственно в секущей плоскости.
Классификация разрезов и сечений строится на основании следующих критериев (ГОСТ 2.305-68):
Для разрезов имеем:
по отношению секущей плоскости к габаритным параметрам предмета, ассоциируемых с понятиями "длина", "ширина", "высота": продольные, поперечные;
по отношению секущей плоскости к горизонтальной плоскости проекций: горизонтальные, вертикальные (фронтальные или профильные) или наклонные;
по количеству секущих плоскостей: простые или сложные, последние из которых в зависимости от взаимного расположения секущих плоскостей делятся на ступенчатые и ломаные;
по взаимному расположению изображений предмета - расположенные на месте видов (основных, дополнительных или местных) или совмещенные с их частью;
по полноте изображения поверхностей, ограничивающих тело предмета: полные или местные.
Для сечений имеем:
по взаимному расположению изображений предмета относительно друг друга: наложенные, вынесенные или в разрыве.
Условности и упрощения, сформулированные в стандарте, определяют правила оформления изображений, обеспечивающие рациональную компоновку изображений. Принятые обозначения изображений обеспечивают однозначность и надежность передачи информации о геометрии предмета.
3.5.1. Алгоритм выполнения изображений
3.5.1.1. Построить отсеки тел-примитивов на трех проекциях тонкими линиями толщиной S/2 ... S/3 (ГОСТ 2.305-68 “Линии”).
3.5.1.2. Построить сложный разрез как сечение тел-примитивов секущими плоскостями и изображения поверхностей, расположенных за ними на месте главного вида. В примере выполняется сложный ступенчатый разрез по ГОСТ 2.305-б8.
Ступенчатый разрез - когда секущие плоскости параллельны между собой. Применяется, как правило, для раскрытия параметров тел примитивов прямоугольной формы, при этом секущие плоскости уровня (обычно фронтальные и профильные) проходят через их оси симметрии.
Ступенчатые разрезы - наиболее предпочтительные, так как на них сохраняется проекционная связь между изображениями.
Ломаный - когда секущие плоскости пересекаются. Применяется, как правило, для раскрытия параметров тел примитивов круглой формы, при этом секущие проецирующие плоскости (обычно горизонтально проецирующие) проходят через их оси симметрии.
Ломаные разрезы - менее предпочтительные, так как на них происходит нарушение проекционной связи.
Все сложные разрезы имеют обозначения. Рёбра жёсткости, совпадающие с продольной секущей плоскостью, условно показываются не заштрихованными. После выполнения сложных разрезов выполняют простой на виде слева.
3.5.1.3. Построение простого профильного разреза на месте вида слева. Если изображения вида и разреза по отдельности симметричные фигуры, то вид с разрезом соединяется штрих-пунктирной тонкой линией (осевой). Если изображение ребра многогранника совпадает с осевой линией, то при соединении вида с разрезом используется волнистая линия (ГОСТ 2.303-68). Если изображение разреза несимметричное, то простой разрез изображается полностью. Простой разрез не обозначают, если секущая плоскость совпадает с плоскостью симметрии предмета. В примере фигуры вид слева и разрез по отдельности симметричны, поэтому вид совмещен с разрезом, но при этом обозначается как В-В, так как секущая плоскость не проходит через плоскость симметрии предмета.
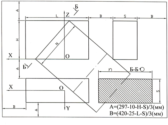
3.5.1.4. Построить вынесенное сечение наклонной плоскостью Б-Б.
Для распознавания формы сечения, выполненного наклонной плоскостью можно построить его проекцию на виде сверху (тонкими линиями). Эта проекция сечения позволяет распознать его форму и определить недостающие размеры (ширину, или длину), в зависимости от положения секущей плоскости. Размеры фигуры сечения определяются характерными точками плоской линии сечения. Эти точки необходимо определить и желательно обозначить на чертеже.
Сначала строят наружный контур вынесенного сечения, затем – внутренний. По наружному контуру секущая плоскость сечения вначале пересекает цилиндр (2) по эллипсу, затем пересекает призму (1) по прямоугольнику. По внутреннему контуру плоскость сечения пересекает цилиндры (6), и (8), также, по эллипсам. При построении эллипсов необходимо определять координаты его характерных точек, т.е. точек большой и малой осей, и точек, ограничивающих его части. Если фигура сечения симметрична, допускается изображать его половину. Знак
означает, что сечение повернуто для обеспечения рациональной компоновки чертежа. Диаметр окружности знака не менее 5 мм.
Для окончательного оформления изображений необходимо удалить все линии невидимого контура, выполнить штриховку разрезов и сечений в зависимости от вида материала по ГОСТ 2.306-68 и обвести контуры изображений основной сплошной линией, по ГОСТ 2.303-68. Обозначения изображений указываются после нанесения размеров согласно ГОСТ 2.305-68 и ГОСТ 2.304-68 «Шрифты чертежные».
3.5.2. Построение осуществляется в той же последовательности, что и для пар тел-примитивов (см. ранее). В местах рассечения материала тел-примитивов секущей плоскостью необходимо нанести штриховку, как для общего графического обозначения материала или исходя из условий задания, указанных в варианте согласно ГОСТ 2.306-68. В последнюю очередь строится вынесенное сечение.
Проверьте, все ли разрезы обозначены. На всех ли местах изображения штриховка одинаковая. Если изображение сечения повёрнуто, то имеет ли оно соответствующий знак, и соответствует ли он требованиям стандарта. Убедитесь, в том, что если в Вашей работе рёбра жёсткости, совпали с продольной секущей плоскостью, то они не заштрихованы.
3.5.3. Контрольные вопросы
-
Что называется видом? Дайте определение, приведите примеры. (ГОСТ 2.305-68 п.1.5).
-
Какие названия видов Вы знаете? Какой из них считается главным видом? Приведите примеры. (ГОСТ 2.305-68 п.2.1).
-
Какие виды изображений, предусмотренные соответствующими стандартами, Вы знаете? Назовите и приведите примеры. (ГОСТ 2.305-68 п.1.4…п.1.7).
-
Что называется дополнительным видом? В каких случаях применяется? Приведите примеры. (ГОСТ 2.305-68 п.2.3).
-
Как обозначаются на чертеже дополнительные виды? Приведите примеры. (ГОСТ 2.305-68 п.2.6).
-
Что называется местным видом? Дайте определение, приведите примеры. (ГОСТ 2.305-68 п.2.6).
-
В каких случаях вид с разрезом совмещается штрих пунктирной осевой линией? Привести примеры. (ГОСТ 2.305-68 п.3.7).
-
Что называется выносным элементом? Дайте определение, приведите примеры. (ГОСТ 2.305-68 п.5.1).
-
Что является критерием выбора главного вида? Дайте определение, приведите примеры.
-
Что называется разрезом? Дайте определение, приведите примеры. (ГОСТ 2.305-68 п.1.6).
-
Как классифицируются разрезы в зависимости от количества плоскостей проекций? Приведите примеры. (ГОСТ 2.305-68 п.3.1…п.3.4).
-
Какие Вы знаете сложные разрезы, предусмотренные соответствующими стандартами? Приведите примеры. (ГОСТ 2.305-68 п.3.3).
-
В каких случаях и как на чертежах обозначаются простые и сложные разрезы? Привести примеры. (ГОСТ 2.305-68 п.3.5…п.3.6).
-
Все ли элементы на изображении разреза, рассекаемые секущей плоскостью, подлежат штриховке? Приведите примеры. (ГОСТ 2.305-68 п.6.5).
-
В каких случаях применяется условное графическое изображение «повёрнуто»? Приведите примеры. (ГОСТ 2.305-68 п.3.10, п.4.4).
-
Что называется местным разрезом? Дайте определение, приведите примеры. (ГОСТ 2.305-68 п.3.12).
-
Что называется сечением? Дайте определение, приведите примеры. (ГОСТ 2.305-68 п.1.7).
-
Какие Вы знаете сечения? Дайте определение, приведите примеры. (ГОСТ 2.305-68 п.4.1).
-
В каких случаях нельзя выполнять сечение? Приведите примеры. (ГОСТ 2.305-68 п.4.8).
-
Как следует ориентировать линии штриховки на чертеже в случае общего графического обозначения материала? (ГОСТ 2.306-68 п.1, п.5).
3.6. Нанесение на изображения параметров формы, положения и необходимых обозначений
Задача 6. Нанесение на изображения параметров формы, положения, и необходимых обозначений.
Поскольку уже определены параметры тел-примитивов, составляющих геометрическое тело (предмет), то теперь необходимо внести коррективы, вызванные изменением типа изображений и произвести окончательную простановку размеров с учетом ГОСТ 2.307-68.
3.6.1. Алгоритм нанесения размеров
Размеры проставляются на тех изображениях, ради которых они выполнены. Последовательность простановки размеров определяется обратно к последовательности формообразования (от внутренних к внешним от меньших к большим), то есть начинают с меньших внутренних и заканчивают большими внешними, причём в начале ставятся параметры формы, а затем положения. Когда матрица смежности заполнена правильно, то такая последовательность, как правило, выполняется автоматически, в том случае если простановку размеров производят в порядке обратном последовательности заполнения матрицы. Начинают простановку с тела-примитива, имеющего больший номер и заканчиват базовым телом.
Требования по нанесению размеров:
















