12-13 (1013744), страница 4
Текст из файла (страница 4)
Термический кпд цикла Гемфри равен:
, - (изобара ba и адиабаты zb и ac).
После подстановки этих значений в выражение для
получим:
Таким образом, термический кпд цикла Гемфри является прямой функцией степени сжатия
(или П) и степени повышения давления в процессе подвода теплоты q1 по изохоре
.
13.4.3. Цикл жидкостного ракетного двигателя
ЖРД – это ракетный двигатель, работающий на жидком ракетном топливе. ЖРД был предложен К.Э. Циолковским (1857-1935) как двигатель для полетов в Космосе в 1903 году. Практические работы по созданию ЖРД были начаты в США в 1921 году Р. Годдардом (1882-1945) и в 1926 г. был произведен запуск ракеты с ЖРД. В 1931 г. испытаны первые в СССР ЖРД ОРМ и ОРМ-1 в газодинамической лаборатории (в дальнейшем РНИИ,
НИИ-1, НИИТП) под руководством В.П. Глушко.
Идеальный цикл ЖРД – прямой газовый изобарный цикл полного расширения:
где 1-2 – изохорный процесс сжатия и нагнетания жидких компонентов топлива в камеру сгорания при помощи турбонасосного агрегата (ТНА). Принимается, что объем жидкости
, где vГ – объем газообразных компонентов, т.е. пренебрегается удельным объемом vж по сравнению с удельным объемом vГ, и что энтальпия h1=h2=0, т.к. жидким компонентам топлива теплота не сообщается;
2-3 – изобарный процесс подвода теплоты q1;
3-4 – адиабатное расширение продуктов сгорания в сопле Лаваля;
4-1 – изобарный процесс отвода теплоты q2 в окружающую среду.
Эти процессы образуют цикл с положительной результирующей работой (
).
Термический кпд цикла ЖРД будет равен:
т.к. h1=h2=0. В методе круговых процессов, используемого для анализа цикла ЖРД, при расчете энтальпий теплота образования вещества не учитывается. Поэтому энтальпии
и
. Тогда
где
- степень повышения давления. Тогда
Таким образом, термический кпд цикла ЖРД растет с ростом давления рабочего тела в камере сгорания двигателя (р3=р2).
Представим термический кпд цикла ЖРД в виде:
Тогда можно сделать вывод, что при заданной теплоте источника термический кпд цикла ЖРД тем больше, чем больше степень расширения газа в сопле, т.е. чем больше разность энтальпий (h3-h4), а результирующая работа цикла (располагаемая работа) целиком идет на создание кинетической энергии струи, вытекающих из сопла продуктов сгорания.
13.5. Методы сравнения эффективности различных циклов
В разделе 13.3. для сравнения экономичности циклов Отто и Дизеля при различных заданных условиях сравнения использовался графический метод сравнения при помощи T-s диаграммы. В данном разделе рассмотрим метод сравнения, основанный на использовании усредненных температур:
и
, которые графически демонстрируются на следующих рисунках:
Таким образом, сравниваемые циклы заменяются на эквивалентные циклы Карно при использовании усредненных температур. Тогда термический кпд эквивалентного цикла Карно можно представить в виде:
. Сравнение термических кпд различных эквивалентных циклов Карно между собой проводится при одинаковых предельных температурах:T1=Tmax и T2=Tmin. Сравним эквивалентные циклы А, Б, В с К- циклом Карно:
Чем больше термический кпд эквивалентного цикла Карно, тем экономичней двигатель. Чем больше усредненная температура
подвода теплоты и чем меньше эквивалентная температура
отвода теплоты, тем больше термический кпд цикла. Так как изобара более пологая логарифмическая кривая в T-s координатах, чем изохора, то изобарный цикл
более экономичен, чем изохорный цикл
, т.е. термический кпд цикла Дизеля больше термического кпд цикла Отто (
).
13.6. Газовые поршневые компрессоры. Расчет работы сжатия. Характеристики одно- и многоступенчатых компрессоров. Потери на сжатие
Компрессоры предназначаются для сжатия газообразных рабочих тел. На осуществление обратного цикла, по схеме которого работают компрессоры, расходуется механическая работа.
Одноступенчатый компрессор
Давление р3=р2 и температура Т3=Т1.
Процесс сжатия в компрессоре в p-v и T-s координатах имеет вид:
где А-1 – линия всасывания; 1-2 – процесс сжатия газа; 2-В – линия нагнетания сжатого газа в баллон; (-L) – работа, затрачиваемая на привод компрессора.
На диаграмме T-s работа, затрачиваемая на привод компрессора равна площади F23EF.
Линия А-1 и 2-В не изображают термодинамические процессы в координатах р[Па]-V[м3], так как количество рабочего тела на них переменно. При этом удельные параметры состояния газа (p, v, T) практически не изменяются. Основной характеристикой компрессора является степень повышения давления П=р2/р1. Для одноступенчатого компрессора П=8-12. Величина П=р2/р1 для одноступенчатого компрессора ограничивается максимальной температурой в конце процесса сжатия Т2max
(3000C) из-за опасности возгорания масла и наличием вредного (мертвого) пространства между поршнем компрессора и днищем цилиндра из-за размещения в нем клапанов (всасывающего и нагнетательного), что учитывается объемным кпд компрессора
, где V – фактический объем всасываемого газа. Для реальных компрессоров
(всегда). Влияние вредного пространства на степень повышения давления в одноступенчатом компрессоре проиллюстрируем следующим рисунком:
где процесс В1-А1 – это процесс расширения газа, оставшегося во вредном пространстве; т.А1 – фактическое начало всасывания газа. С ростом давления р2 объемный кпд компрессора
уменьшается и при
фактический объем всасываемого газа равен нулю (
) и
.
При расчете работы на привод компрессора принимается, что процесс сжатия газа – равновесный, вредное пространство отсутствует и потерями давления на всасывание и нагнетание газа можно пренебречь. Тогда цикл компрессора будет иметь вид:
Механическая работа, затрачиваемая в одноступенчатом компрессоре на сжатие 1 кг газа, равна:
или
, или
, где показатель политропы
.
При медленном сжатии
(изотерма). При очень быстром сжатии
(адиабата). Работа при адиабатном сжатии равна
При изотермическом сжатии работа равна:
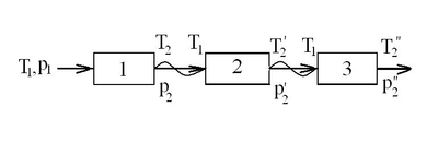
Сжатие в многоступенчатом компрессоре
При расчете работы на привод многоступенчатого компрессора принимается, что Т2=Т
, т.е. что температура газа в конце процесса сжатия в каждой ступени одинакова, и что работа сжатия в каждой из ступеней компрессора одинакова, т.е. l1=l2=l3=lц/3, где 3 – число ступеней компрессора в рассматриваемом примере. Каждая ступень работает в одном и том же интервале температур от Т1 до Т2, как показано на следующей схеме:
При этом в каждой ступени имеет место один и тот же политропический процесс сжатия:
где П1=П2=П3=П. Тогда р2=Пр1, р
=П2р1, р
=П3р1 и т.д.
При этом конечное давление в многоступенчатом компрессоре с числом ступеней N будет равно:
Тогда для трехступенчатого компрессора (N=3) работа, затраченная на сжатие газа, будет равна:
а для произвольного числа ступеней N будем иметь следующее выражение:
















