№13 Схемотехника комбинационных. регистровых и пересчетных схем (1006335)
Текст из файла
№13 Схемотехника комбинационных. регистровых и пересчетных схем
Комбинационная схемы – это схема, выходные сигналы которой зависят только от входов в каждый момент времени.
В комбинационных схемах (КС) совокупность выходных сигналов (выходное слово У) в любой момент времени однозначно определяется входными сигналами (входным словом X), поступающими на входы в тот же момент времени (рис. 3.4, а).
Реализуемый в этих схемах способ обработки информации называется комбинационным, так как результат обработки информации зависит только от комбинации входных сигналов и вырабатывается сразу при подаче входной информации.
Закон функционирования КС определен, если задано соответствие между ее входными и выходными словами, например, в виде таблицы.
Это соответствие может быть задано и в аналитической форме с использованием булевых функций.
Регистр представляет собой совокупность триггеров, число которых соответствует количеству разрядов в двоичном слове, и вспомогательных схем, позволяющих дополнительно реализовать следующие
функции регистров:
установку регистра в нуль (запись нулевого слова);
прием-передачу слова с поразрядной инверсией;
сдвиг слова вправо или влево на заданное число разрядов;
прием-передачу с преобразованием последовательного кода слова
в параллельный и наоборот. (При реализации последовательного кода
все разряды слова передаются во времени последовательно один за, другим по одной шине, при реализации параллельного кода все разряды слова передаются одновременно, каждый по своей шине).
На рис представлена схема регистра на триггерах
типа J-K с приемом и выдачей параллельных кодов слов.
В регистре на синхронных триггерах типа J-K можно реализовать
выполнение следующих поразрядных логических операций над преж-
ним содержание регистра и входным словом:
логического сложения (дизъюнкции)
логического умножения (конъюнкции)
сложения по модулю 2 (неравнозначности)
Здесь
– предыдущее содержимое i-го разряда регистра;
–
соответствующий разряд входного слова;
– новое содержимое i-го
разряда регистра.
Регистры, выполняющие операцию сдвига, называются сдвигающ-
ими регистрами.
По способу межразрядных связей сдвигающие регистры бывают с
однофазной передачей информации (на триггерах типа D) и с пара-
фазной передачей информации (на триггерах типа j-k).
Пo направлению сдвига регистры делятся на три типа: регистры,
сдвигающие вправо; регистры, сдвигающие влево; реверсивные сдви-
гающие регистры, которые в зависимости от управляющих сигналов сдвиг кодов или вправо, или влево. При наличии цепей
связей между младшим и старшим разрядами сдвигающие регистры
называются кольцевыми. Такие схемы удобны для исследования, об-
ладают свойством деления частоты входных сигналов и могут быть
использованы в качестве счетчиков.
На рис. 5.2, а представлена однофазная схема сдвигающего реги-
стра на D-триггерах, реализующая сдвиг кода влево. Шина «Уст. 0»,
на которую подается сигнал установки нулевого слова, связана со вхо-
дами R всех триггеров регистра.
Рассмотрим работу схемы в кольцевом режиме (выход триггера
старшего разряда регистра связан со входом триггера младшего раз-
ряда) при наличии в регистре двоичного кода 0001. С приходом сиг-
нала сдвига на входы синхронизации С всех D-триггеров происходит.
перезапись информации из каждого i-го разряда в (i – 1)-й разряд и
из 1-го в 4-й (за счет кольцевой связи). После поступления первого
сигнала сдвига содержимое регистра представляет код 0010., после
второго сигнала сдвига — 0100 и т.д. (см. временную диаграмму на
рис. 5.3, а). После поступления четырех сигналов сдвига восстанав-
ливается начальное содержание регистра 0001.
На рис. 5.2, б представлена парафазная схема сдвигающего регистра, выполненная на триггерах типа J-К и реализующая сдвиг вправо. Межразрядная связь осуществляется соединением выходов
и
триггеров (i – 1)-го разряда со входами J и K соответственно триггера i-го разряда. Временная диаграмма работы схемы указана на рис.5.3, б.
Схема реверсивного сдвигающего регистра на триггерах типа D
приведена на рис. 5.4, где каждый i-разряд схемы соединен с (i–1) -
разрядом и с (i+1)-разрядом посредством логических элементов «И--
ИЛИ-НЕ, единичный выход которых определяется наличием хотя бы од-
ного нуля на входе каждой из схем И (рекомендуем составить само-
стоятельно таблицу истинности функции данного элемента
=
).
Поэтому выбор режима осуществляется отключением одной
из схем И сигналом 0.
Так, при постоянном нулевом сигнале на шине управления ревер-
сом, соединенные с ней верхние элементы И — НЕ влияют на работу
схемы. Соединение нижних (работающих) элементов И обеспечивает
передачу информации для сдвига вправо, от (i-1)-го разряда к i-му.
При постоянном нулевом сигнале на шине «влево» управления ревер-
сом отключены нижние элементы И, а соединение верхних обеспечи-
вает сдвиг информации влево, от (i+1)-го разряда к i-му.
Включение шин управления реверсом должно быть раздельным. Применение элементов И-ИЛИ-НЕ в данной схеме определяет необходимость использования инверсных выходов триггеров.
Счетчиком называется операционное устройство, фиксирующее
число сигналов во входной последовательности.
По целевому назначению счетчики подразделяются на простые
и реверсивные. Простые счетчики работают либо в режиме сложения (суммирующие счетчики), либо в режиме вычитания (вычитающие счетчики). Реверсивные счетчики реализуют оба режима
счета.
Основой построения счетчиков служат триггеры.
Если соединения разрядов счетчика передают перенос в старший
разряд при переходе младшего разряда из состояния 1 в состояние 0,
счетчик работает в режиме сложения:
0011 — исходное состояние разрядов счетчика;
1 — входной сигнал суммируется;
< < – – — межразрядные переносы при переходе 1-0;
0100 — результирующее состояние.
Если перенос в старший разряд образуется при переходе младше-
го разряда из состояния 0 в состояние 1, счетчик работает в режиме вычитания:
0100 — исходное состояние разрядов счетчика;
1 — входной сигнал вычитается;
< < – – — межразрядные переносы при переходе 0-1;
0011 — результирующее состояние.
Выбор перехода 1-0 определяется передачей на следующий раз-
ряд сигнала прямого выхода триггера j-k (или инверсного выхода
триггера D), а перехода 0-1 — передачей инверсного выхода триггера
j-k (или прямого выхода триггера D).
Быстродействие счетчика зависит от реализации межразряд-
ных соединений. Существует три основных способа передачи пе-
реносов: последовательный, параллельный и групповой. Группо-
вой перенос представляет комбинацию параллельного переноса
в группе и последовательного между группам разрядов счетчика
или наоборот.
В счетчике с последовательным переносом на вход следующего
(старшего) разряда счетчика подается сигнал непосредственно с вы-
хода предшествующего (младшего) разряда, поэтому триггеры счетчи-
ка переключаются последовательно: выходной сигнал на последнем
старшем разряде появляется только после срабатывания всех младших
разрядов, т.е. средняя задержка переключения n-разрядного счетчика
определяется:
где
– средняя задержка переключения счетчика;
– cредняя задержка переключения триггера; n — количество разрядов счетчика.
На рис. 6.1, a, б приведены схемы суммирующего, а на рис.
6.1, в, г – вычитающего счетчиков с последовательным перено-
сом, реализованных на триггерах j-k и D-типов соответственно.
В счетчиках с параллельным переносом на информационный
вход каждого разряда поступают сигналы с выходов всех предшест-
вующих (младших) разрядов, а входной счетный сигнал одновременно
(параллельно) поступает на синхровходы С триггеров во, всех разря-
дах. Счетчики с параллельным переносом обычно строятся на базе j-k
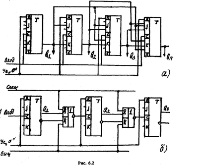
и D-триггеров, синхронизируемых входом. На рис. 6.2, а представлена
схема суммирующего счетчика с параллельным переносом на тригге-
рах типа j-k.
Средняя задержка переключения счетчика с параллельным пере-
носом определяется:
, где
– средняя задержка пере-
ключения одного триггера.
При построении реверсивного счетчика необходимо предусмот-
реть возможность выбора режима счета (сложение или вычитание). Схема асинхронного реверсивного счетчика с последовательным пе-
реносом, показана на рис. 6.2, б. В зависимости от управляющего сиг-
нала (сложение — вычитание) открываются схемы И-ИЛИ-НЕ меж-
разрядных переносов либо для режима сложения, либо для режима
вычитания.
Одним из основных параметров, характеризующих счетчик, является емкость счетчика.
Емкостью счетчика называется число его различных состоя-
ний. Двоичный n-разрядный счетчик имеет максимальную емкость
.
Для рассмотренных выше четырехразрядных двоичных счет-
чиков имеем
различных состояний: 0000, 1000, 0100, 1100,
..., 1111; порядок смены состояний при подаче входных сигналов
определяется режимом счета. Если выходной сигнал снимается
только со старшего разряда счетчика, то он будет указывать, что
на вход подано
сигналов.
Схема счетчика, формирующая выходной сигнал после поступле-
ния на его вход фиксированного числа сигналов, называется пере
счетной схемой. Число входных сигналов, определяющее появление
выходного сигнала, принято называть коэффициентом пересчета
схемы.
При наличии обратных связей n-разрядный двоичный счетчик
имеет емкость
; такие схемы называются счетчиками по модулю K.
Построение счетчика (или пересчетной схемы) с заданным числом
состояний К выполняется следующим образом.
-
Определяется количество разрядов n из условия:
-
Определяется число неиспользуемых состояний:
которое представляется n-разрядным двоичным кодом.
-
В зависимости от требований к кодированию внутренних состо-
яний схемы, используются три способа построения:
а) начальное состояние счетчика кодируется числом т, остальные –
,
Характеристики
Тип файла документ
Документы такого типа открываются такими программами, как Microsoft Office Word на компьютерах Windows, Apple Pages на компьютерах Mac, Open Office - бесплатная альтернатива на различных платформах, в том числе Linux. Наиболее простым и современным решением будут Google документы, так как открываются онлайн без скачивания прямо в браузере на любой платформе. Существуют российские качественные аналоги, например от Яндекса.
Будьте внимательны на мобильных устройствах, так как там используются упрощённый функционал даже в официальном приложении от Microsoft, поэтому для просмотра скачивайте PDF-версию. А если нужно редактировать файл, то используйте оригинальный файл.
Файлы такого типа обычно разбиты на страницы, а текст может быть форматированным (жирный, курсив, выбор шрифта, таблицы и т.п.), а также в него можно добавлять изображения. Формат идеально подходит для рефератов, докладов и РПЗ курсовых проектов, которые необходимо распечатать. Кстати перед печатью также сохраняйте файл в PDF, так как принтер может начудить со шрифтами.










