ПЗ_Куликова (1004406), страница 7
Текст из файла (страница 7)
На станциях оборота локомотивов устраиваются только экипировочные устройства и пути стоянки локомотивов в ожидании выдачи их подпоезда. Здесь производится техническое обслуживание ТО-2 и экипировка локомотивов.
4.3.2 Расчет локомотивных зданий
Здание локомотивного депо включает в себя цехи для ремонта и технического обслуживания локомотивов, мастерские и административно-бытовой корпус. Локомотивное депо проектируется по типовым проектам в зависимости от годовой программы ремонтов, определяемой годовым пробегом приписанных локомотивов и нормами пробега между ремонтами. Годовой пробег локомотивов, приписанных к депо, находится по формуле:
(4.4)
где
– число пар поездов, обращающихся на участков в средние сутки максимального месяца;
– длина участка обращения локомотивов;
– коэффициент, учитывающий неравномерность грузового движения,
;
– доля локомотивов, поступающих в ремонт,
.
Потребное число стойл для видов ремонта и техническогоТО-3 определяется по формуле:
(4.5)
где
- годовой пробег локомотивов, млн. лок-км;
- потребность в ремонтных стойлах на 1 млн. лок-км в год.
При разработке схемы локомотивного хозяйства и масштабной укладке путевого развития локомотивного хозяйства учитываются следующие принципы проектирования:
-
пути в зданиях и перед ними на расстоянии длины локомотива устраиваются прямыми;
соединительные пути, ведущие к стойлам, проектируются как можно короче, для чего применяются сокращенные соединения и улицы под углом кратным ;
-
обходной путь вокруг здания депо предусматривается со стороны противоположной административно-бытовому корпусу;
-
при выборе площадки под локомотивное депо учитывается возможность дальнейшего развития;
-
в районе локомотивного депо укладывается 2-3 тупиковых пути длиной 130-170 м для отстоя резервных локомотивов, путь для выгрузки колесных пар и оборудования, выгрузочный путь для топлива и материалов, поступающих на объединенную теплопневматическую станцию.
По формуле (4.4) рассчитывается годовой пробег локомотивов используемых в грузовом движении и пассажирском движении соответственно:
млн. лок-км.
стойл
Согласно произведенным расчетам числа стойл для дальнейшего проектирования принимается типовой вариант ремонтного депо I.
Схема проектируемого локомотивного депо приведена на рисунке 4.2.
Рисунок 4.2 – Схема локомотивного депо первого типа
4.3.3 Экипировочные устройства
Экипировка – совокупность операций по подготовке электровоза к работе. В экипировку входят: осмотр электровоза, снабжение песком, смазка трущихся частей с предварительной их очисткой, получение смазки и обтирочных материалов, внешняя очистка и обтирка, проверка автосцепки и локомотивной сигнализации.
В комплекс экипировочных устройств, расположенных на территории локомотивного хозяйства, входят:
служебно-техническое здание;
экипировочные позиции;
раздаточные устройства смазочных материалов;
комплекс для снабжения песком (пескосушильная установка со складами сухого и сырого песка);
склад масел.
Число позиций для экипировки, технического обслуживания локомотивов, смены локомотивных бригад и подготовке локомотивов в рейс определяется по формуле:
(4.6)
где
,
– число локомотивов, подлежащих соответственно экипировке и техническому обслуживанию в течение суток;
– время на экипировку одного локомотива с подготовкой его к поездке (для электровозов
= 25 мин.);
– продолжительность технического обслуживания ТО-2, совмещенного по времени с экипировкой, мин.;
– коэффициент, учитывающий неравномерность поступления локомотивов на экипировку и ТО-2,
=1,2–1,3;
Продолжительность технического обслуживания ТО-2 (
) может быть принята для электровозов ВЛ85 – 90 мин.;
В заданном депо экипируются 60% от общего числа поездных локомотивов
лок. Экипировка, совмещена с ТО-2, будет производиться для 20% от числа экипируемых локомотивов.
лок. Таким образом, 14 локомотивов будут проходить экипировку, совмещенную с ТО-2, и 14 локомотивов будут экипироваться без прохождения ОТ-2.
позиции
Для размещения трех экипировочных позиций проектируются два сквозных пути.
Для расчетов складов песка предварительно определяется тип профиля местности, в зависимости от заданного руководящего уклона. Руководящий уклон составляет 9%, то выбирается II тип профиля – холмистый.
расчет размеров склада для сырого песка выполняется исходя из его суточного расхода для снабжения поездных локомотивов:
(4.7)
где
- число экипируемых локомотивов;
- длина участков обращения, км;
-масса поезда,т;
- норма расхода песка локомотивами, м3 на 1 млн. т-км брутто.
По заданию с направления А экипируется
лок., с направления
Б-
лок., с направления В-
лок., длина участков обращения составляет: А-С – 560 км, Б-С – 580 км, В-С – 530 км; масса поезда- 4700 т., норма расхода песка для электровоза ВЛ 85 принимается 0,35.
м3
Расчет вместимости склада песка определится по формуле:
(4.8)
где 30,4 – расчетное число дней в месяце;
- норма запаса песка на зимний период для расчетного района, принимается 4 месяца;
- коэффициент, учитывающий отходы сырого пескапри обработке и расходы на хозяйственные нужды депо, принимается 1,1;
- коэффициент неравномерности расхода песка, принимается 0,2.
м3.
Длина склада для сырого песка зависит от его ширины и вместимости одного погонного метра. Потребуется запроектировать склад для сырого песка длиной:
Размеры и емкость складов сухого песка определяется в зависимости от количества экипировок в сутки. Сухой песок хранится в двух складах башенного типа с диаметром башен 12 м. общая вместимость башен составляет 3400м3.
Размеры пескосушильной установки и склада масел принимаются по типовым проектам.
Схема проектируемых экипировочных устройств на территории депо приведена на рисунке 4.3.
Рис. 4.3. Схема экипировочных устройств на территории депо: а – закрытого типа для электровозов; 1 – площадка для обдувки тяговых двигателей; 2 – склад масел; 3 – служебно-техническоездание; 4 – пескораздаточные устройства; 5 – склад сухого песка башенноготипа; 6 – пескосушилка; 7 – склад сырого песка
5 Проект путепроводной развязки
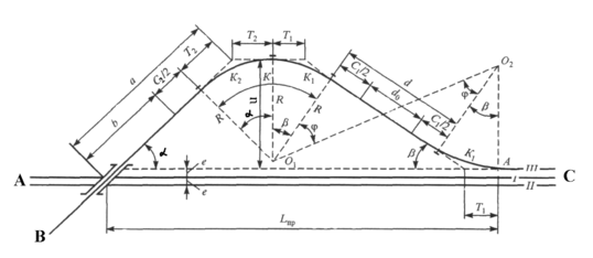
Для обеспечения безопасности движения и высокой пропускной способности в проекте, со стороны примыкания двух подходов запроектирована путепроводная развязка. Расчет путепроводной развязки ведется в плане и профиле.
Расчет путепроводной развязки в плане производится на основе заданных исходных данных: угла наклона
,длины путепровода
м, радиуса кривых
м, длины переходных кривых
м, значения руководящего подъема на направлении В
‰ и схемы, представленной на рисунке5.1
Рисунок5.1. Расчетная схема путепроводной развязки
При расчете путепроводной развязки в плане определяются следующие элементы: угол поворота
главного пути III, длины тангенсов
,
и кривых
,
, минимальная длина путепроводной развязки в плане
(от точки А до середины путепровода) и длина ее проекции
на горизонтальную ось.
Решение производится по следующему алгоритму:
1 Определяется длина прямой вставки:
, (5.1)
где
- длины переходных кривых, м;
- длина прямой вставки между переходными кривыми, принимается - 150 м.
м
2 Рассчитывается угол
:
, (5.2)
, при
. (5.3)
, тогда
3 Определяются длины тангенсов:
- длина тангенса
:
(5.4)
м
- длина тангенса вертикальной сопрягающей кривой
:
, (5.5)
где
– радиус вертикальной сопрягающей кривой, принимается 15 км для линии I категории;
– алгебраическая разность сопрягаемых уклонов, ‰.
4 Рассчитывается минимальная величина b, которая исключает совмещение переходной кривой в плане с вертикальной сопрягающей кривой в профиле:
, (5.6)
при условии, что
,
где
– длина элемента профиля (площадки) в месте сооружения путепровода, принимается минимальная длина,
= 300 м
м,
Тогда как
м, условие выполняется:
5 Определяется величина
по формуле:
(5.7)
м
6 Рассчитывается значение
по формуле:















