Diplom_ГОТОВ (1004336), страница 6
Текст из файла (страница 6)
где:
- момент сопротивления (см.таблицу);
, (2.9)
, (2.10)
А=
(м2) – площадь поперечного сечения по подошве фундамента;
- суммарный момент в сечении, от постоянных нагрузок;
(2.11)
где:
- горизонтальные расстояния (плечи) от центра тяжести сечения, до соответствующих нагрузок;
,
- продольные ветровые нагрузки на пролётное строение и на опору;
, (2.12)
- рабочая площадь пролётного строения;
, (2.13)
- рабочая площадь промежуточной опоры;
- интенсивность нормативной ветровой нагрузки;
, (2.14)
где
- средняя составляющая;
- пульсационная составляющая;
, (2.15)
, (2.16)
где: а) для пролётного строения
- нормативное ветровое давление;
- коэффициент, учитывающий давление ветра на различной высоте;
- аэродинамический коэффициент лобового сопротивления;
- коэффициент динамичности (для разрезных конструкций);
- произведение коэффициентов пульсации и корреляции;
, (2.17)
длина пролёта, или высота опоры;
;
Подставляя численные значения в формулу 2.14, 2.15 и 2.16, получим:
Подставляя численные значения в формулу 2.12, получим:
;
б) для промежуточной опоры
нормативное ветровое давление;
- коэффициент, учитывающий давление ветра на различной высоте;
- аэродинамический коэффициент лобового сопротивления;
- коэффициент динамичности (для разрезных конструкций);
- произведение коэффициентов пульсации и корреляции;
- длина пролёта, или высота опоры;
;
Подставляя численные значения в формулу 2.14, 2.15 и 2.6 получим:
Подставляя численные значения в формулу 2.13, получим:
;
- расстояние (плечо) до усилий
;
- расстояние (плечо) до усилия
,
;
- коэффициент передачи продольного усилия через опорные части;
- коэффициент надёжности по нагрузке, по таблице 3.3 [6];
- коэффициент сочетания временных нагрузок, п.3.1.2. [6];
- ледовая нагрузка, определяется по формуле:
sl=ψ
Rmn
t2∙tgβ=1,31∙55,13∙1,42 ∙tg45о =141,55 тс,
где: ψ = 0,9 – коэффициент формы, находится по приложению Н [6];
Rmn= 0,7
– предел прочности льда на изгиб, находится по формуле (Н.2) [6];
t = 0,6 (м) – толщина льда;
β = 45 о – угол наклона к горизонту режущего ребра опоры.
- коэффициент надёжности по нагрузке, по таблице 3.3 [6];
- коэффициент сочетания временных нагрузок п.3.1.3. [6];
Подставляя численные значения в формулу 2.11, получим:
,
- площадь линии влияния усилий;
- площадь линии влияния моментов;
(м) - полная длина пролётного строения;
Подставляя численные значения в формулу 2.8, получим:
;
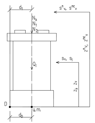
2.1.2.2.Расчёт промежуточной опоры по максимальному давлению по подошве фундамента в поперечном направлении
Схема загружения промежуточной опоры на максимальную нагрузку в поперечном направлении показана на рисунке 2.3.
Рисунок 2.3. – Схема загружения промежуточной опоры на максимальную нагрузку в поперечном направлении
Суммарный момент в сечении от постоянных нагрузок:
, (2.19)
где:
- сумма собственных весов частей тела опоры, расположенных выше рассматриваемого сечения;
nQi,np,
,
,nl - коэффициент надежности по нагрузкам, находится по таблице 3.3 [6];
ек = 0 (м) - горизонтальное расстояние (плечо) от центра тяжести сечения, до соответствующей нагрузке;
- продольная ветровая нагрузка на подвижной состав;
- продольная ветровая нагрузка на пролётное строение;
- продольная ветровая нагрузка на опору;
- ледовая нагрузка;
- расстояние (плечо) до усилия
;
- расстояние (плечо) до усилия
;
- расстояние (плечо) до усилия
;
ηv= 0,5 - коэффициент сочетания для ветровой нагрузки.
Для классифицируемой опоры ветровые нагрузки составляют:
на пролёты:
;
на подвижной состав:
;
на опору:
.
- расстояние (плечо) до усилия
;
- расстояние (плечо) до усилия
;
- расстояние (плечо) до усилия
;
Подставляя численные значения в формулу 2.39., получим:
- площадь линии влияния усилий;
- площадь линии влияния моментов;
Подставляя численные значения в формулу 2.8, получим:
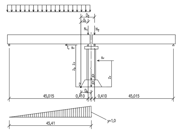
2.1.2.3. Расчёт промежуточной опоры по максимальному давлению по обрезу фундамента в продольном направлении
Расчетная схема загружения промежуточной опоры на максимальную нагрузку в продольном направлении приведена на рисунке 2.2.
- сумма собственных весов частей тела опоры, расположенных выше рассматриваемого сечения;
- расстояние (плечо) до усилия
;
- расстояние (плечо) до усилия
;
Остальные значения, при вычислении суммарного момента в сечении по обрезу фундамента от постоянных нагрузок, принимаются те же, что и в расчёте промежуточной опоры по максимальному давлению по подошве фундамента в продольном направлении.
Подставляя численные значения в формулу 2.11., получим:
;
- площадь линии влияния усилий;
- площадь линии влияния моментов;
- полная длина пролётного строения;
Подставляя численные значения в формулу 2.8., получим:
;
2.1.2.4. Расчёт промежуточной опоры по максимальному давлению по обрезу фундамента в поперечном направлении
Расчетная схема загружения промежуточной опоры на максимальную нагрузку в поперечном направлении та же, что и на рисунке 2.3.
- расстояние (плечо) до усилия
;
- расстояние (плечо) до усилия
;
Подставляя численные значения в формулу 2.19., получим:
- площадь линии влияния усилий;
- площадь линии влияния моментов;
Подставляя численные значения в формулу 2.8., получим:
;
2.1.2.5. Загружение временной нагрузкой обоих пролётов в продольном направлении, в сечении по подошве фундамента
;
;
Подставляя численные значения в формулу 2.8., получим:
;
2.1.2.6. Загружение временной нагрузкой обоих пролётов в продольном направлении, в сечении по обрезу фундамента
;
;
Подставляя численные значения в формулу 2.8., получим:
;
2.1.3. Проверка эксцентриситета равнодействующей по подошве фундамента
Проверка положения равнодействующей постоянных и временных нагрузок производится с целью выяснения попадания равнодействующей в ядро сечения.
Фактический эксцентриситет положения равнодействующей определяется только в сечении по подошве фундамента, в продольном и поперечном направлении. Величина эксцентриситета определяется по общей формуле (2.20).
, (2.20)
где:
– радиус ядра сечения, для наименее загруженной грани;
– допускаемая нагрузка, рассчитанная по максимальному давлению.
Все остальные значения, определены в расчётах по максимальному давлению.
Эксцентриситет положения равнодействующей всех нагрузок в продольном направлении находится по следующей формуле:
Эксцентриситет положения равнодействующей всех нагрузок в поперечном направлении находится по той же формуле:
2.1.4. Расчёт устойчивости против опрокидывания в продольном направлении
Расчётная схема загружения промежуточной опоры для расчёта устойчивости против опрокидывания в продольном направлении приведена на рисунке 2.4.
Рисунок 2.4. – Расчётная схема загружения промежуточной опоры на опрокидывание в продольном направлении
Эквивалентная нагрузка для оценки устойчивости опоры против опрокидывания подсчитывается по следующей формуле:
, (2.23)
где:
– коэффициент условий работы, принимаемый по п. 3.2.4[6] для не скальных грунтов;
- коэффициент надёжности по назначению, по п. 3.2.1 [6];
- сумма опрокидывающих моментов, определяется по следующей формуле:
, (2.24)
(тс
м)
- сумма удерживающих моментов, определяется по следующей формуле:
, (2.25)
(тс
м).
Разность площадей линий влияния опрокидывающих и удерживающих моментов от временной нагрузок, определяется по следующей формуле:
, (2.26)
;
.
Полученные значения подставляются в формулу 2.23:
69,47 (тс/м);
2.1.5. Расчёт на опрокидывание в поперечном направлении
Эквивалентная нагрузка для оценки устойчивости опоры против опрокидывания в поперечном направлении подсчитывается по той же формуле (2.23), что и в продольном направлении.
Расчётная схема загружения промежуточной опоры на опрокидывание в поперечном направлении показана на рисунке 2.5.
Сумма опрокидывающих моментов от постоянных нагрузок подсчитывается по следующей формуле:
;
Сумма удерживающих моментов от постоянных нагрузок подсчитывается по следующей формуле:
, (2.27)
Рисунок 2.5. – Расчётная схема загружения промежуточной опоры на опрокидывание в поперечном направлении
Подставляя численные значения в формулу 2.27, получим:
(тс
м).















