Diplom_ГОТОВ (1004336), страница 5
Текст из файла (страница 5)
Все дефекты разбиты на три категории. Дефектам каждой категорий соответствует своя балльная оценка: I категория – "хорошо",II категория – "удовлетворительно" ,III категория – "неудовлетворительно".[4]
Для приведенных балльных оценок состояния Кпрсост и содержания Кпрсод каждого искусственного сооружения устанавливают следующие показатели качества:
1) отличное при Кпрсост (сод)
4,50;
2) хорошее при 3,50
Кпрсост (сод)< 4,50;
3) удовлетворительное при 2,50
Кпрсост (сод)< 3,50;
4) неудовлетворительное при Кпрсост (сод)<
2,50.
Приведенная балльная оценка моста длиной более 100 м принимается по худшей из оценок, полученных для его частей.[4]
Для определения оценки состояния (содержания) сооружения используется формулу:
(1.1)
где:
- базовая оценка ремонтопригодности сооружения (4,5; 3,5 и 2,5 соответственно для I, II и III категорий), определенная дефектом наибольшей категории по ремонтопригодности сооружения, который обнаружен на искусственном сооружении;
- количество дефектов соответственно I, II и III категорий без учета одного дефекта, сформировавшего базовую оценку;
- коэффициенты, учитывающие категорию дефектов по ремонтопригодности, соответственно для I, II и III категорий (таблица П.2.1 [4]).
В соответствии с формулой (1.1) производится оценка:
-
Для мостового полотна приведенная бальная оценка определяется:
Кпрсост =3,5 – (9∙0,05+3∙0,20) = 2,45 (неудовлетворительно);
Кпрсод =3,5 – (4∙0,05) = 3,3 (удовлетворительно);
-
Для сталежелезобетонных пролетных строений приведенная бальная оценка определяется:
Кпрсост =2,5 – (10∙0,05+4∙0,20) = 1,2 (неудовлетворительно);
Кпрсод =2,5 – (9∙0,05+4∙0,20) = 2,25 (неудовлетворительно);
-
Для массивных опор моста приведенная бальная оценка определяется:
Кпрсост =2,5 – (5∙0,05) = 2,25 (неудовлетворительно);
Кпрсод =4,5 – (4∙0,05) = 4,3 (хорошее);
Анализируя результаты оценки технического состояния элементов моста можно отметить, что при данных дефектах оценка сооружения в целом является "неудовлетворительной".
-
КЛАССИФИКАЦИЯ ГРУЗОПОДЪЁМНОСТИ КОНСТРУКЦИЙ МОСТА
В соответствии с требованиями “Правил технической эксплуатации железных дорог РФ” все мосты железнодорожной сети классифицируются по грузоподъёмности с целью определения условий пропуска различных поездных нагрузок и решения вопросов об усилении, ремонте или реконструкции их.
Грузоподъёмность является одним из самых важных эксплуатационных показателей элементов пролётных строений. Учитывая, что пролётное строение состоит из различных конструктивных элементов, его грузоподъёмность в целом определяют несущей способностью наиболее слабого элемента.
Грузоподъёмность металлических пролётных строений железнодорожных мостов определяется методом классификаций по предельным состояниям первой группы: на прочность, устойчивость формы и выносливость.
В соответствии с требованиями все мосты классифицируют по грузоподъёмности с целью выработки эффективных и безопасных режимов их эксплуатации, решения вопросов об усилении, ремонте или замене сооружений.
Для эксплуатирующихся мостов характерно большое разнообразие конструкций пролётных строений, которые отличаются не только материалами, но и техническими нормами, по которым в разные года проектировали и строили железнодорожные мосты. За прошедшие годы эксплуатации произошли значительные изменения, связанные с увеличением веса поездов, скорости их движения, грузонапряжённости линии, техническим состоянием конструктивных элементов и пролётных строений в целом.
Происходящие изменения в условиях эксплуатации мостов обуславливают необходимость расчёта их по грузоподъёмности, оценки возможности и условий безопасного пропуска по ним поездных нагрузок, существенно отличающихся от тех, которые в своё время учитывались при проектировании.
2.1. Классификация грузоподъемности промежуточной опоры
Грузоподъёмность промежуточных опор определяют:
- по среднему давлению;
- по максимальному давлению;
- по эксцентриситету приложения равнодействующих нагрузок с нахождением относительного эксцентриситета;
-по устойчивости против опрокидывания.
Данные необходимые для расчета грузоподъемности промежуточной опоры приведены в таблице 2.1.
Таблица 2.1 – Данные необходимые для расчета грузоподъемности
2.1.1. Расчёт промежуточной опоры по среднему давлению
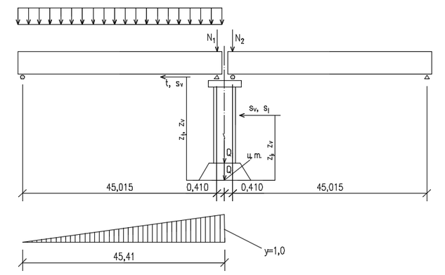
Расчётная схема промежуточной опоры по среднему давлению, показана на рисунке 2.2, данная схема предусматривает загружение временной вертикальной нагрузкой обоих опирающихся пролётных строений. В расчёт по среднему давлению вводят только вертикальные постоянные нагрузки и искомую временную нагрузку, величину которой находят по следующей формуле:
(2.5)
где:
- коэффициент условий работы, для сечения по подошве фундамента (см.п.5.2.3 [6]);
- коэффициент условий работы, для сечения по обрезу фундамента (см.п.5.2.3 [6]);
- коэффициент надёжности по назначению, для сечения по подошве фундамента (см.п.5.2.2 [6]);
- коэффициент надёжности по назначению, для сечения по обрезу фундамента (см.п. 5.2.2 [6]);
- несущая способность грунта основания;
- расчётное сопротивление кладки опоры;
С учётом климатического коэффициента kк=0,93 (см.таблицу 4.8 [6]), расчётное сопротивление равно
;
А – рабочая площадь поперечного (см.таблицу);
- доля вертикальной нагрузки от подвижного состава, для однопутной опоры (см.п.5.4.7 [6]);
- коэффициент надёжности к временным нагрузкам (см.таблицу 5.3 [6]);
- суммарная площадь линий влияния усилий;
, (2.6)
где:
- длина загружения линий влияния;
Подставляя численные значения в формулу 2.26., получим:
;
- суммарное вертикальное усилие от постоянных нагрузок;
(2.7)
где:
- собственный вес частей тела опоры выше расчётного сечения (по обрезу фундамента) с соответствующим коэффициентом надёжности по назначению;
– соб-ственный вес частей тела опоры выше расчётного сечения (по подошве фундамента) с соответствующим коэффициентом надёжности по назначению;
- объём промежуточной опоры, выше сечения по обрезу фундамента;
- объём подферменника опоры, выше сечения по кладке опоры;
- объём фундамента опоры, выше сечения по подошве фундамента;
- удельный вес тяжёлого бетона;
- интенсивность постоянной нагрузки от веса пролётного строения;
- коэффициент надёжности по нагрузке для пролётного строения;
- коэффициент надёжности по нагрузке для мостового полотна;
Подставляя численные значения в формулу 2.7, для сечения по обрезу фундамента получим:
;
Подставляя численные значения в формулу 2.7, для сечения по подошве фундамента получим:
;
Рисунок 2.1. – Расчетная схема по среднему давлению
Подставляя численные значения в формулу 2.25, для сечения по подошве фундамента, получим:
;
Подставляя численные значения в формулу 2.25., для сечения по обрезу фундамента, получим:
;
2.1.2 .Расчёт промежуточной опоры по максимальному давлению
Грузоподъёмность промежуточных опор по максимальному давлению определяют как в продольном, так и в поперечном направлении.
2.1.2.1. Расчёт промежуточной опоры по максимальному давлению по подошве фундамента в продольном направлении
Схема загружения временной нагрузкой одного пролёта показана на рисунке 2.2.
Рисунок 2.2. – Схема загружения временной нагрузкой одного пролёта
Допускаемую временную нагрузку определяют по следующей формуле:
, (2.8)














