Diplom_ГОТОВ (1004336), страница 3
Текст из файла (страница 3)
В теплый период года циклоническая деятельность увеличивается при взаимодействии с муссонной циркуляцией. Летние циклоны приносят большой запас влаги, частые и интенсивные дожди. Столкновение холодных воздушных масс приводит к образованию интенсивных фронтов и увеличению осадков в первой половине лета.
Водный режим реки характеризуется следующими факторами. Средняя дата начала паводочного периода – 25-31 мая. Конец паводочного периода – первая декада октября.
Река Чильчи замерзает обычно в конце октября - начале ноября. Максимальной толщины 40-50 см лед достигает во второй декаде февраля. Река промерзает практически до дна, а фильтрация воды происходит через галечник.
В верховьях реки в течение теплого периода резко выражены подъемы и спады в колебаниях уровня воды, достигающие 2-2,80 м над меженью. Вскрытие реки ото льда происходит в начале мая. Скорости течения воды достигают 3 м/с.
Характерные абсолютные отметки горизонтов и конструкций:
Подпорный уровень высокой воды 1 раз в 300 лет (УВВ0.33%)….478.80 м
Уровень высокой воды 1 раз в 300 лет (УВВ0.33%) ..…….……… 476.60 м
Уровень высокой воды 1 раз в 100 лет (УВВ1%) ..….……...…… 476.15 м
Уровень межени (УМ) ……………..………..…………………… 473.34 м
Отметка верха опор (ВО) ………………………………...…….... 486.90 м
Отметка низа конструкций (НК) …………………….………...... 487.38 м
Отметка подошвы рельса (ПР) .................…….……...……......... 492.26 м
Данные об инженерно-геологических условиях в зоне мостового получены по материалам инженерно-геологических изысканий Ленгипротранса 1976 г.
Подмостовое русло реки сложено однородными аллювиальными отложениями крупной галькой и гравием с примесью разнозернистого песка до 20% и включением окатанных валунов до 10% с прочностью на сжатие R= 6.0 кг/см2, общая мощность которых составляет 1.50-4.0 м. В этих грунтах, имеющих прочность на сжатие 6.0 кг/см2 заложена подошва фундамента мелкого заложения устоя № 4 и подошвы ростверков устоя № 0 и опоры № 1. Этот слой аллювия подстилается мощными коренными скальными породами среднезернистыми крепкими трещиноватыми гранито-гнейсами, в верхней части выветрелыми до элювия супеси и дресвы с прочностью на сжатие: элювий супеси 1.0 кг/см2, элювий дресвы со щебнем прочностью 6.0 кг/см2, трещиноватые гранито-гнейсы прочностью на сжатие 100 кг/см2. В крепких трещиноватых гранито-гнейсах заложена подошва фундамента мелкого заложения опоры № 3 и погружены столбы фундаментов устоя № 0 и опоры №1. Фундамент мелкого заложения опоры № 2 заложен на элювии выветрелого до состояния дресвы гранита с прочностью на сжатие 6.0 кг/см2.
Геологический разрез подмостового русла, построенный по материалам изысканий Ленгипротранса 1976 г., приведен на чертеже № 1 (общий вид моста).
Регуляционных сооружений не имеется. Конуса подходных насыпей имеют бермы и укреплены камнем.
Опасных размывов подмостового русла и значительных подмывов вокруг опор моста по данным дистанции пути № 20 не было. У опоры № 2 имеется воронка местного размыва глубиной 0.5-2.0 м (максимальная – со стороны Тынды).
1.8. Характеристика пролётных строений
Мост через реку Чильчи - четырехпролетный, сталежелезобетонный, с ездой поверху, расчетная схема моста 4 х 45.00 м.
Пролетные строения моста расчетными пролетами 45.00 м – сталежелезобетонные балочные, со сплошными стенками, с ездой поверху на балласте. Главные балки и связи пролетных строений изготовлены из низколегированной мартеновской стали марки 10ХСНД под расчетную временную нагрузку С14 (1962 г.) по типовому проекту Гипротрансмоста инв.№ 739/6,12 в северном исполнении (для эксплуатации в северной строительной климатической зоне «Б»). Пролетные строения смонтированы на опоры в 1982 г.
Стальная часть пролетного строения состоит из двух главных балок несимметричного двутаврового сечения, объединенных нижними продольными связями крестовой системы из уголков сечением 90+90х9 мм, а также поперечными связями, поставленными через 5,28 м. Верхний пояс балок состоит из одного горизонтального листа постоянного сечения 480х20 мм по всей длине пролета. Нижний пояс состоит из двух листов, и сечение его меняется по длине пролета в соответствии с эпюрой материалов. Вертикальная стенка сечением 1800х14 мм по условиям обеспечения местной устойчивости усилена вертикальными и горизонтальными (в середине пролета) сварными ребрами жесткости. Узловые фасонки связей крепятся к стенке балки и ребрам с помощью уголков и высокопрочных болтов диаметром 22 мм из стали марки 40Х.
На верхние пояса главных балок уложены сборные железобетонные плиты балластного корыта (бетон М300, Мрз300) шириной 418 см, длиной по 250 см и 171 см и толщиной 24 см, которые по длине объединены между собой омоноличенными поперечными стыками. Поперечные стыки между блоками плит шириной 14 см осуществлены сваркой выпусков арматуры диаметром 12 мм и бетонированием монтажного шва монолитным бетоном марки не менее М300, Мрз300. Количество водоотводных трубок диаметром 15 см в консолях балластных корыт плит проезжей части – по 10 шт. с каждой стороны.
Рисунок 1.1 – Общий вид сталежелезобетонного пролетного строения
Объединение сборных железобетонных плит балластного корыта с металлическими главными балками выполнено с помощью упоров. Закладные детали упоров прикреплены к верхним горизонтальным листам пролетных строений 24-32 высокопрочными болтами.
Основные геометрические характеристики:
Расчетный пролет .................................…..................…..…..…....... 45.00 м
Полная длина .........................................................…...............…..... 45.80 м
Длина панели ......................................................................……...….. 5.00 м
Расстояние между осями главных балок .............................…......... 2.30 м
Вес пролетного строения …………………………………….....… 97.76 т.
-
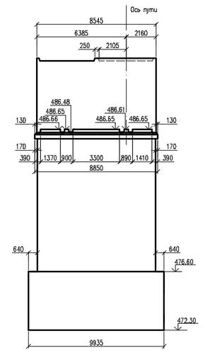
1.9. Характеристика береговой опоры
Береговые опоры (устои) № 0 и № 4 однотипны, запроектированы и построены по индивидуальному проекту Ленгипротрансмоста. Устои моста – массивные, обсыпного типа, с железобетонными крыльями длиной 9.20 м. Устои имеют прямоугольную форму в плане и наклонные передние грани к вертикали.
Материал тела устоев: монолитный бетон марки М200, Мрз200.
Подферменники устоев со сливами и опорными тумбами - железобетон, при монолитном бетоне марки М300, Мрз300.
Для армирования железобетонных элементов опор применялась арматура классов А-I и А-II марок ВСт3сп и 10ГТ по ГОСТ 380-71* и ГОСТ 5781-75.
Рисунок 1.2. – Общий вид опоры №4
Фундамент устоя № 0 устроен на столбчатом основании с применением 35 железобетонных столбов диаметром 80 см типа С12-80-28, фундамент мелкого заложения устоя № 4 на естественном основании (галечник с песком) из монолитного бетона марки М200, Мрз200. Ростверк устоя № 0 из железобетона М300, Мрз200 и фундамент мелкого заложения устоя № 4 сооружены в открытых котлованах в шпунтовом ограждении. Заложение подошв фундаментов от их обрезов составляет: устой № 0 – 3.20 м, устой № 4 – 3.21 м. Глубина заложения столбов от подошвы ростверка устоя № 0 – 9.80 м с заделкой в гнейсы на 65 см.
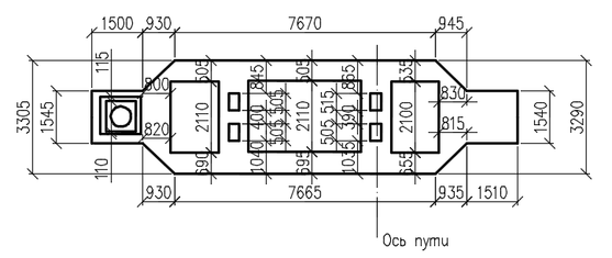
Рисунок 1.3. – Общий вид опоры №4 сверху
-
1.10. Характеристика промежуточной опоры
Промежуточные опоры моста №№ 1-3 – однотипные, массивные, сборно-монолитной конструкции. Тела опор сооружены по типовому проекту Ленгипротрансмоста инв.№ 845/I (1972 г.).
Рисунок 1.4. – Общий вид опоры №2
Тела опор – из 15 рядов железобетонных облицовочных блоков марок Т-145 и К-300 при монолитном бетоне марки М400, Мрз300, внутренние полости которых заполнены монолитным гидротехническим бетоном марки М200, Мрз200 по ГОСТ 4795-68. Промежуточные опоры по высоте армированы каркасами из стержней продольной антисейсмической арматуры класса А-II диаметром 32 мм и поперечной диаметром 12 мм. Продольная антисейсмическая арматура заделана в массивы фундаментов на 130 см. Тела опор из облицовочных блоков с верховой и низовой сторон очерчены по радиусам (полуциркульное очертание).
Рисунок 1.5. – Общий вид опоры №2
Оголовки опор (подферменники) – в виде ригелей с консолями под опоры контактной сети, выполнены из железобетона при монолитном бетоне марки М300, Мрз300, которые в верхней части оформлены сливами и опорными тумбами. Ригели армированы сетками из арматуры класса А-I диаметром 12 мм и А-II по ГОСТ 5781-75 диаметром 20 мм.
Рисунок 1.6. – Общий вид опоры №2 сверху
Рисунок 1.7. – Общий вид опоры №2 сверху в сечении кладки
Фундамент промежуточной опоры № 1 устроен на столбчатом основании с применением 18 железобетонных столбов диаметром 80 см типа С12-80-28, фундаменты мелкого заложения опор №№ 2, 3 на естественном основании из монолитного бетона марки М200, Мрз200, армированы по подошве и в верхней части арматурой Ø 22 мм класса А-II марки 10ГТ. В качестве материала столбов использовался гидротехнический бетон марки М400, Мрз300. По верху столбы объединены монолитным железобетонным ростверком из монолитного бетона марки М300, Мрз200, на который опирается тело опоры. Глубина заложения подошв столбов промежуточной опоры № 1 составляет 9.82 м соответственно от обреза и от подошвы ростверка. Глубина заложения подошв фундаментов мелкого заложения опор №№ 2, 3 от обрезов – 4.90 м.
-
1.11. Характеристика опорных частей
Сталежелезобетонные пролетные строения установлены на типовые секторные опорные части проектировки Гипротрансмоста инв.№ 583 (тип ΙII). Балансиры и секторы опорных частей изготовлены из стали 25Л III гр., а шарниры, опорные плиты и упорные зубья - из стали марки ВмСт5 по ГОСТ 380-60*.
Подвижные опорные части состоят из верхнего балансира и нижнего балансира-сектора радиусом (высотой) 300 мм с цилиндрическим шарниром Ø 80 мм между ними, а также опорной плиты размером 720х940 мм. Секторы от угона вдоль оси моста и сдвига в поперечном направлении удерживаются упорными зубьями, входящие в пазы нижнего балансира и опорной плиты. Упорные зубья прикреплены к торцевым частям опорной плиты болтами. Подвижные опорные части расположены на устое № 0 и на опорах №№ 1-3.
-
Неподвижные опорные части состоят из верхнего и нижнего балансира размером 750х940 мм с цилиндрическим шарниром Ø 80 мм между ними. Неподвижные опорные части расположены на опорах №№ 1-3 и на устое № 4.
-
-
1.12. Характеристика мостового полотна
-
На подходах к мосту и на пролетных строениях моста езда осуществляется на щебеночном балласте, а в пути уложены деревянные шпалы.
На мосту и подходах к нему в пути уложены рельсы типа Р65 Новокузнецкого завода прокатки 1980 г. и укладки 1981 г. длиной по 25 м. Стыки путевых рельсов расположены как на весу, так и на мостовых брусьях и перекрыты типовыми двухголовыми накладками, стянутыми на 4 болта.















