ПЗ БОЧОРУКОВ ДИПЛОМ (1004210), страница 4
Текст из файла (страница 4)
1.2.1 Вариант № 1
Схема моста: 4х34,2м.
Полная длина моста по задним граням устоев – 149,61 м.
Пролетные строения - однопутное железнодорожное;
Применены типовые железнодорожные пролетные строения сварные, металлические балки с полной длиной 34,2 метра согласно типовому проекту Инв.№2210 в северном исполнении, с ездой поверху на балласте.
Береговые опоры запроектированы применительно типовому 495РП "Столбчатые опоры железнодорожных мостов полносборные. Часть I. Конструкции опор (дополнение к инв. N1067/11).
Фундамент промежуточной и береговой опоры – на буроопускных столбах диаметром 0,8 м.
Общий вид моста приведен на чертеже №1.
1.2.2 Вариант №2
Схема моста: 3х45,7м.
Полная длина моста по задним граням устоев – 148,2 м.
Пролетные строения - однопутное железнодорожное;
Применены типовые железнодорожные пролетные строения сплошностенчатые металлические балки с полной длиной 45,7 метра согласно типовому проекту Инв.№739/12 в северном исполнении, с ездой поверху на балласте.
Береговые опоры запроектированы применительно типовому проекту столбчатых опор и фундаментов железнодорожных мостов для северно-климатической зоны (инв. № 1067/1).
Фундаменты промежуточных и береговых опор – на буроопускных столбах диаметром 0,8 м. и 1,2 м. соответственно.
Общий вид моста приведен на чертеже №1.
1.2.3 Вариант №3
Схема моста: 2х66,0 м.
Полная длина моста по задним граням устоев – 146,66 м.
Пролетные строения - однопутное железнодорожное;
Применены типовые железнодорожные пролётные строения с фермой и ездой понизу длиной 66,0 м со сварными элементами и монтажными соединениями на высокопрочных болтах запроектированное применительно типовому проекту (3.501-30/75) с ездой поверху на балласте.
Пролетные строения изготавливаются в северном исполнении Б.
Фундаменты береговых и промежуточных опор – на буроопускных столбах диаметром 1,2 м.
Общий вид моста приведен на чертеже №2.
1.2.4 Вариант №4
Схема моста: 18,8+88,0+18,8 м.
Полная длина моста по задним граням устоев – 140,36 м.
Центральное пролетное строение - типовое железнодорожное пролетное строение со сковзными фермами и ездой понизу на балласте длиной 88,0 м со сварными элементами и монтажными соединениями на высокопрочных болтах запроектированное применительно типовому проекту (3.501-30/75).
Крайние пролетные строения – типовые железнодорожные пролетные строения сплошностенчатые металлические балки с полной длиной 18,8 метра согласно типовому проекту Инв.№2210 в северном исполнении, с ездой поверху на балласте.
Береговые опоры запроектированы применительно типовому 495РП "Столбчатые опоры железнодорожных мостов полносборные. Часть I. Конструкции опор (дополнение к инв. N1067/11).
Фундаменты промежуточных и береговых опор – на буроопускных столбах диаметром 0,8 м. и 1,2 м. соответственно.
Общий вид моста приведен на чертеже №2.
1.2.5 Вариант №5
Схема моста: 3х44,0 м.
Полная длина моста по задним граням устоев – 145,8 м.
Применены типовые пролетные строения железнодорожных мостов, стальные, болтосварные, со сквозными фермами с ездой поверху на балласте пролетами 44,0 м серия 3.501-103 вып.1.
Береговые и промежуточные опоры запроектированы применительно типовому проекту столбчатых опор и фундаментов железнодорожных мостов для северно-климатической зоны (инв. № 1067/1).
Пролетные строения изготавливаются в северном исполнении Б.
Фундаменты промежуточных и береговых опор – на буроопускных столбах диаметром 1,2 м.
Общий вид моста приведен на чертеже №3.
1.2.6 Вариант №6
Схема моста: 2х66,0 м.
Полная длина моста по задним граням устоев – 144,7 м.
Применены типовые пролетные строения железнодорожных мостов, стальные, болтосварные, со сквозными фермами с ездой поверху на балласте пролетами 66,0 м серия 3.501-103 вып.1.
Береговые и промежуточные опоры запроектированы применительно типовому проекту столбчатых опор и фундаментов железнодорожных мостов для северно-климатической зоны (инв. № 1067/1).
Пролетные строения изготавливаются в северном исполнении Б.
Фундаменты промежуточных и береговых опор – на буроопускных столбах диаметром 1,2 м.
Общий вид моста приведен на чертеже №3.
1.3 Технико-экономическое сравнение вариантов
Оценку сравниваемых вариантов и выбор наиболее целесообразного из них выполняют на основании комплексного сопоставления технико-экономических показателей, приведенных в приложении В и сведенных в таблицу 1.10.
Таблица 1.10 – Технико-экономические показатели вариантов моста
| Варианты | Длина моста, м | Строительная стоимость, руб. | Трудоемкость, чел-ч. | |||
| моста в целом | на 1 п.м. | моста в целом | На 1 п.м. | |||
| Вариант №1 | 149,61 | 496712,5 | 3320 | 11838,5 | 79,13 | |
| Вариант №2 | 148,2 | 500664,3 | 3378,3 | 11123,35 | 75,05 | |
| Вариант№3 | 146,66 | 574237,4 | 4091,17 | 11089,4 | 75,61 | |
| Вариант№4 | 140,36 | 563249,7 | 4012 | 11003,74 | 78,39 | |
| Вариант№5 | 145,8 | 553698,3 | 3818,23 | 10750,53 | 73,73 | |
| Вариант№6 | 144,7 | 536731,1 | 3709,26 | 10880,86 | 75,19 | |
Вариант №1 является наиболее экономичным. Исходя из этого, вариант №1 принимается для дальнейшей детальной разработки.
2 ДЕТАЛЬНАЯ РАЗРАБОТКА КОНСТРУКЦИИ РЕКОМЕНДУЕМОГО ВАРИАНТА МОСТА С РАСЧЕТНЫМ ОБОСНОВАНИЕМ ПРИНЯТЫХ РЕШЕНИЙ
2.1 Расчет и конструирование береговой опоры
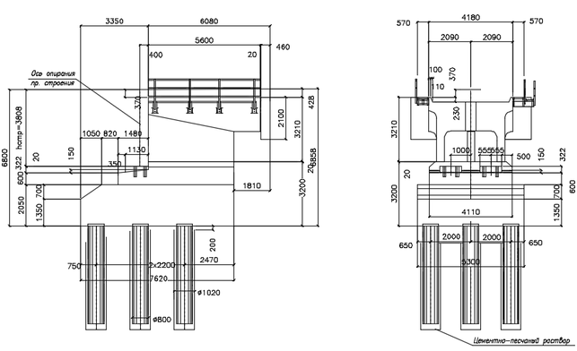
2.1.1 Конструкция опоры
Общий вид опоры показан на рисунке 2.1.
Рисунок 2.1 – Общий вид опоры
2.1.2 Сбор нагрузок. Сочетания нагрузок
Сбор нагрузок производится в программе «ОПОРА_Х».
Программа «ОПОРА_X» предназначена для сбора нагрузок и расчета фундаментов устоев и промежуточных опор автодорожных, железнодорожных, и пешеходных мостов (любых габаритов проезжей части, с разрезными и неразрезными пролетными строениями, мостов на кривых, и косых путепроводов) на следующие нагрузки и их сочетания:
- Постоянные нагрузки от веса конструкций и воздействия грунта и воды;
- Временные вертикальные нагрузки (с сопутствующими горизонтальными):
- СК – для железнодорожных мостов
- Ветровая нагрузка с учетом динамической составляющей;
- Давление грунта от временной нагрузки на призме обрушения (для устоев);
- ледовые нагрузки (для русловых опор);
- нагрузки от навала судов (для мостов на судоходных реках);
- сейсмические нагрузки при сейсмичности от 7 до 9 баллов
В соответствии с требованиями СНиП 2.05.03-84* (СП 35.13330.2011) «Мосты и трубы», СНиП 2.02.01-83* (СП 22.13330.2011) «Основания зданий и сооружений», СНиП 2.02.03-85 (СП 24.13330.2011) «Свайные фундаменты», СНиП II-7-81* (СП 14.13330.2011) «Строительство в сейсмических районах», СНиП 2-01-07-85 «Нагрузки и воздействия», СП 50-102-2003, ГОСТ Р 52748-2007 «Дороги автомобильные общего пользования. Нормативные нагрузки, расчетные схемы нагружения и габариты приближения». Причем оставлен выбор: учитывать требования «старых» СНиП-ов, или новых СП хх.13330.2011.
Все сочетания нагрузок разделяются на 4 группы:
1) Основные сочетания: сюда входят постоянные нагрузки, временные вертикальные и сопутствующие им нагрузки, ветер;
2) Ледовые сочетания (если есть ледоход и опора - русловая): кроме перечисленных в п. 1 нагрузок сюда входят нагрузки от высокого ледохода и от первой подвижки льда;
3) Сочетания от навала судов (если опора - русловая и судоходная): кроме перечисленных в п. 1 нагрузок сюда входят нагрузки от навала судов вдоль и поперек моста;
4) Сейсмические сочетания (если есть сейсмика): сюда входят сейсмические нагрузки.
2.1.3 Расчеты. Результаты расчетов
Расчет опоры моста под нагрузку СК-14 производится в программе «ОПОРА_X».
Таблица 2.1 – Сочетания нагрузок для расчета на прочность.
| Основные сочетания | |||||
| №№ соч. | Hx (тс) | Hy (тс) | P (тс) | Mx (тс*м) | My (тс*м) |
| 1 | 90.886 | -19.875 | 929.073 | 141.611 | 244.127 |
| 2 | 32.376 | 0.000 | 830.796 | 0.000 | -166.870 |
| 5 | 32.842 | -5.265 | 830.796 | 38.897 | -165.284 |
| 15 | 94.944 | 0.000 | 351.314 | 0.000 | 266.920 |
| Сейсмические сочетания | |||||
| 1 | 111.240 | 0.001 | 351.315 | 0.001 | 338.053 |
| 2 | 90.886 | -17.193 | 351.314 | 55.497 | 253.121 |
| 3 | 157.956 | 0.000 | 781.657 | 0.000 | 680.155 |
| 4 | 40.098 | -22.975 | 781.657 | 151.357 | -111.516 |
| 7 | 184.504 | 0.000 | 691.381 | 0.000 | 956.189 |
| 8 | 168.221 | -22.975 | 691.381 | 151.357 | 888.245 |
Таблица 2.2 – Сочетания нагрузок для расчетов по II-ой группе предельных состояний
| №№ соч. | Hx (тс) | Hy (тс) | P (тс) | Mx (тс*м) | My (тс*м) |
| 1 | 64.918 | -17.689 | 804.916 | 126.041 | 177.164 |
| 2 | 12.921 | 0.000 | 722.004 | 0.004 | -188.560 |
| 3 | 13.254 | -3.759 | 722.004 | 27.780 | -187.426 |
Приведенный коэффициент пропорциональности грунта: 700.00
Расчетная ширина сваи: 1.0800
Коэффициент деформации сваи в грунте: 0.68661
Расчетная схема свай: Сваи, забуренные в скальный грунт
Таблица 2.3 – Максимальные перемещения точки на отметке 128.315
| Критерий | Вдоль оси X (м) | Вдоль оси Y (м) | Вдоль оси Z (м) | № соч. |
| max X | -0.000005 | 0.000000 | 0.000006 | 2 |
| max Y | -0.000000 | -0.000002 | 0.000006 | 1 |
| max Z | -0.000005 | 0.000000 | 0.000006 | 2 |
Таблица 2.4 – Экстремальные усилия в головах свай
| Крите-рий | Qx [тс] | Qy [тс] | N [тс] | Mx [тс*м] | My [тс*м] | Mxy [тс*м] | Тип соч | N нагр | N сваи |
| От расчетных нагрузок (на прочность и устойчивость) | |||||||||
| max N | -3.6 | 0.7 | 161.3 | 0.2 | 1.5 | 1.51 | -0 | 5 | 9 |
| min N | -3.6 | 0.7 | 23.3 | 0.2 | 1.5 | 1.51 | 0 | 5 | 5 |
| max Mxy | -10.1 | 2.5 | 103.2 | 0.9 | 3.8 | 3.87 | 0 | 1 | 1 |
| max Qx | -10.5 | 0.0 | 39.0 | 0.0 | 3.8 | 3.84 | 0 | 15 | 1 |
| max Qy | -10.1 | 2.5 | 103.2 | 0.9 | 3.8 | 3.87 | 0 | 1 | 1 |
| От сочетаний, включающих сейсмические нагрузки | |||||||||
| max N | -4.5 | 2.9 | 158.3 | 1.0 | 1.8 | 2.04 | 3 | 4 | 9 |
| min N | -4.5 | 2.9 | 15.4 | 1.0 | 1.8 | 2.04 | 3 | 4 | 5 |
| max Mxy | -20.5 | 0.0 | 76.8 | 0.0 | 7.4 | 7.38 | 3 | 7 | 1 |
| max Qx | -20.5 | 0.0 | 76.8 | 0.0 | 7.4 | 7.38 | 3 | 4 | 1 |
| max Qy | -4.5 | 2.9 | 86.9 | 1.0 | 1.8 | 2.04 | 3 | 4 | 1 |
| От нормативных нагрузок (II группа предельных состояний) | |||||||||
| max N | -1.5 | 0.5 | 143.4 | 0.2 | 0.7 | 0.71 | 4 | 3 | 9 |
| min N | -1.5 | 0.5 | 17.0 | 0.2 | 0.7 | 0.71 | 4 | 3 | 5 |
| max Mxy | -7.2 | 2.2 | 89.4 | 0.8 | 2.7 | 2.83 | 4 | 1 | 1 |
| max Qx | -7.2 | 2.2 | 89.4 | 0.8 | 2.7 | 2.83 | 4 | 1 | 1 |
| max Qy | -7.2 | 2.2 | 89.4 | 0.8 | 2.7 | 2.83 | 4 | 1 | 1 |
Продолжение таблицы 2.4
| От нагрузок для расчета на выносливость | |||||||||
| max N | -7.2 | 0.0 | 134.6 | 0.0 | 2.7 | 2.73 | 9 | 1 | 7 |
| min N | -7.2 | 0.0 | 54.2 | 0.0 | 2.7 | 2.73 | 9 | 1 | 4 |
| max Mxy | -11.9 | 0.0 | 81.8 | 0.0 | 4.3 | 4.32 | 9 | 6 | 1 |
| max Qx | -11.9 | 0.0 | 81.8 | 0.0 | 4.3 | 4.32 | 9 | 6 | 1 |
| max Qy | -7.2 | 0.0 | 94.4 | 0.0 | 2.7 | 2.73 | 9 | 1 | 1 |
ТИПЫ СОЧЕТАНИЙ:















