Приложения (1004174), страница 2
Текст из файла (страница 2)
Технические характеристики автобетононасоса M20-4
Рисунок 9. Общий вид автобетононасоса M20-4
Объем подачи- 90 м3/ч
Давление подачи- 78 бар
Диаметр цилиндра- 230 мм
Ход поршня- 1400 мм
Высота подачи- 19,5 м
Дальность подачи- 16,1 м
Глубина подачи макс.- 11,1 м
Количество секций распредстрелы- 4
Тип складывания распредстрелы- ZR-образное
Длина концевого распредшланга- 4,0 м
Диаметр бетоновода- 125 мм
Приложение К
Технические характеристики прицепа-балковоза 8993-010 на базе КамАЗ 65116
Рисунок 10. Общий вид автобетононасоса прицепа-балковоза 8993-010
Снаряженная масса прицепа, кг 12 000
Масса перевозимого груза, кг 60 000
Распределение нагрузки на дорогу от прицепа
Нагрузка на дорогу через шины передней тележки, кг 36 000
Нагрузка на дорогу через шины задней тележки, кг 36 000
Размерность шин 1025x420-457
Количество колес, шт. 16+2
Давление в шинах, МПа 0,65
Тип Балансирная
Габаритные размеры в транспортном положении
Длина, мм 10 220
Ширина, мм 3 150
Высота, мм, мм 2 510
Максимальная скорость, км/ч 25
Приложение Л
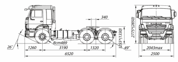
Технические характеристики тягача КамАЗ 65116
Рисунок 11. Общий вид тягача КамАЗ 65116
Снаряженная масса шасси, кг- 7200
нагрузка на передний мост, кг - 3525
нагрузка на заднюю тележку, кг - 3675
Нагрузка на седельно-сцепное устройство, кг - 15500
Полная масса автомобиля, кг- 22850
нагрузка на передний мост, кг- 5050
нагрузка на заднюю тележку, кг-17800
Полная масса полуприцепа, кг - 30500
Полная масса автопоезда, кг - 37850
Максимальная скорость, не менее, км/ч- 90
Угол преодолеваемого подъема, не менее, %- 18 (100)
Внешний габаритный радиус поворота, м- 10,7
ПЕРЕЧЕНЬ ЧЕРТЕЖЕЙ:
Лист 1-Составление вариантов моста Вариант№1, Вариант№2.
Лист 2-Составление вариантов моста Вариант№3,Вариант№4.
Лист 3-Составление вариантов моста Вариант№5,ТЭО.
.
Лист 4- Вариант№2 Общий вид. Вид в плане.
Лист 5-Конструирование столбов промежуточной опоры.
Лист 6-Конструирование плиты-насадки промежуточной опоры.
Лист 7-Конструирование столбов береговой опоры.
Лист 8-Конструирование плиты-насадки береговой опоры.
Лист 9-Технология производства работ по сооружению промежуточной опоры.
Лист 10-Технология производства работ по сооружению промежуточной опоры.
Лист 11- Технология производства работ по монтажу пролетного строения.
Лист 12-Организация строительства моста. Строительная площадка.
Лист 13-Линейный график строительства моста.
145















