Ответ на вопрос по схемотехнике №19947: 7.Определить последовательность состояний Q0-Q3 двоично-десятичного счетчика 7.Определить последовательность состояний Q0-Q3 - Ответ на вопрос по схемотехнике №199477.Определить последовательность состояний Q0-Q3 - Ответ на вопрос по схемотехнике №19947
2024-02-032024-02-03СтудИзба
7.Определить последовательность состояний Q0-Q3 - Ответ на вопрос по схемотехнике №19947
-47%
Вопрос
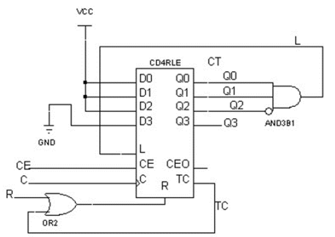
7.Определить последовательность состояний Q0-Q3 двоично-десятичного счетчика
Ответ

Если нужен другой вариант работы или отдельная задача из любой работы, пишите в комментарии

















