Какую форму имеет ток, протекающий через вторичную - Ответ на вопрос по схемотехнике №7946
-32%
Вопрос
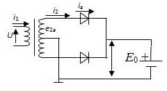
Какую форму имеет ток, протекающий через вторичную обмотку трансформатора в схеме?
Ответ

Хочешь зарабатывать на СтудИзбе больше 10к рублей в месяц? Научу бесплатно!
Начать зарабатывать
Начать зарабатывать



zzyxel




















