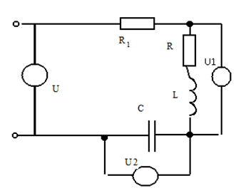
Ответ на вопрос №308117: Найти параметры катушки (R, L), емкость (С) конденсатора и сопротивление (R1), включенного в цепь, если при резонансе приборы показали: U=250 B; U1 = 254 B; U2 = 190 B; I = 5 A. Частота переменного тока 50Гц. Найти параметры катушки (R, L), емкость (С) конденсатора и - Ответ на вопрос №308117Найти параметры катушки (R, L), емкость (С) конденсатора и - Ответ на вопрос №308117
5,0051
2025-03-142025-03-14СтудИзба
Найти параметры катушки (R, L), емкость (С) конденсатора и - Ответ на вопрос №308117
Вопрос
Найти параметры катушки (R, L), емкость (С) конденсатора и сопротивление (R1), включенного в цепь, если при резонансе приборы показали: U=250 B; U1 = 254 B; U2 = 190 B; I = 5 A. Частота переменного тока 50Гц.






















