Ответ на вопрос по инженерной графике №1061948: Какой размер «под ключ» У гайки (см. рисунок ниже) размер «под ключ» равен … Какой размер «под ключ» У гайки (см. рисунок - Ответ на вопрос по инженерной графике №1061948Какой размер «под ключ» У гайки (см. рисунок - Ответ на вопрос по инженерной графике №1061948
2025-12-032025-12-03СтудИзба
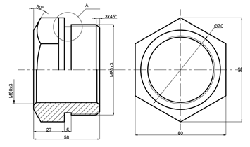
Какой размер «под ключ» У гайки (см. рисунок - Ответ на вопрос по инженерной графике №1061948
Вопрос
Какой размер «под ключ» У гайки (см. рисунок ниже) размер «под ключ» равен …
Ответ
Этот вопрос в коллекциях






















