Ответ на вопрос по этике №737647: Что обозначено буквой «Р» на «Кинематической схеме двухконцевой подъемной лебедки»? Двигатель Тормоз Редуктор Кабина Что обозначено буквой «Р» на «Кинематической схеме - Ответ на вопрос по этике №737647Что обозначено буквой «Р» на «Кинематической схеме - Ответ на вопрос по этике №737647
2025-06-182025-06-18СтудИзба
Что обозначено буквой «Р» на «Кинематической схеме - Ответ на вопрос по этике №737647
Вопрос
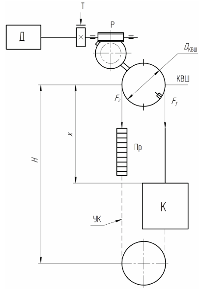
Что обозначено буквой «Р» на «Кинематической схеме двухконцевой подъемной лебедки»?
- Двигатель
- Тормоз
- Редуктор
- Кабина
id133069387





















